ZHCSLF2E July   2002  – April 2025 UCC2800-Q1 , UCC2801-Q1 , UCC2802-Q1 , UCC2803-Q1 , UCC2804-Q1 , UCC2805-Q1

PRODUCTION DATA  

  1.   1
  2. 特性
  3. 应用
  4. 说明
  5. 器件比较
  6. 引脚配置和功能
  7. 规格
    1. 6.1 绝对最大额定值
    2. 6.2 ESD 等级
    3. 6.3 建议运行条件
    4. 6.4 热性能信息
    5. 6.5 电气特性
    6. 6.6 典型特性
  8. 详细说明
    1. 7.1 概述
    2. 7.2 功能方框图
    3. 7.3 特性说明
      1. 7.3.1  详细引脚说明
        1. 7.3.1.1 COMP
        2. 7.3.1.2 FB
        3. 7.3.1.3 CS
        4. 7.3.1.4 RC
        5. 7.3.1.5 GND
        6. 7.3.1.6 OUT
        7. 7.3.1.7 VCC
        8. 7.3.1.8 引脚 8 (REF)
      2. 7.3.2  欠压锁定 (UVLO)
      3. 7.3.3  自偏置低电平有效输出
      4. 7.3.4  基准电压
      5. 7.3.5  振荡器
      6. 7.3.6  同步
      7. 7.3.7  PWM 生成器
      8. 7.3.8  最小关断时间设置(死区时间控制)
      9. 7.3.9  前沿消隐
      10. 7.3.10 最小脉冲宽度
      11. 7.3.11 电流限制
      12. 7.3.12 过流保护和全周期重启
      13. 7.3.13 软启动
      14. 7.3.14 斜率补偿
    4. 7.4 器件功能模式
      1. 7.4.1 正常运行
      2. 7.4.2 UVLO 模式
      3. 7.4.3 软启动模式
      4. 7.4.4 故障模式
  9. 应用和实施
    1. 8.1 应用信息
    2. 8.2 典型应用
      1. 8.2.1 设计要求
      2. 8.2.2 详细设计过程
        1. 8.2.2.1 电流检测网络
        2. 8.2.2.2 栅极驱动电阻器
        3. 8.2.2.3 Vref 电容器
        4. 8.2.2.4 RTCT
        5. 8.2.2.5 启动电路
        6. 8.2.2.6 电压反馈补偿
          1. 8.2.2.6.1 功率级增益、零点和极点
          2. 8.2.2.6.2 补偿环路
      3. 8.2.3 应用曲线
    3. 8.3 电源相关建议
    4. 8.4 布局
      1. 8.4.1 布局指南
      2. 8.4.2 布局示例
  10. 器件和文档支持
    1. 9.1 相关链接
    2. 9.2 接收文档更新通知
    3. 9.3 支持资源
    4. 9.4 商标
    5. 9.5 静电放电警告
    6. 9.6 术语表
  11. 10修订历史记录
  12. 11机械、封装和可订购信息

封装选项

请参考 PDF 数据表获取器件具体的封装图。

机械数据 (封装 | 引脚)
  • D|8
散热焊盘机械数据 (封装 | 引脚)
订购信息

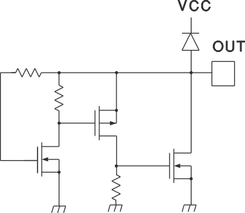
自偏置低电平有效输出

图 7-2 中所示的自偏置低电平有效钳位电路可避免 MOSFET 误导通。当 PWM 输出电压在 UVLO 期间上升时,P 型器件将驱动较大的 N 型开关导通,从而将输出电压钳制在低电平。此电路由上升的外部栅极电压供电,因此在欠压锁定期间无论有无 IC 电源电压,均可提供全面保护。

UCC2800-Q1 UCC2801-Q1 UCC2802-Q1 UCC2803-Q1 UCC2804-Q1 UCC2805-Q1 内部电路 OUT 在 UVLO 期间保持低电平图 7-2 内部电路 OUT 在 UVLO 期间保持低电平
UCC2800-Q1 UCC2801-Q1 UCC2802-Q1 UCC2803-Q1 UCC2804-Q1 UCC2805-Q1 UVLO 期间 OUT 电压与 OUT 电流间的关系图 7-3 UVLO 期间 OUT 电压与 OUT 电流间的关系