ZHCSKX0 February   2020 TPS59632-Q1

PRODUCTION DATA.  

  1. 特性
  2. 应用
  3. 说明
    1.     Device Images
      1.      简化应用
  4. 修订历史记录
  5. Pin Configuration and Functions
    1.     Pin Functions
  6. Specifications
    1. 6.1 Absolute Maximum Ratings
    2. 6.2 ESD Ratings
    3. 6.3 Recommended Operating Conditions
    4. 6.4 Thermal Information
    5. 6.5 Electrical Characteristics
    6. 6.6 Timing Requirements
    7. 6.7 Switching Characteristics
    8. 6.8 Typical Characteristics
  7. Detailed Description
    1. 7.1 Overview
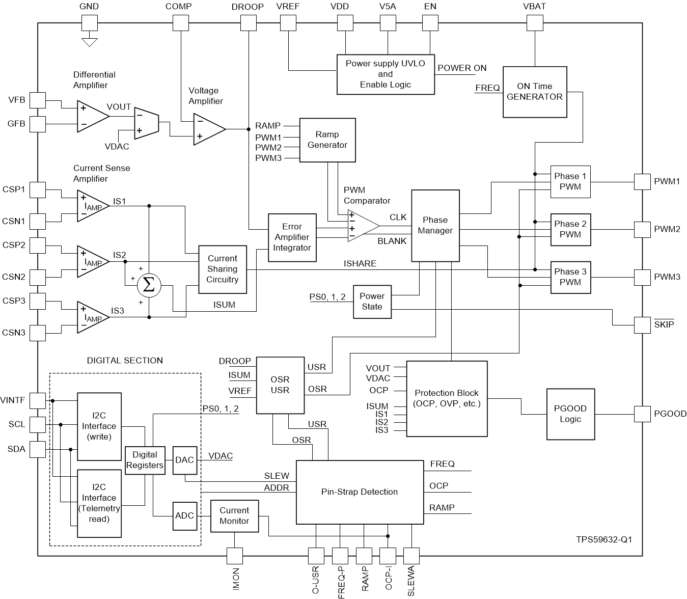
    2. 7.2 Functional Block Diagram
    3. 7.3 Feature Description
      1. 7.3.1  PWM Operation
      2. 7.3.2  Current Sensing
      3. 7.3.3  Load-line (Droop)
      4. 7.3.4  Load Transients
      5. 7.3.5  Overshoot Reduction (OSR)
      6. 7.3.6  Undershoot Reduction (USR)
      7. 7.3.7  Autobalance Current Sharing
      8. 7.3.8  PWM And SKIP Signals
      9. 7.3.9  Bias Power (V5A, VDD, And VINTF) UVLO
      10. 7.3.10 Start-Up Sequence
      11. 7.3.11 Power Good Operation
      12. 7.3.12 Analog Current Monitor, IMON, And Corresponding Digital Output Current
      13. 7.3.13 Fault Behavior
      14. 7.3.14 Output Under Voltage Protection (UVP)
      15. 7.3.15 Output Over Voltage Protection (OVP)
      16. 7.3.16 Over Current Protection (OCP)
      17. 7.3.17 Over Current Warning
      18. 7.3.18 Input Voltage Limits
      19. 7.3.19 VID Table
    4. 7.4 User Selections
    5. 7.5 I2C Interface Operation
      1. 7.5.1 Key For Protocol Examples
      2. 7.5.2 Protocol Examples
    6. 7.6 I2C Register Maps
      1. 7.6.1 Voltage Select Register (VSR) (Address = 00h)
      2. 7.6.2 IMON Register (Address = 03h)
      3. 7.6.3 VMAX Register (Address = 04h)
      4. 7.6.4 Power State Register (Address = 06h)
      5. 7.6.5 Slew Register (Address = 07h)
      6. 7.6.6 Lot Code Registers (Address = 10-13h)
      7. 7.6.7 Fault Register (Address = 14h)
  8. Applications and Implementation
    1. 8.1 Application Information
    2. 8.2 Typical Application
      1. 8.2.1 3-Phase D-CAP+™, Step-Down Application
        1. 8.2.1.1 Design Requirements
        2. 8.2.1.2 Detailed Design Procedure
          1. 8.2.1.2.1  Step 1: Select Switching Frequency
          2. 8.2.1.2.2  Step 2: Set The Slew Rate
          3. 8.2.1.2.3  Step 3: Set The I2C Address
          4. 8.2.1.2.4  Step 4: Determine Inductor Value And Choose Inductor
          5. 8.2.1.2.5  Step 5: Current Sensing Resistance
          6. 8.2.1.2.6  Step 6: Select Over Current Protection (OCP) Setting
          7. 8.2.1.2.7  Step 7: Current Monitor (IMON) Setting
          8. 8.2.1.2.8  Step 8: Set the Load-Line Slope
          9. 8.2.1.2.9  Step 9: Voltage Feedback Resistor Calculation
          10. 8.2.1.2.10 Step 10: Ramp Compensation Selection
          11. 8.2.1.2.11 Step 11 Overshoot Reduction (OSR) selection
          12. 8.2.1.2.12 Step 12: Undershoot Reduction (USR) selection
          13. 8.2.1.2.13 Step 13: Loop Compensation
        3. 8.2.1.3 Application Performance Plots
  9. Power Supply Recommendations
  10. 10Layout
    1. 10.1  Layout Guidelines
    2. 10.2  Layout Example
    3. 10.3  Current Sensing Lines
    4. 10.4  Feedback Voltage Sensing Lines
    5. 10.5  PWM And SKIP Lines
    6. 10.6  Power Chain Symmetry
    7. 10.7  Component Location
    8. 10.8  Grounding Recommendations
    9. 10.9  Decoupling Recommendations
    10. 10.10 Conductor Widths
  11. 11器件和文档支持
    1. 11.1 文档支持
    2. 11.2 商标
    3. 11.3 静电放电警告
    4. 11.4 Glossary
  12. 12机械、封装和可订购信息
    1. 12.1 Package Option Addendum
      1. 12.1.1 Packaging Information
      2. 12.1.2 Tape And Reel Information

封装选项

机械数据 (封装 | 引脚)
散热焊盘机械数据 (封装 | 引脚)
订购信息

Functional Block Diagram

TPS59632-Q1 TPS59632_Block_diagram.gif