ZHCSSK0P April   2004  – August 2024 TPS2041B , TPS2042B , TPS2043B , TPS2044B , TPS2051B , TPS2052B , TPS2053B , TPS2054B

PRODUCTION DATA  

  1.   1
  2. 特性
  3. 应用
  4. 说明
  5. General Switch Catalog
  6. Pin Configuration and Functions
  7. Specifications
    1. 6.1 Absolute Maximum Ratings
    2. 6.2 ESD Ratings
    3. 6.3 Recommended Operating Conditions
    4. 6.4 Thermal Information
    5. 6.5 Electrical Characteristics
    6. 6.6 Typical Characteristics (All Devices Excluding TPS2051BDBV and TPS2052BD)
    7. 6.7 Typical Characteristics (TPS2051BDBV and TPS2052BD)
  8. Parameter Measurement Information
  9. Detailed Description
    1. 8.1 Overview
    2. 8.2 Functional Block Diagrams
    3. 8.3 Feature Description
      1. 8.3.1  Power Switch
      2. 8.3.2  Charge Pump
      3. 8.3.3  Driver
      4. 8.3.4  Enable ( ENx)
      5. 8.3.5  Enable (ENx)
      6. 8.3.6  Current Sense
      7. 8.3.7  Overcurrent
        1. 8.3.7.1 Overcurrent Conditions (TPS20x3BD, TPS20x4BD, and TPS20x2BDRB)
        2. 8.3.7.2 Overcurrent Conditions (TPS20x1B & TPS20x2B in D, DGN, and DBV packages)
      8. 8.3.8  Overcurrent ( OCx)
      9. 8.3.9  Thermal Sense
      10. 8.3.10 Undervoltage Lockout
    4. 8.4 Device Functional Modes
  10. Application and Implementation
    1. 9.1 Application Information
      1. 9.1.1 Universal Serial Bus (USB) Applications
    2. 9.2 Typical Application
      1. 9.2.1 Typical Application (TPS2042B)
        1. 9.2.1.1 Design Requirements
        2. 9.2.1.2 Detailed Design Procedure
          1. 9.2.1.2.1 Power-Supply Considerations
          2. 9.2.1.2.2 OC Response
        3. 9.2.1.3 Application Curves
      2. 9.2.2 Host and Self-Powered and Bus-Powered Hubs
        1. 9.2.2.1 Design Requirements
          1. 9.2.2.1.1 USB Power-Distribution Requirements
        2. 9.2.2.2 Detailed Design Procedure
          1. 9.2.2.2.1 Low-Power Bus-Powered and High-Power Bus-Powered Functions
        3. 9.2.2.3 Application Curves
      3. 9.2.3 Generic Hot-Plug Applications
        1. 9.2.3.1 Design Requirements
        2. 9.2.3.2 Detailed Design Procedure
        3. 9.2.3.3 Application Curves
  11. 10Power Supply Recommendations
    1. 10.1 Undervoltage Lockout (UVLO)
  12. 11Layout
    1. 11.1 Layout Guidelines
    2. 11.2 Layout Example
    3. 11.3 Power Dissipation
    4. 11.4 Thermal Protection
  13. 12Device and Documentation Support
    1. 12.1 接收文档更新通知
    2. 12.2 支持资源
    3. 12.3 Trademarks
    4. 12.4 静电放电警告
    5. 12.5 术语表
  14. 13Revision History
  15. 14Mechanical, Packaging, and Orderable Information

封装选项

机械数据 (封装 | 引脚)
散热焊盘机械数据 (封装 | 引脚)
订购信息

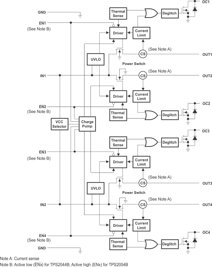
Functional Block Diagrams

TPS2041B TPS2042B TPS2043B TPS2044B  TPS2051B TPS2052B TPS2053B TPS2054B Functional Block Diagram (TPS2041B and TPS2051B) Figure 8-1 Functional Block Diagram (TPS2041B and TPS2051B)
TPS2041B TPS2042B TPS2043B TPS2044B  TPS2051B TPS2052B TPS2053B TPS2054B Functional Block Diagram (TPS2042B and
                        TPS2052B)
                    Figure 8-2 Functional Block Diagram (TPS2042B and TPS2052B)
TPS2041B TPS2042B TPS2043B TPS2044B  TPS2051B TPS2052B TPS2053B TPS2054B Functional Block Diagram (TPS2043B and TPS2053B) Figure 8-3 Functional Block Diagram (TPS2043B and TPS2053B)
TPS2041B TPS2042B TPS2043B TPS2044B  TPS2051B TPS2052B TPS2053B TPS2054B Functional Block Diagram (TPS2044B and TPS2054B) Figure 8-4 Functional Block Diagram (TPS2044B and TPS2054B)