ZHCSM94D October   2020  – July 2024 TMUX6211 , TMUX6212 , TMUX6213

PRODUCTION DATA  

  1.   1
  2. 特性
  3. 应用
  4. 说明
  5. 器件比较表
  6. 引脚配置和功能
  7. 规格
    1. 6.1  绝对最大额定值
    2. 6.2  ESD 等级
    3. 6.3  热性能信息
    4. 6.4  建议运行条件
    5. 6.5  源极或漏极持续电流
    6. 6.6  ±15 V 双电源:电气特性 
    7. 6.7  ±15 V 双电源:开关特性 
    8. 6.8  36 V 单电源:电气特性 
    9. 6.9  36 V 单电源:开关特性 
    10. 6.10 12 V 单电源:电气特性 
    11. 6.11 12V 单电源:开关特性 
    12. 6.12 ±5 V 双电源:电气特性 
    13. 6.13 ±5 V 双电源:开关特性 
    14. 6.14 典型特性
  8. 参数测量信息
    1. 7.1  导通电阻
    2. 7.2  关断漏电流
    3. 7.3  导通漏电流
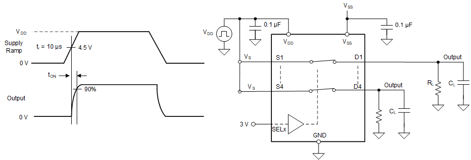
    4. 7.4  tON 和 tOFF 时间
    5. 7.5  tON (VDD) 时间
    6. 7.6  传播延迟
    7. 7.7  电荷注入
    8. 7.8  关断隔离
    9. 7.9  通道-通道串扰
    10. 7.10 带宽
    11. 7.11 THD + 噪声
    12. 7.12 电源抑制比 (PSRR)
  9. 详细说明
    1. 8.1 概述
    2. 8.2 功能方框图
    3. 8.3 特性说明
      1. 8.3.1 双向运行
      2. 8.3.2 轨到轨运行
      3. 8.3.3 1.8V 逻辑兼容输入
      4. 8.3.4 逻辑引脚上带有集成下拉电阻器
      5. 8.3.5 失效防护逻辑
      6. 8.3.6 闩锁效应抑制
      7. 8.3.7 超低电荷注入
    4. 8.4 器件功能模式
    5. 8.5 真值表
  10. 应用和实施
    1. 9.1 应用信息
    2. 9.2 典型应用
      1. 9.2.1 设计要求
      2. 9.2.2 详细设计过程
      3. 9.2.3 应用曲线
    3. 9.3 电源相关建议
    4. 9.4 布局
      1. 9.4.1 布局指南
      2. 9.4.2 布局示例
  11. 10器件和文档支持
    1. 10.1 文档支持
      1. 10.1.1 相关文档
    2. 10.2 接收文档更新通知
    3. 10.3 支持资源
    4. 10.4 商标
    5. 10.5 静电放电警告
    6. 10.6 术语表
  12. 11修订历史记录
  13. 12机械、封装和可订购信息

封装选项

机械数据 (封装 | 引脚)
散热焊盘机械数据 (封装 | 引脚)
订购信息

tON (VDD) 时间

tON (VDD) 时间定义为电源上升到超过电源阈值后器件输出上升至 90% 所需的时间。90% 测量用于提供器件在系统中导通的时序。图 7-5 展示了用于测量开通时间(用符号 tON (VDD) 表示)的设置。

TMUX6211 TMUX6212 TMUX6213 tON (VDD) 时间测量设置图 7-5 tON (VDD) 时间测量设置