ZHCSK83C September   2019  – June 2025 TMCS1100

PRODUCTION DATA  

  1.   1
  2. 特性
  3. 应用
  4. 说明
  5. 器件比较
  6. 引脚配置和功能
  7. 规格
    1. 6.1  绝对最大额定值
    2. 6.2  ESD 等级
    3. 6.3  建议运行条件
    4. 6.4  热性能信息
    5. 6.5  功率等级
    6. 6.6  绝缘规格
    7. 6.7  安全相关认证
    8. 6.8  安全限值
    9. 6.9  电气特性
    10. 6.10 典型特性
      1. 6.10.1 绝缘特性曲线
  8. 参数测量信息
    1. 7.1 精度参数
      1. 7.1.1 灵敏度误差
      2. 7.1.2 偏移量误差和偏移量误差漂移
      3. 7.1.3 非线性误差
      4. 7.1.4 电源抑制比
      5. 7.1.5 共模抑制比
      6. 7.1.6 基准电压抑制比
      7. 7.1.7 外部磁场误差
    2. 7.2 瞬态响应参数
      1. 7.2.1 压摆率
      2. 7.2.2 传播延迟和响应时间
      3. 7.2.3 电流过载参数
      4. 7.2.4 CMTI,共模瞬态抗扰度
    3. 7.3 安全工作区
      1. 7.3.1 持续直流或正弦交流电流
      2. 7.3.2 重复脉冲电流 SOA
      3. 7.3.3 单粒子电流能力
  9. 详细说明
    1. 8.1 概述
    2. 8.2 功能模块图
    3. 8.3 特性说明
      1. 8.3.1 电流输入
      2. 8.3.2 输入隔离
      3. 8.3.3 高精度信号链
        1. 8.3.3.1 温度稳定性
        2. 8.3.3.2 寿命和环境稳定性
        3. 8.3.3.3 频率响应
        4. 8.3.3.4 瞬态响应
      4. 8.3.4 外部基准电压输入
      5. 8.3.5 电流检测可测量范围
    4. 8.4 器件功能模式
      1. 8.4.1 断电行为
  10. 应用和实现
    1. 9.1 应用信息
      1. 9.1.1 总误差计算示例
        1. 9.1.1.1 室温误差计算
        2. 9.1.1.2 整个温度范围内的误差计算
    2. 9.2 典型应用
      1. 9.2.1 设计要求
      2. 9.2.2 详细设计过程
      3. 9.2.3 应用曲线
    3. 9.3 电源相关建议
    4. 9.4 布局
      1. 9.4.1 布局指南
      2. 9.4.2 布局示例
  11. 10器件和文档支持
    1. 10.1 器件支持
      1. 10.1.1 开发支持
    2. 10.2 文档支持
      1. 10.2.1 相关文档
    3. 10.3 接收文档更新通知
    4. 10.4 支持资源
    5. 10.5 商标
    6. 10.6 静电放电警告
    7. 10.7 术语表
  12. 11修订历史记录
  13. 12机械、封装和可订购信息

封装选项

请参考 PDF 数据表获取器件具体的封装图。

机械数据 (封装 | 引脚)
  • D|8
散热焊盘机械数据 (封装 | 引脚)
订购信息

布局指南

TMCS1100 可以在 TMCS1100EVM 上提供持续电流处理能力,该评估模块使用 3oz 覆铜平面。这种电流能力从根本上受到最大器件结温和热环境的限制,主要是 PCB 布局和设计。为了更大限度地提高器件的电流处理能力和热稳定性,请注意 PCB 布局和结构以优化热性能。在 TMCS1100EVM 的设计和构造之外,努力提升热性能可以提高持续电流能力,因为到周围环境的热传递更高。提高 PCB 热性能的要点包括:

  • 针对输入电流路径以及隔离的电源平面和信号使用大型铜平面。
  • 使用较重的铜 PCB 结构。
  • 通过分布在隔开的电流输入周围的散热过孔进行散热。
  • 在 PCB 表面提供气流。

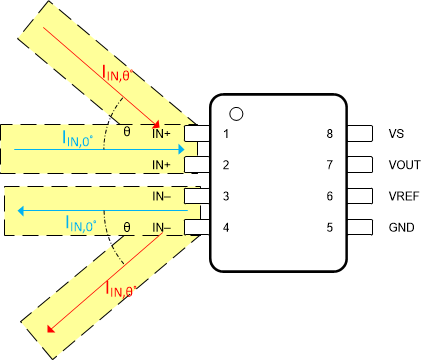
TMCS1100 可感测到外部磁场,因此请确保尽量减少靠近器件的相邻高电流引线。如果输入电流引线平行于封装的垂直轴,则输入电流引线可能为传感器添加额外的磁场。图 9-5 说明了进入 TMCS1100 的最佳输入电流布线。当电流接近器件的角度发生从 0° 至水平轴的偏离时,电流引线会为传感器添加一些额外的磁场,从而提高器件的有效灵敏度。如果电流必须平行于封装垂直轴,则应将布线远离封装,以更大限度地减少对器件灵敏度的影响。将输入电流路径直接端接在封装引线占位的下方,并为 IN+ 和 IN- 输入使用合并的铜输入引线。

TMCS1100 输入电流引线产生的磁场图 9-5 输入电流引线产生的磁场

除了热和磁优化之外,请务必考虑 PCB 设计所需的爬电距离和间隙,以满足系统级隔离要求。如果可能,保持焊接模板之间所需的爬电距离,如图 9-6 所示。如果无法在板级保持两个隔离侧之间所需的 PCB 爬电距离,请在板上添加额外的插槽或凹槽。如果系统隔离级别所需的爬电距离和间隙比封装提供的更多,则可以使用二次成型化合物来封装整个器件和阻焊层以满足系统级要求。

TMCS1100 满足系统爬电要求的布局图 9-6 满足系统爬电要求的布局