ZHCSNT3B April   2021  – September 2021 THVD1439 , THVD1439V , THVD1449 , THVD1449V

PRODUCTION DATA  

  1. 特性
  2. 应用
  3. 说明
  4. 修订历史记录
    1.     器件比较表
  5. 引脚配置和功能
  6. 规格
    1. 6.1  绝对最大额定值
    2. 6.2  ESD 等级
    3. 6.3  ESD 等级,IEC
    4. 6.4  建议运行条件
    5. 6.5  热性能信息
    6. 6.6  功率损耗
    7. 6.7  电气特性
    8. 6.8  开关特性(THVD1439、THVD1439V)
    9. 6.9  开关特性(THVD1449、THVD1449V)
    10. 6.10 典型特性
  7. 参数测量信息
  8. 详细说明
    1. 8.1 概述
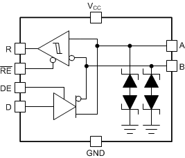
    2. 8.2 功能方框图
    3. 8.3 特性说明
      1. 8.3.1 静电放电 (ESD) 保护
      2. 8.3.2 电气快速瞬变 (EFT) 保护
      3. 8.3.3 浪涌保护
      4. 8.3.4 增强型接收器抗噪性能
      5. 8.3.5 失效防护接收器
    4. 8.4 器件功能模式
  9. 应用和实现
    1. 9.1 应用信息
    2. 9.2 典型应用
      1. 9.2.1 设计要求
        1. 9.2.1.1 数据速率和总线长度
        2. 9.2.1.2 桩线长度
        3. 9.2.1.3 总线负载
      2. 9.2.2 详细设计过程
      3. 9.2.3 应用曲线
  10. 10电源相关建议
  11. 11布局
    1. 11.1 布局指南
    2. 11.2 布局示例
  12. 12器件和文档支持
    1. 12.1 器件支持
    2. 12.2 接收文档更新通知
    3. 12.3 支持资源
    4. 12.4 商标
    5. 12.5 Electrostatic Discharge Caution
    6. 12.6 术语表
      1.      机械、封装和可订购信息

封装选项

请参考 PDF 数据表获取器件具体的封装图。

机械数据 (封装 | 引脚)
  • D|8
散热焊盘机械数据 (封装 | 引脚)
订购信息

说明

THVD14x9(V) 器件是半双工 RS-485 收发器,集成了浪涌保护功能。电涌保护是通过在标准 8 引脚 SOIC (D) 封装中集成瞬态电压抑制器 (TVS) 二极管实现的。此功能提高了可靠性,可以更好地抵抗耦合到数据电缆的噪声瞬变,而无需外部保护元件。

THVD1439 和 THVD1449 由一个
3.3V 或 5V 电源供电运行。THVD1439V 和 THVD1449V 器件支持额外的 VIO 电源,从而以低至 1.65V 的电源电平运行 IO。此系列器件具有宽共模电压范围,因而适用于长线缆上的多点应用。

器件信息
器件型号封装(1)封装尺寸(标称值)
THVD1439
THVD1439V
THVD1449
THVD1449V
SOIC (8)4.90mm × 3.91mm
如需了解所有可订购器件,请参阅数据表末尾的可订购产品附录。
GUID-012C8C0C-4D20-44E1-89D2-5691F49CE896-low.gifTHVD14x9 方框图
GUID-F0655367-7606-40BD-B9DF-BD6A92CEC276-low.gifTHVD14x9V 方框图