ZHCSGO9C June   2017  – September 2018 MSP430FR6035 , MSP430FR6037 , MSP430FR60371 , MSP430FR6045 , MSP430FR6047 , MSP430FR60471

PRODUCTION DATA.  

  1. 1器件概述
    1. 1.1 特性
    2. 1.2 应用
    3. 1.3 说明
    4. 1.4 功能框图
  2. 2修订历史记录
  3. 3Device Comparison
    1. 3.1 Related Products
  4. 4Terminal Configuration and Functions
    1. 4.1 Pin Diagram
    2. 4.2 Pin Attributes
    3. 4.3 Signal Descriptions
      1. Table 4-2 Signal Descriptions
    4. 4.4 Pin Multiplexing
    5. 4.5 Buffer Type
    6. 4.6 Connection of Unused Pins
  5. 5Specifications
    1. 5.1  Absolute Maximum Ratings
    2. 5.2  ESD Ratings
    3. 5.3  Recommended Operating Conditions
    4. 5.4  Active Mode Supply Current Into VCC Excluding External Current
    5. 5.5  Typical Characteristics, Active Mode Supply Currents
    6. 5.6  Low-Power Mode (LPM0, LPM1) Supply Currents Into VCC Excluding External Current
    7. 5.7  Low-Power Mode (LPM2, LPM3, LPM4) Supply Currents (Into VCC) Excluding External Current
    8. 5.8  Low-Power Mode With LCD Supply Currents (Into VCC) Excluding External Current
    9. 5.9  Low-Power Mode (LPMx.5) Supply Currents (Into VCC) Excluding External Current
    10. 5.10 Typical Characteristics, Low-Power Mode Supply Currents
    11. 5.11 Typical Characteristics, Current Consumption per Module
    12. 5.12 Thermal Resistance Characteristics for 100-Pin LQFP (PZ) Package
    13. 5.13 Timing and Switching Characteristics
      1. 5.13.1  Power Supply Sequencing
        1. Table 5-1 Brownout and Device Reset Power Ramp Requirements
        2. Table 5-2 SVS
      2. 5.13.2  Reset Timing
        1. Table 5-3 Reset Input
      3. 5.13.3  Clock Specifications
        1. Table 5-4 Low-Frequency Crystal Oscillator, LFXT
        2. Table 5-5 High-Frequency Crystal Oscillator, HFXT
        3. Table 5-6 DCO
        4. Table 5-7 Internal Very-Low-Power Low-Frequency Oscillator (VLO)
        5. Table 5-8 Module Oscillator (MODOSC)
      4. 5.13.4  Wake-up Characteristics
        1. Table 5-9  Wake-up Times From Low-Power Modes and Reset
        2. Table 5-10 Typical Wake-up Charges
        3. 5.13.4.1   Typical Characteristics, Average LPM Currents vs Wake-up Frequency
      5. 5.13.5  Digital I/Os
        1. Table 5-11 Digital Inputs
        2. Table 5-12 Digital Outputs
        3. 5.13.5.1   Typical Characteristics, Digital Outputs
      6. 5.13.6  LEA
        1. Table 5-13 Low-Energy Accelerator (LEA) Performance
      7. 5.13.7  Timer_A and Timer_B
        1. Table 5-14 Timer_A
        2. Table 5-15 Timer_B
      8. 5.13.8  eUSCI
        1. Table 5-16 eUSCI (UART Mode) Clock Frequency
        2. Table 5-17 eUSCI (UART Mode) Switching Characteristics
        3. Table 5-18 eUSCI (SPI Master Mode) Clock Frequency
        4. Table 5-19 eUSCI (SPI Master Mode) Switching Characteristics
        5. Table 5-20 eUSCI (SPI Slave Mode) Switching Characteristics
        6. Table 5-21 eUSCI (I2C Mode) Switching Characteristics
      9. 5.13.9  Segment LCD Controller
        1. Table 5-22 LCD_C Recommended Operating Conditions
        2. Table 5-23 LCD_C Electrical Characteristics
      10. 5.13.10 ADC12_B
        1. Table 5-24 12-Bit ADC, Power Supply and Input Range Conditions
        2. Table 5-25 12-Bit ADC, Timing Parameters
        3. Table 5-26 12-Bit ADC, Linearity Parameters
        4. Table 5-27 12-Bit ADC, Dynamic Performance With External Reference
        5. Table 5-28 12-Bit ADC, Dynamic Performance With Internal Reference
        6. Table 5-29 12-Bit ADC, Temperature Sensor and Built-In V1/2
        7. Table 5-30 12-Bit ADC, External Reference
      11. 5.13.11 Reference
        1. Table 5-31 REF, Built-In Reference
      12. 5.13.12 Comparator
        1. Table 5-32 Comparator_E
      13. 5.13.13 FRAM
        1. Table 5-33 FRAM
      14. 5.13.14 USS
        1. Table 5-34 USS Recommended Operating Conditions
        2. Table 5-35 USS LDO
        3. Table 5-36 USSXTAL
        4. Table 5-37 USS HSPLL
        5. Table 5-38 USS SDHS
        6. Table 5-39 USS PHY Output Stage
        7. Table 5-40 USS PHY Input Stage, Multiplexer
        8. Table 5-41 USS PGA
        9. Table 5-42 USS Bias Voltage Generator
      15. 5.13.15 Emulation and Debug
        1. Table 5-43 JTAG and Spy-Bi-Wire Interface
  6. 6Detailed Description
    1. 6.1  Overview
    2. 6.2  CPU
    3. 6.3  Ultrasonic Sensing Solution (USS) Module
    4. 6.4  Low-Energy Accelerator (LEA) for Signal Processing
    5. 6.5  Operating Modes
      1. 6.5.1 Peripherals in Low-Power Modes
      2. 6.5.2 Idle Currents of Peripherals in LPM3 and LPM4
    6. 6.6  Interrupt Vector Table and Signatures
    7. 6.7  Bootloader (BSL)
    8. 6.8  JTAG Operation
      1. 6.8.1 JTAG Standard Interface
      2. 6.8.2 Spy-Bi-Wire (SBW) Interface
    9. 6.9  FRAM Controller A (FRCTL_A)
    10. 6.10 RAM
    11. 6.11 Tiny RAM
    12. 6.12 Memory Protection Unit (MPU) Including IP Encapsulation
    13. 6.13 Peripherals
      1. 6.13.1  Digital I/O
      2. 6.13.2  Oscillator and Clock System (CS)
      3. 6.13.3  Power-Management Module (PMM)
      4. 6.13.4  Hardware Multiplier (MPY)
      5. 6.13.5  Real-Time Clock (RTC_C)
      6. 6.13.6  Measurement Test Interface (MTIF)
      7. 6.13.7  Watchdog Timer (WDT_A)
      8. 6.13.8  System Module (SYS)
      9. 6.13.9  DMA Controller
      10. 6.13.10 Enhanced Universal Serial Communication Interface (eUSCI)
      11. 6.13.11 TA0, TA1, and TA4
      12. 6.13.12 TA2 and TA3
      13. 6.13.13 TB0
      14. 6.13.14 ADC12_B
      15. 6.13.15 USS
      16. 6.13.16 Comparator_E
      17. 6.13.17 CRC16
      18. 6.13.18 CRC32
      19. 6.13.19 AES256 Accelerator
      20. 6.13.20 True Random Seed
      21. 6.13.21 Shared Reference (REF)
      22. 6.13.22 LCD_C
      23. 6.13.23 Embedded Emulation
        1. 6.13.23.1 Embedded Emulation Module (EEM) (S Version)
        2. 6.13.23.2 EnergyTrace++ Technology
    14. 6.14 Input/Output Diagrams
      1. 6.14.1  Port Function Select Registers (PySEL1 , PySEL0)
      2. 6.14.2  Port P1 (P1.0 and P1.1) Input/Output With Schmitt Trigger
      3. 6.14.3  Port P1 (P1.2 to P1.7) Input/Output With Schmitt Trigger
      4. 6.14.4  Port P2 (P2.0 to P2.3) Input/Output With Schmitt Trigger
      5. 6.14.5  Port P2 (P2.4 to P2.7) Input/Output With Schmitt Trigger
      6. 6.14.6  Port P3 (P3.0 to P3.7) Input/Output With Schmitt Trigger
      7. 6.14.7  Port P4 (P4.0 to P4.7) Input/Output With Schmitt Trigger
      8. 6.14.8  Port P5 (P5.0 to P5.7) Input/Output With Schmitt Trigger
      9. 6.14.9  Port P6 (P6.0) Input/Output With Schmitt Trigger
      10. 6.14.10 Port P6 (P6.1 to P6.5) Input/Output With Schmitt Trigger
      11. 6.14.11 Port P6 (P6.6 and P6.7) Input/Output With Schmitt Trigger
      12. 6.14.12 Port P7 (P7.0 to P7.3) Input/Output With Schmitt Trigger
      13. 6.14.13 Port P7 (P7.4) Input/Output With Schmitt Trigger
      14. 6.14.14 Port P7 (P7.5) Input/Output With Schmitt Trigger
      15. 6.14.15 Port P7 (P7.6 and P7.7) Input/Output With Schmitt Trigger
      16. 6.14.16 Port P8 (P8.0 to P8.3) Input/Output With Schmitt Trigger
      17. 6.14.17 Port P8 (P8.4 to P8.7) Input/Output With Schmitt Trigger
      18. 6.14.18 Port P9 (P9.0 to P9.3) Input/Output With Schmitt Trigger
      19. 6.14.19 Port PJ (PJ.0 to PJ.3) JTAG Pins TDO, TMS, TCK, TDI/TCLK, Input/Output With Schmitt Trigger
      20. 6.14.20 Port PJ (PJ.4 and PJ.5) Input/Output With Schmitt Trigger
      21. 6.14.21 Port PJ (PJ.6 and PJ.7) Input/Output With Schmitt Trigger
    15. 6.15 Device Descriptors (TLV)
    16. 6.16 Memory Map
      1. 6.16.1 Peripheral File Map
    17. 6.17 Identification
      1. 6.17.1 Revision Identification
      2. 6.17.2 Device Identification
      3. 6.17.3 JTAG Identification
  7. 7Applications, Implementation, and Layout
    1. 7.1 Device Connection and Layout Fundamentals
      1. 7.1.1  Power Supply Decoupling and Bulk Capacitors
      2. 7.1.2  External Oscillator (HFXT and LFXT)
      3. 7.1.3  USS Oscillator (USSXT)
      4. 7.1.4  Transducer Connection to the USS Module
      5. 7.1.5  Charge Pump Control of Input Multiplexer
      6. 7.1.6  JTAG
      7. 7.1.7  Reset
      8. 7.1.8  Unused Pins
      9. 7.1.9  General Layout Recommendations
      10. 7.1.10 Do's and Don'ts
    2. 7.2 Peripheral- and Interface-Specific Design Information
      1. 7.2.1 ADC12_B Peripheral
        1. 7.2.1.1 Partial Schematic
        2. 7.2.1.2 Design Requirements
        3. 7.2.1.3 Detailed Design Procedure
        4. 7.2.1.4 Layout Guidelines
      2. 7.2.2 LCD_C Peripheral
        1. 7.2.2.1 Partial Schematic
        2. 7.2.2.2 Design Requirements
        3. 7.2.2.3 Detailed Design Procedure
        4. 7.2.2.4 Layout Guidelines
  8. 8器件和文档支持
    1. 8.1 入门和下一步
    2. 8.2 器件命名规则
    3. 8.3 工具和软件
    4. 8.4 文档支持
    5. 8.5 相关链接
    6. 8.6 商标
    7. 8.7 静电放电警告
    8. 8.8 Export Control Notice
    9. 8.9 Glossary
  9. 9机械、封装和可订购信息

封装选项

机械数据 (封装 | 引脚)
散热焊盘机械数据 (封装 | 引脚)
订购信息

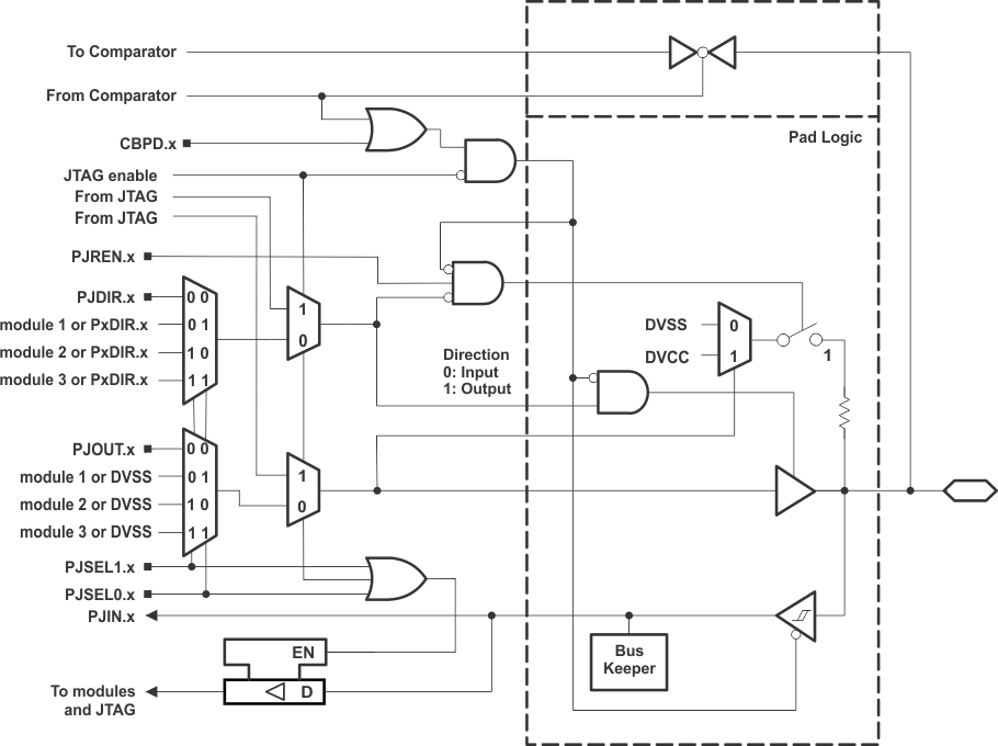
Port PJ (PJ.0 to PJ.3) JTAG Pins TDO, TMS, TCK, TDI/TCLK, Input/Output With Schmitt Trigger

Figure 6-20 shows the port diagram. Table 6-42 summarizes the selection of the pin function.

MSP430FR6047 MSP430FR60471 MSP430FR6045 MSP430FR6037 MSP430FR60371 MSP430FR6035 IO_schem_pj_0123.gif

NOTE:

Functional representation only.
Figure 6-20 Port PJ (PJ.0 to PJ.3) Diagram

Table 6-42 Port PJ (PJ.0 to PJ.3) Pin Functions

PIN NAME (PJ.x) x FUNCTION CONTROL BITS/ SIGNALS(1)
PJDIR.x PJSEL1.x PJSEL0.x CEPDx (Cx)
PJ.0/TDO/ACLK/SRSCG1/DMAE0/C10 0 PJ.0 (I/O)(2) I: 0; O: 1 0 0 0
TDO(3) X X X 0
N/A 0 0 1 0
ACLK 1
N/A 0 1 0 0
CPU Status Register Bit SCG1 1
DMAE0 0 1 1 0
Internally tied to DVSS 1
C10(5) X X X 1
PJ.1/TDI/TCLK/SMCLK/SRSCG0/TA4CLK/C11 1 PJ.1 (I/O)(2) I: 0; O: 1 0 0 0
TDI/TCLK(3)(4) X X X 0
N/A 0 0 1 0
SMCLK 1
N/A 0 1 0 0
CPU Status Register Bit SCG0 1
TA4CLK 0 1 1 0
Internally tied to DVSS 1
C11(5) X X X 1
PJ.2/TMS/MCLK/SROSCOFF/TB0OUTH/C12 2 PJ.2 (I/O)(2) I: 0; O: 1 0 0 0
TMS(3)(4) X X X 0
N/A 0 0 1 0
MCLK 1
N/A 0 1 0 0
CPU Status Register Bit OSCOFF 1
TB0OUTH 0 1 1 0
Internally tied to DVSS 1
C12(5) X X X 1
PJ.3/TCK/RTCCLK/SRCPUOFF/TB0.6/C13 3 PJ.3 (I/O)(2) I: 0; O: 1 0 0 0
TCK(3)(4) X X X 0
N/A 0 0 1 0
RTCCLK 1
N/A 0 1 0 0
CPU Status Register Bit CPUOFF 1
TB0.CCI6A 0 1 1 0
TB0.6 1
C13(5) X X X 1
X = Don't care
Default condition
The pin direction is controlled by the JTAG module. JTAG mode selection is made through the SYS module or by the Spy-Bi-Wire four-wire entry sequence. Neither PJSEL1.x and PJSEL0.x nor CEPDx bits have an effect in these cases.
In JTAG mode, pullups are activated automatically on TMS, TCK, and TDI/TCLK. PJREN.x are don't care.
Setting the CEPDx bit of the comparator disables the output driver and the input Schmitt trigger to prevent parasitic cross currents when applying analog signals. Selecting the Cx input pin to the comparator multiplexer with the input select bits in the comparator module automatically disables The output driver and input buffer for that pin, regardless of the state of the associated CEPDx bit.