ZHCSDG4A February   2015  – October 2018 MSP430F6720A , MSP430F6721A , MSP430F6723A , MSP430F6724A , MSP430F6725A , MSP430F6726A , MSP430F6730A , MSP430F6731A , MSP430F6733A , MSP430F6734A , MSP430F6735A , MSP430F6736A

PRODUCTION DATA.  

  1. 1器件概述
    1. 1.1 特性
    2. 1.2 应用
    3. 1.3 说明
    4. 1.4 功能框图
  2. 2修订历史记录
  3. 3Device Comparison
    1. 3.1 Related Products
  4. 4Terminal Configuration and Functions
    1. 4.1 Pin Diagrams
    2. 4.2 Pin Attributes
    3. 4.3 Signal Descriptions
      1. Table 4-5 Signal Descriptions, PZ Package
      2. Table 4-6 Signal Descriptions, PN Package
    4. 4.4 Pin Multiplexing
    5. 4.5 Buffer Type
    6. 4.6 Connection of Unused Pins
  5. 5Specifications
    1. 5.1 Absolute Maximum Ratings
    2. 5.2 ESD Ratings
    3. 5.3 Recommended Operating Conditions
    4. 5.4 Active Mode Supply Current Into VCC Excluding External Current
    5. 5.5 Low-Power Mode Supply Currents (Into VCC) Excluding External Current
    6. 5.6 Low-Power Mode With LCD Supply Currents (Into VCC) Excluding External Current
    7. 5.7 Thermal Resistance Characteristics
    8. 5.8 Timing and Switching Characteristics
      1. 5.8.1  Power Supply Sequencing
      2. 5.8.2  Reset Timing
        1. Table 5-1 Wake-up Times From Low-Power Modes and Reset
      3. 5.8.3  Clock Specifications
        1. Table 5-2 Crystal Oscillator, XT1, Low-Frequency Mode
        2. Table 5-3 Internal Very-Low-Power Low-Frequency Oscillator (VLO)
        3. Table 5-4 Internal Reference, Low-Frequency Oscillator (REFO)
        4. Table 5-5 DCO Frequency
      4. 5.8.4  Digital I/O Ports
        1. Table 5-6  Schmitt-Trigger Inputs, General-Purpose I/O
        2. Table 5-7  Inputs, Ports P1 and P2
        3. Table 5-8  Leakage Current, General-Purpose I/O
        4. Table 5-9  Outputs, General-Purpose I/O (Full Drive Strength)
        5. 5.8.4.1    Typical Characteristics, General-Purpose I/O (Full Drive Strength)
        6. Table 5-10 Outputs, General-Purpose I/O (Reduced Drive Strength)
        7. 5.8.4.2    Typical Characteristics, General-Purpose I/O (Reduced Drive Strength)
        8. Table 5-11 Output Frequency, General-Purpose I/O
      5. 5.8.5  Power-Management Module (PMM)
        1. Table 5-12 PMM, Brownout Reset (BOR)
        2. Table 5-13 PMM, Core Voltage
        3. Table 5-14 PMM, SVS High Side
        4. Table 5-15 PMM, SVM High Side
        5. Table 5-16 PMM, SVS Low Side
        6. Table 5-17 PMM, SVM Low Side
      6. 5.8.6  Auxiliary Supplies Module
        1. Table 5-18 Auxiliary Supplies, Recommended Operating Conditions
        2. Table 5-19 Auxiliary Supplies, AUX3 (Backup Subsystem) Currents
        3. Table 5-20 Auxiliary Supplies, Auxiliary Supply Monitor
        4. Table 5-21 Auxiliary Supplies, Switch ON-Resistance
        5. Table 5-22 Auxiliary Supplies, Switching Time
        6. Table 5-23 Auxiliary Supplies, Switch Leakage
        7. Table 5-24 Auxiliary Supplies, Auxiliary Supplies to ADC10_A
        8. Table 5-25 Auxiliary Supplies, Charge-Limiting Resistor
      7. 5.8.7  Timer_A Module
        1. Table 5-26 Timer_A
      8. 5.8.8  eUSCI Module
        1. Table 5-27 eUSCI (UART Mode) Clock Frequency
        2. Table 5-28 eUSCI (UART Mode) Switching Characteristics
        3. Table 5-29 eUSCI (SPI Master Mode) Clock Frequency
        4. Table 5-30 eUSCI (SPI Master Mode) Switching Characteristics
        5. Table 5-31 eUSCI (SPI Slave Mode)
        6. Table 5-32 eUSCI (I2C Mode)
      9. 5.8.9  LCD Controller
        1. Table 5-33 LCD_C Operating Conditions
        2. Table 5-34 LCD_C Electrical Characteristics
      10. 5.8.10 SD24_B Module
        1. Table 5-35 SD24_B Power Supply and Recommended Operating Conditions
        2. Table 5-36 SD24_B Analog Input
        3. Table 5-37 SD24_B Supply Currents
        4. Table 5-38 SD24_B Performance
        5. Table 5-39 SD24_B AC Performance
        6. Table 5-40 SD24_B AC Performance
        7. Table 5-41 SD24_B AC Performance
        8. Table 5-42 SD24_B External Reference Input
      11. 5.8.11 ADC10_A Module
        1. Table 5-43 10-Bit ADC, Power Supply and Input Range Conditions
        2. Table 5-44 10-Bit ADC, Timing Parameters
        3. Table 5-45 10-Bit ADC, Linearity Parameters
        4. Table 5-46 10-Bit ADC, External Reference
      12. 5.8.12 REF Module
        1. Table 5-47 REF, Built-In Reference
      13. 5.8.13 Flash
        1. Table 5-48 Flash Memory
      14. 5.8.14 Emulation and Debug
        1. Table 5-49 JTAG and Spy-Bi-Wire Interface
  6. 6Detailed Description
    1. 6.1  Overview
    2. 6.2  CPU
    3. 6.3  Instruction Set
    4. 6.4  Operating Modes
    5. 6.5  Interrupt Vector Addresses
    6. 6.6  Bootloader (BSL)
    7. 6.7  JTAG Operation
      1. 6.7.1 JTAG Standard Interface
      2. 6.7.2 Spy-Bi-Wire Interface
    8. 6.8  Flash Memory
    9. 6.9  RAM
    10. 6.10 Backup RAM
    11. 6.11 Peripherals
      1. 6.11.1  Oscillator and System Clock
      2. 6.11.2  Power-Management Module (PMM)
      3. 6.11.3  Auxiliary Supply System
      4. 6.11.4  Backup Subsystem
      5. 6.11.5  Digital I/O
      6. 6.11.6  Port Mapping Controller
      7. 6.11.7  System Module (SYS)
      8. 6.11.8  Watchdog Timer (WDT_A)
      9. 6.11.9  DMA Controller
      10. 6.11.10 CRC16
      11. 6.11.11 Hardware Multiplier
      12. 6.11.12 Enhanced Universal Serial Communication Interface (eUSCI)
      13. 6.11.13 ADC10_A
      14. 6.11.14 SD24_B
      15. 6.11.15 TA0
      16. 6.11.16 TA1
      17. 6.11.17 TA2
      18. 6.11.18 TA3
      19. 6.11.19 SD24_B Triggers
      20. 6.11.20 ADC10_A Triggers
      21. 6.11.21 Real-Time Clock (RTC_C)
      22. 6.11.22 Reference (REF) ModuleVoltage Reference
      23. 6.11.23 LCD_C
      24. 6.11.24 Embedded Emulation Module (EEM) (S Version)
    12. 6.12 Input/Output Diagrams
      1. 6.12.1  Port P1 (P1.0 and P1.1) Input/Output With Schmitt Trigger (MSP430F67xxAIPZ and MSP430F67xxAIPN)
      2. 6.12.2  Port P1 (P1.2) Input/Output With Schmitt Trigger (MSP430F67xxAIPZ and MSP430F67xxAIPN)
      3. 6.12.3  Port P1 (P1.3 to P1.5) Input/Output With Schmitt Trigger (MSP430F67xxAIPZ and MSP430F67xxAIPN)
      4. 6.12.4  Port P1 (P1.6 and P1.7) (MSP430F67xxAIPZ and MSP430F67xxAIPN) and Port P2 (P2.0 and P2.1) (MSP430F67xxAIPZ Only) Input/Output With Schmitt Trigger
      5. 6.12.5  Port P2 (P2.2 to P2.7) Input/Output With Schmitt Trigger (MSP430F67xxAIPZ Only)
      6. 6.12.6  Port P3 (P3.0 to P3.3) Input/Output With Schmitt Trigger (MSP430F67xxAIPZ Only)
      7. 6.12.7  Port P3 (P3.4 to P3.7) Input/Output With Schmitt Trigger (MSP430F67xxAIPZ Only)
      8. 6.12.8  Port P4 (P4.0 to P4.7), Port P5 (P5.0 to P5.7), Port P6 (P6.0 to P6.7), Port P7 (P7.0 to P7.7), Port P8 (P8.0 to P8.3) Input/Output With Schmitt Trigger (MSP430F67xxAIPZ Only)
      9. 6.12.9  Port P8 (P8.4 to P8.7) Input/Output With Schmitt Trigger (MSP430F67xxAIPZ Only)
      10. 6.12.10 Port P9 (P9.0) Input/Output With Schmitt Trigger (MSP430F67xxAIPZ Only)
      11. 6.12.11 Port P9 (P9.1 to P9.3) Input/Output With Schmitt Trigger (MSP430F67xxAIPZ Only)
      12. 6.12.12 Port P2 (P2.0 and P2.1) Input/Output With Schmitt Trigger (MSP430F67xxAIPN Only)
      13. 6.12.13 Port P2 (P2.2 to P2.7) Input/Output With Schmitt Trigger (MSP430F67xxAIPN Only)
      14. 6.12.14 Port P3 (P3.0 to P3.7) Input/Output With Schmitt Trigger (MSP430F67xxAIPN Only)
      15. 6.12.15 Port P4 (P4.0 to P4.7), Port P5 (P5.0 to P5.7), Port P6 (P6.0 to P6.7) Input/Output With Schmitt Trigger (MSP430F67xxAIPN Only)
      16. 6.12.16 Port PJ (PJ.0) JTAG Pin TDO, Input/Output With Schmitt Trigger or Output
      17. 6.12.17 Port PJ (PJ.1 to PJ.3) JTAG Pins TMS, TCK, TDI/TCLK, Input/Output With Schmitt Trigger or Output
    13. 6.13 Device Descriptors (TLV)
    14. 6.14 Memory
      1. 6.14.1 Memory Organization
      2. 6.14.2 Peripheral File Map
    15. 6.15 Identification
      1. 6.15.1 Revision Identification
      2. 6.15.2 Device Identification
      3. 6.15.3 JTAG Identification
  7. 7Applications, Implementation, and Layout
  8. 8器件和文档支持
    1. 8.1  入门和后续步骤
    2. 8.2  Device Nomenclature
    3. 8.3  工具与软件
    4. 8.4  文档支持
    5. 8.5  相关链接
    6. 8.6  社区资源
    7. 8.7  商标
    8. 8.8  静电放电警告
    9. 8.9  Export Control Notice
    10. 8.10 Glossary
  9. 9机械、封装和可订购信息

封装选项

机械数据 (封装 | 引脚)
散热焊盘机械数据 (封装 | 引脚)
订购信息

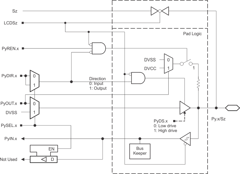
Port P4 (P4.0 to P4.7), Port P5 (P5.0 to P5.7), Port P6 (P6.0 to P6.7), Port P7 (P7.0 to P7.7), Port P8 (P8.0 to P8.3) Input/Output With Schmitt Trigger (MSP430F67xxAIPZ Only)

Figure 6-9 shows the port diagram. Table 6-25 through Table 6-29 summarize the selection of the pin functions.

MSP430F6736A MSP430F6735A MSP430F6734A MSP430F6733A MSP430F6731A MSP430F6730A MSP430F6726A MSP430F6725A MSP430F6724A MSP430F6723A MSP430F6721A MSP430F6720A p4_p5_p6_p7_p8_0123_pz_slase46.gifFigure 6-9 Port P4 (P4.0 to P4.7), Port P5 (P5.0 to P5.7), Port P6 (P6.0 to P6.7), Port P7 (P7.0 to P7.7), Port P8 (P8.0 to P8.3) Diagram (MSP430F67xxAIPZ Only)

Table 6-25 Port P4 (P4.0 to P4.7) Pin Functions (MSP430F67xxAIPZ Only)

PIN NAME (P4.x) x FUNCTION CONTROL BITS OR SIGNALS(2)
P4DIR.x P4SEL.x LCDS35... LCDS28
P4.0/S35 0 P4.0 (I/O) I: 0; O: 1 0 0
N/A 0 1 0
DVSS 1 1 0
S35 X X 1
P4.1/S34 1 P4.1 (I/O) I: 0; O: 1 0 0
N/A 0 1 0
DVSS 1 1 0
S34 X X 1
P4.2/S33 2 P4.2 (I/O) I: 0; O: 1 0 0
N/A 0 1 0
DVSS 1 1 0
S33 X X 1
P4.3/S32 3 P4.3 (I/O) I: 0; O: 1 0 0
N/A 0 1 0
DVSS 1 1 0
S32 X X 1
P4.4/S31 4 P4.4 (I/O) I: 0; O: 1 0 0
N/A 0 1 0
DVSS 1 1 0
S31 X X 1
P4.5/S30 5 P4.5 (I/O) I: 0; O: 1 0 0
N/A 0 1 0
DVSS 1 1 0
S30 X X 1
P4.6/S29 6 P4.6 (I/O) I: 0; O: 1 0 0
N/A 0 1 0
DVSS 1 1 0
S29 X X 1
P4.7/S28 7 P4.7 (I/O) I: 0; O: 1 0 0
N/A 0 1 0
DVSS 1 1 0
S28 X X 1

Table 6-26 Port P5 (P5.0 to P5.7) Pin Functions (MSP430F67xxAIPZ Only)

PIN NAME (P5.x) x FUNCTION CONTROL BITS OR SIGNALS(2)
P5DIR.x P5SEL.x LCDS27... LCDS20
P5.0/S27 0 P5.0 (I/O) I: 0; O: 1 0 0
N/A 0 1 0
DVSS 1 1 0
S27 X X 1
P5.1/S26 1 P5.1 (I/O) I: 0; O: 1 0 0
N/A 0 1 0
DVSS 1 1 0
S26 X X 1
P5.2/S25 2 P5.2 (I/O) I: 0; O: 1 0 0
N/A 0 1 0
DVSS 1 1 0
S25 X X 1
P5.3/S24 3 P5.3 (I/O) I: 0; O: 1 0 0
N/A 0 1 0
DVSS 1 1 0
S24 X X 1
P5.4/S23 4 P5.4 (I/O) I: 0; O: 1 0 0
N/A 0 1 0
DVSS 1 1 0
S23 X X 1
P5.5/S22 5 P5.5 (I/O) I: 0; O: 1 0 0
N/A 0 1 0
DVSS 1 1 0
S22 X X 1
P5.6/S21 6 P5.6 (I/O) I: 0; O: 1 0 0
N/A 0 1 0
DVSS 1 1 0
S21 X X 1
P5.7/S20 7 P5.7 (I/O) I: 0; O: 1 0 0
N/A 0 1 0
DVSS 1 1 0
S20 X X 1

Table 6-27 Port P6 (P6.0 to P6.7) Pin Functions (MSP430F67xxAIPZ Only)

PIN NAME (P6.x) x FUNCTION CONTROL BITS OR SIGNALS(2)
P6DIR.x P6SEL.x LCDS19... LCDS12
P6.0/S19 0 P6.0 (I/O) I: 0; O: 1 0 0
N/A 0 1 0
DVSS 1 1 0
S19 X X 1
P6.1/S18 1 P6.1 (I/O) I: 0; O: 1 0 0
N/A 0 1 0
DVSS 1 1 0
S18 X X 1
P6.2/S17 2 P6.2 (I/O) I: 0; O: 1 0 0
N/A 0 1 0
DVSS 1 1 0
S17 X X 1
P6.3/S16 3 P6.3 (I/O) I: 0; O: 1 0 0
N/A 0 1 0
DVSS 1 1 0
S16 X X 1
P6.4/S15 4 P6.4 (I/O) I: 0; O: 1 0 0
N/A 0 1 0
DVSS 1 1 0
S15 X X 1
P6.5/S14 5 P6.5 (I/O) I: 0; O: 1 0 0
N/A 0 1 0
DVSS 1 1 0
S14 X X 1
P6.6/S13 6 P6.6 (I/O) I: 0; O: 1 0 0
N/A 0 1 0
DVSS 1 1 0
S13 X X 1
P6.7/S12 7 P6.7 (I/O) I: 0; O: 1 0 0
N/A 0 1 0
DVSS 1 1 0
S12 X X 1

Table 6-28 Port P7 (P7.0 to P7.7) Pin Functions (MSP430F67xxAIPZ Only)

PIN NAME (P7.x) x FUNCTION CONTROL BITS OR SIGNALS(2)
P7DIR.x P7SEL.x LCDS11... LCDS4
P7.0/S11 0 P7.0 (I/O) I: 0; O: 1 0 0
N/A 0 1 0
DVSS 1 1 0
S11 X X 1
P7.1/S10 1 P7.1 (I/O) I: 0; O: 1 0 0
N/A 0 1 0
DVSS 1 1 0
S10 X X 1
P7.2/S9 2 P7.2 (I/O) I: 0; O: 1 0 0
N/A 0 1 0
DVSS 1 1 0
S9 X X 1
P7.3/S8 3 P7.3 (I/O) I: 0; O: 1 0 0
N/A 0 1 0
DVSS 1 1 0
S8 X X 1
P7.4/S7 4 P7.4 (I/O) I: 0; O: 1 0 0
N/A 0 1 0
DVSS 1 1 0
S7 X X 1
P7.5/S6 5 P7.5 (I/O) I: 0; O: 1 0 0
N/A 0 1 0
DVSS 1 1 0
S6 X X 1
P7.6/S5 6 P7.6 (I/O) I: 0; O: 1 0 0
N/A 0 1 0
DVSS 1 1 0
S5 X X 1
P7.7/S4 7 P7.7 (I/O) I: 0; O: 1 0 0
N/A 0 1 0
DVSS 1 1 0
S4 X X 1

Table 6-29 Port P8 (P8.0 to P8.3) Pin Functions (MSP430F67xxAIPZ Only)

PIN NAME (P8.x) x FUNCTION CONTROL BITS OR SIGNALS(2)
P8DIR.x P8SEL.x LCDS3... LCDS0
P8.0/S3 0 P8.0 (I/O) I: 0; O: 1 0 0
N/A 0 1 0
DVSS 1 1 0
S3 X X 1
P8.1/S2 1 P8.1 (I/O) I: 0; O: 1 0 0
N/A 0 1 0
DVSS 1 1 0
S2 X X 1
P8.2/S1 2 P8.2 (I/O) I: 0; O: 1 0 0
N/A 0 1 0
DVSS 1 1 0
S1 X X 1
P8.3/S0 3 P8.3 (I/O) I: 0; O: 1 0 0
N/A 0 1 0
DVSS 1 1 0
S0 X X 1