ZHCSER2D May   2013  – October 2020 MSP430F5252 , MSP430F5253 , MSP430F5254 , MSP430F5255 , MSP430F5256 , MSP430F5257 , MSP430F5258 , MSP430F5259

PRODUCTION DATA  

  1. 特性
  2. 应用
  3. 说明
  4. Functional Block Diagram
  5. Revision History
  6. Device Comparison
    1. 6.1 Related Products
  7. Terminal Configuration and Functions
    1. 7.1 Pin Diagrams
    2. 7.2 Signal Descriptions
  8. Specifications
    1. 8.1  Absolute Maximum Ratings
    2. 8.2  ESD Ratings
    3. 8.3  Recommended Operating Conditions
    4. 8.4  Active Mode Supply Current Into VCC Excluding External Current
    5. 8.5  Low-Power Mode Supply Currents (Into VCC) Excluding External Current
    6. 8.6  Thermal Resistance Characteristics
    7. 8.7  Schmitt-Trigger Inputs – General-Purpose I/O DVCC Domain (P5.0 to P5.5, P6.0 to P6.7, PJ.0 to PJ.3, RSTDVCC)
    8. 8.8  Schmitt-Trigger Inputs – General-Purpose I/O DVIO Domain (P1.0 to P1.7, P2.0 to P2.7, P3.0 to P3.4, P4.0 to P4.7, P7.0 to P7.5, RST/NMI, BSLEN)
    9. 8.9  Inputs – Interrupts DVCC Domain Port P6 (P6.0 to P6.7)
    10. 8.10 Inputs – Interrupts DVIO Domain Ports P1 and P2 (P1.0 to P1.7, P2.0 to P2.7)
    11. 8.11 Leakage Current – General-Purpose I/O DVCC Domain (P5.0 to P5.5, P6.0 to P6.7, PJ.0 to PJ.3)
    12. 8.12 Leakage Current – General-Purpose I/O DVIO Domain (P1.0 to P1.7, P2.0 to P2.7, P3.0 to P3.4, P4.0 to P4.7, P7.0 to P7.5)
    13. 8.13 Outputs – General-Purpose I/O DVCC Domain (Full Drive Strength) (P5.0 to P5.5, P6.0 to P6.7, PJ.0 to PJ.3)
    14. 8.14 Outputs – General-Purpose I/O DVCC Domain (Reduced Drive Strength) (P5.0 to P5.5, P6.0 to P6.7, PJ.0 to PJ.3)
    15. 8.15 Outputs – General-Purpose I/O DVIO Domain (Full Drive Strength) (P1.0 to P1.7, P2.0 to P2.7, P3.0 to P3.4, P4.0 to P4.7, P7.0 to P7.5)
    16. 8.16 Outputs – General-Purpose I/O DVIO Domain (Reduced Drive Strength) (P1.0 to P1.7, P2.0 to P2.7, P3.0 to P3.4, P4.0 to P4.7, P7.0 to P7.5)
    17. 8.17 Output Frequency – General-Purpose I/O DVCC Domain (P5.0 to P5.5, P6.0 to P6.7, PJ.0 to PJ.3)
    18. 8.18 Output Frequency – General-Purpose I/O DVIO Domain (P1.0 to P1.7, P2.0 to P2.7, P3.0 to P3.4, P4.0 to P4.7, P7.0 to P7.5)
    19. 8.19 Typical Characteristics – Outputs, Reduced Drive Strength (PxDS.y = 0)
    20. 8.20 Typical Characteristics – Outputs, Full Drive Strength (PxDS.y = 1)
    21. 8.21 Crystal Oscillator, XT1, Low-Frequency Mode
    22. 8.22 Crystal Oscillator, XT2
    23. 8.23 Internal Very-Low-Power Low-Frequency Oscillator (VLO)
    24. 8.24 Internal Reference, Low-Frequency Oscillator (REFO)
    25. 8.25 DCO Frequency
    26. 8.26 PMM, Brownout Reset (BOR)
    27. 8.27 PMM, Core Voltage
    28. 8.28 PMM, SVS High Side
    29. 8.29 PMM, SVM High Side
    30. 8.30 PMM, SVS Low Side
    31. 8.31 PMM, SVM Low Side
    32. 8.32 Wake-up Times From Low-Power Modes and Reset
    33. 8.33 Timer_A
    34. 8.34 Timer_B
    35. 8.35 USCI (UART Mode) Clock Frequency
    36. 8.36 USCI (UART Mode)
    37. 8.37 USCI (SPI Master Mode) Clock Frequency
    38. 8.38 USCI (SPI Master Mode)
    39. 8.39 USCI (SPI Slave Mode)
    40. 8.40 USCI (I2C Mode)
    41. 8.41 10-Bit ADC, Power Supply and Input Range Conditions
    42. 8.42 10-Bit ADC, Timing Parameters
    43. 8.43 10-Bit ADC, Linearity Parameters
    44. 8.44 REF, External Reference
    45. 8.45 REF, Built-In Reference
    46. 8.46 Comparator_B
    47. 8.47 Flash Memory
    48. 8.48 JTAG and Spy-Bi-Wire Interface
    49. 8.49 DVIO BSL Entry
  9. Detailed Description
    1. 9.1  CPU
    2. 9.2  Operating Modes
    3. 9.3  Interrupt Vector Addresses
    4. 9.4  Memory Organization
    5. 9.5  Bootloader (BSL)
      1. 9.5.1 Bootloader – I2C
      2. 9.5.2 Bootloader – UART
    6. 9.6  JTAG Operation
      1. 9.6.1 JTAG Standard Interface
      2. 9.6.2 Spy-Bi-Wire Interface
    7. 9.7  Flash Memory
    8. 9.8  RAM
    9. 9.9  Peripherals
      1. 9.9.1  Digital I/O
      2. 9.9.2  Port Mapping Controller
      3. 9.9.3  Oscillator and System Clock
      4. 9.9.4  Power-Management Module (PMM)
      5. 9.9.5  Hardware Multiplier
      6. 9.9.6  Real-Time Clock (RTC_A)
      7. 9.9.7  Watchdog Timer (WDT_A)
      8. 9.9.8  System Module (SYS)
      9. 9.9.9  DMA Controller
      10. 9.9.10 Universal Serial Communication Interface (USCI)
      11. 9.9.11 TA0
      12. 9.9.12 TA1
      13. 9.9.13 TA2
      14. 9.9.14 TB0
      15. 9.9.15 Comparator_B
      16. 9.9.16 ADC10_A
      17. 9.9.17 CRC16
      18. 9.9.18 Reference (REF) Module Voltage Reference
      19. 9.9.19 Embedded Emulation Module (EEM) (S Version)
      20. 9.9.20 Peripheral File Map
    10. 9.10 Input/Output Diagrams
      1. 9.10.1  Port P1 (P1.0 to P1.7) Input/Output With Schmitt Trigger
      2. 9.10.2  Port P2 (P2.0 to P2.7) Input/Output With Schmitt Trigger
      3. 9.10.3  Port P3 (P3.0 to P3.4) Input/Output With Schmitt Trigger
      4. 9.10.4  Port P4 (P4.0 to P4.7) Input/Output With Schmitt Trigger
      5. 9.10.5  Port P5 (P5.0 and P5.1) Input/Output With Schmitt Trigger
      6. 9.10.6  Port P5 (P5.2 and P5.3) Input/Output With Schmitt Trigger
      7. 9.10.7  Port P5 (P5.4 and P5.5) Input/Output With Schmitt Trigger
      8. 9.10.8  Port P6 (P6.0 to P6.7) Input/Output With Schmitt Trigger
      9. 9.10.9  Port P7 (P7.0 to P7.5) Input/Output With Schmitt Trigger
      10. 9.10.10 Port J (PJ.0) JTAG Pin TDO, Input/Output With Schmitt Trigger or Output
      11. 9.10.11 Port J (PJ.1 to PJ.3) JTAG Pins TMS, TCK, TDI/TCLK, Input/Output With Schmitt Trigger or Output
    11. 9.11 Device Descriptors
  10. 10Device and Documentation Support
    1. 10.1  Getting Started and Next Steps
    2. 10.2  Device Nomenclature
    3. 10.3  Tools and Software
    4. 10.4  Documentation Support
    5. 10.5  Related Links
    6. 10.6  支持资源
    7. 10.7  Trademarks
    8. 10.8  静电放电警告
    9. 10.9  Export Control Notice
    10. 10.10 术语表
  11. 11Mechanical, Packaging, and Orderable Information

封装选项

机械数据 (封装 | 引脚)
散热焊盘机械数据 (封装 | 引脚)
订购信息

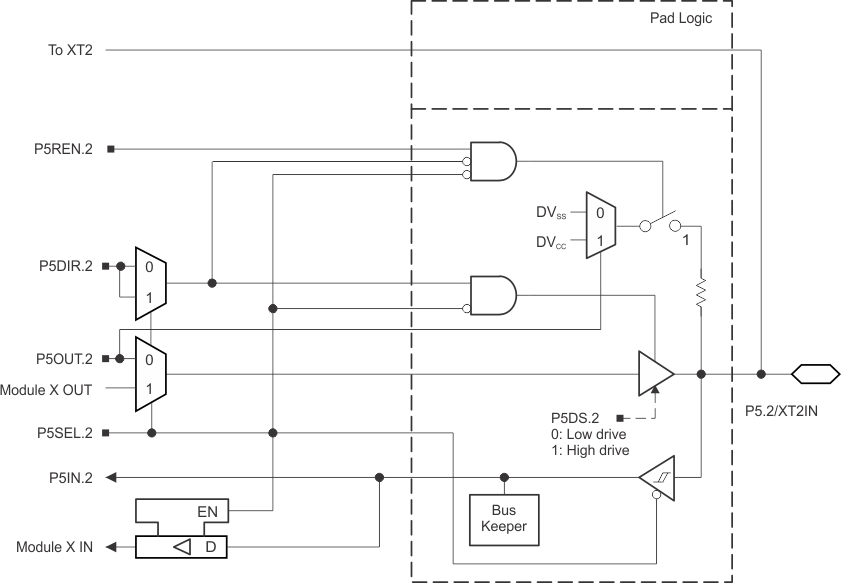
Port P5 (P5.2 and P5.3) Input/Output With Schmitt Trigger

Figure 9-7 and Figure 9-8 show the port diagrams. Table 9-54 summarizes the selection of the pin function.

GUID-BB854A3C-1860-4DCF-B5B2-33DF71E3BA13-low.gifFigure 9-7 Port P5 (P5.2) Diagram
GUID-9FC70149-42CE-42AE-B21D-30DCF3200232-low.gifFigure 9-8 Port P5 (P5.3) Diagram
Table 9-54 Port P5 (P5.2 and P5.3) Pin Functions
PIN NAME (P5.x)xFUNCTIONCONTROL BITS OR SIGNALS(1)
P5DIR.xP5SEL.2P5SEL.3XT2BYPASS
P5.2/XT2IN2P5.2 (I/O)I: 0; O: 10XX
XT2IN crystal mode(2)X1X0
XT2IN bypass mode(2)X1X1
P5.3/XT2OUT3P5.3 (I/O)I: 0; O: 100X
XT2OUT crystal mode(3)X1X0
P5.3 (I/O)(3)X101
X = Don't care
Setting P5SEL.2 causes the general-purpose I/O to be disabled. Pending the setting of XT2BYPASS, P5.2 is configured for crystal mode or bypass mode.
Setting P5SEL.2 causes the general-purpose I/O to be disabled in crystal mode. When using bypass mode, P5.3 can be used as general-purpose I/O.