ZHCSIE3B June   2018  – May 2019 LMZM33606

PRODUCTION DATA.  

  1. 特性
  2. 应用
    1.     简化电路原理图
  3. 说明
    1.     最小解决方案尺寸
    2.     典型效率(自动模式)
  4. 修订历史记录
  5. Pin Configuration and Functions
    1.     Pin Functions
  6. Specifications
    1. 6.1 Absolute Maximum Ratings
    2. 6.2 ESD Ratings
    3. 6.3 Recommended Operating Conditions
    4. 6.4 Thermal Information
    5. 6.5 Electrical Characteristics
    6. 6.6 Switching Characteristics
    7. 6.7 Typical Characteristics (VIN = 12 V)
    8. 6.8 Typical Characteristics (VIN = 24 V)
    9. 6.9 Typical Characteristics (VIN = 36 V)
  7. Detailed Description
    1. 7.1 Overview
    2. 7.2 Functional Block Diagram
    3. 7.3 Feature Description
      1. 7.3.1  Adjusting the Output Voltage
      2. 7.3.2  Input Capacitor Selection
      3. 7.3.3  Output Capacitor Selection
      4. 7.3.4  Transient Response
      5. 7.3.5  Feed-Forward Capacitor
      6. 7.3.6  Switching Frequency (RT)
      7. 7.3.7  Synchronization (SYNC/MODE)
      8. 7.3.8  Output Enable (EN)
      9. 7.3.9  Programmable System UVLO (EN)
      10. 7.3.10 Internal LDO and BIAS_SEL
      11. 7.3.11 Power Good (PGOOD) and Power Good Pull-Up (PGOOD_PU)
      12. 7.3.12 Mode Select (Auto or FPWM)
      13. 7.3.13 Soft Start and Voltage Tracking
      14. 7.3.14 Voltage Dropout
      15. 7.3.15 Overcurrent Protection (OCP)
      16. 7.3.16 Thermal Shutdown
    4. 7.4 Device Functional Modes
      1. 7.4.1 Active Mode
      2. 7.4.2 Auto Mode
      3. 7.4.3 FPWM Mode
      4. 7.4.4 Shutdown Mode
  8. Application and Implementation
    1. 8.1 Application Information
    2. 8.2 Typical Application
      1. 8.2.1 Design Requirements
      2. 8.2.2 Detailed Design Procedure
        1. 8.2.2.1 Output Voltage Setpoint
        2. 8.2.2.2 Setting the Switching Frequency
        3. 8.2.2.3 Input Capacitors
        4. 8.2.2.4 Output Capacitor Selection
        5. 8.2.2.5 Feed-Forward Capacitor (CFF)
        6. 8.2.2.6 Application Curves
  9. Power Supply Recommendations
  10. 10Layout
    1. 10.1 Layout Guidelines
    2. 10.2 Layout Example
    3. 10.3 Theta JA vs PCB Area
    4. 10.4 Package Specifications
    5. 10.5 EMI
      1. 10.5.1 EMI Plots
  11. 11器件和文档支持
    1. 11.1 器件支持
      1. 11.1.1 第三方产品免责声明
    2. 11.2 接收文档更新通知
    3. 11.3 社区资源
    4. 11.4 商标
    5. 11.5 静电放电警告
    6. 11.6 Glossary
  12. 12机械、封装和可订购信息
    1. 12.1 Tape and Reel Information

封装选项

请参考 PDF 数据表获取器件具体的封装图。

机械数据 (封装 | 引脚)
  • RLX|41
散热焊盘机械数据 (封装 | 引脚)
订购信息

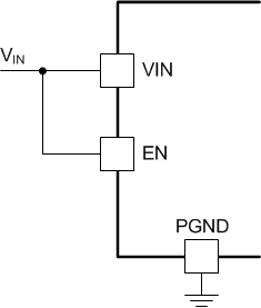
Output Enable (EN)

The voltage on the EN pin provides electrical ON/OFF control of the device. Once the EN pin voltage exceeds the threshold voltage, the device starts operation. If the EN pin voltage is pulled below the threshold voltage, the regulator stops switching and enters low quiescent current state.

The EN pin cannot be open circuit or floating. The simplest way to enable the operation of the LMZM33606 is to connect the EN pin to VIN directly as shown in Figure 33. This allows self-start-up of the LMZM33606 when VIN reaches the turn-on threshold.

If an application requires controlling the EN pin, an external logic signal can be used to drive EN pin as shown in Figure 34. Applications using an open drain/collector device to interface with this pin require a pull-up resistor to a voltage above the enable threshold.

LMZM33606 OrbEN.gifFigure 33. Enabling the Device
LMZM33606 OrbENlogic.gifFigure 34. Typical Enable Control