ZHCSK16A October   2017  – July 2019 LMK04228

PRODUCTION DATA.  

  1. 特性
  2. 应用
  3. 说明
    1.     简化原理图
  4. 修订历史记录
  5. Device Comparison Table
  6. Pin Configuration and Functions
    1.     Pin Functions
  7. Specifications
    1. 7.1 Absolute Maximum Ratings
    2. 7.2 ESD Ratings
    3. 7.3 Recommended Operating Conditions
    4. 7.4 Thermal Information
    5. 7.5 Electrical Characteristics
    6. 7.6 SPI Interface Timing
    7. 7.7 Timing Diagram
  8. Parameter Measurement Information
    1. 8.1 Charge Pump Current Specification Definitions
      1. 8.1.1 Charge Pump Output Current Magnitude Variation vs. Charge Pump Output Voltage
      2. 8.1.2 Charge Pump Sink Current vs. Charge Pump Output Source Current Mismatch
      3. 8.1.3 Charge Pump Output Current Magnitude Variation vs. Ambient Temperature
    2. 8.2 Differential Voltage Measurement Terminology
  9. Detailed Description
    1. 9.1 Overview
      1. 9.1.1 Jitter Cleaning
      2. 9.1.2 JEDEC JESD204B Support
      3. 9.1.3 Three PLL1 Redundant Reference Inputs (CLKin0/CLKin0*, CLKin1/CLKin1*, and CLKin2/CLKin2*)
      4. 9.1.4 VCXO- and Crystal-Buffered Output
      5. 9.1.5 Frequency Holdover
      6. 9.1.6 PLL2 Integrated Loop Filter Poles
      7. 9.1.7 Internal VCOs
      8. 9.1.8 Clock Distribution
        1. 9.1.8.1 Device Clock Divider
        2. 9.1.8.2 SYSREF Clock Divider
        3. 9.1.8.3 Device Clock Delay
        4. 9.1.8.4 SYSREF Delay
        5. 9.1.8.5 Programmable Output Formats
        6. 9.1.8.6 Clock Output Synchronization
      9. 9.1.9 Status Pins
    2. 9.2 Functional Block Diagrams
    3. 9.3 Feature Description
      1. 9.3.1 SYNC/SYSREF
      2. 9.3.2 JEDEC JESD204B
        1. 9.3.2.1 How to Enable SYSREF
          1. 9.3.2.1.1 Setup of SYSREF Example
          2. 9.3.2.1.2 SYSREF_CLR
        2. 9.3.2.2 SYSREF Modes
          1. 9.3.2.2.1 SYSREF Pulser
          2. 9.3.2.2.2 Continuous SYSREF
          3. 9.3.2.2.3 SYSREF Request
      3. 9.3.3 Digital Delay
        1. 9.3.3.1 Fixed Digital Delay
          1. 9.3.3.1.1 Fixed Digital Delay Example
      4. 9.3.4 SYSREF to Device Clock Alignment
      5. 9.3.5 Input Clock Switching
        1. 9.3.5.1 Input Clock Switching - Manual Mode
        2. 9.3.5.2 Input Clock Switching - Pin Select Mode
          1. 9.3.5.2.1 Configuring Pin Select Mode
        3. 9.3.5.3 Input Clock Switching - Automatic Mode
          1. 9.3.5.3.1 Starting Active Clock
      6. 9.3.6 Digital Lock Detect
        1. 9.3.6.1 Calculating Digital Lock Detect Frequency Accuracy
      7. 9.3.7 Holdover
        1. 9.3.7.1 Enable Holdover
          1. 9.3.7.1.1 Fixed (Manual) CPout1 Holdover Mode
          2. 9.3.7.1.2 Tracked CPout1 Holdover Mode
        2. 9.3.7.2 During Holdover
        3. 9.3.7.3 Exiting Holdover
        4. 9.3.7.4 Holdover Frequency Accuracy and DAC Performance
        5. 9.3.7.5 Holdover Mode - Automatic Exit of Holdover
    4. 9.4 Programming
      1. 9.4.1 Recommended Programming Sequence
        1. 9.4.1.1 SPI LOCK
        2. 9.4.1.2 SYSREF_CLR
    5. 9.5 Register Maps
      1. 9.5.1 Register Map for Device Programming
      2. 9.5.2 Device Register Descriptions
        1. 9.5.2.1 System Functions
          1. 9.5.2.1.1 RESET, SPI_3WIRE_DIS
          2. 9.5.2.1.2 POWERDOWN
          3. 9.5.2.1.3 ID_DEVICE_TYPE
          4. 9.5.2.1.4 ID_PROD[15:8], ID_PROD
          5. 9.5.2.1.5 ID_MASKREV
          6. 9.5.2.1.6 ID_VNDR[15:8], ID_VNDR
        2. 9.5.2.2 (0x100 - 0x138) Device Clock and SYSREF Clock Output Controls
          1. 9.5.2.2.1 CLKoutX_Y_ODL, CLKoutX_Y_IDL, DCLKoutX_DIV
          2. 9.5.2.2.2 DCLKoutX_DDLY_CNTH, DCLKoutX_DDLY_CNTL
          3. 9.5.2.2.3 DCLKoutX_ADLY, DCLKoutX_ADLY_MUX, DCLKout_MUX
          4. 9.5.2.2.4 DCLKoutX_HS, SDCLKoutY_MUX, SDCLKoutY_DDLY, SDCLKoutY_HS
          5. 9.5.2.2.5 SDCLKoutY_ADLY_EN, SDCLKoutY_ADLY
          6. 9.5.2.2.6 DCLKoutX_DDLY_PD, DCLKout_ADLY_PD, DCLKoutX_Y_PD, SDCLKoutY_DIS_MODE, SDCLKoutY_PD
          7. 9.5.2.2.7 SDCLKoutY_POL, SDCLKoutY_FMT, DCLKoutX_POL, DCLKoutX_FMT
        3. 9.5.2.3 SYSREF, SYNC, and Device Config
          1. 9.5.2.3.1 VCO_MUX, OSCout_FMT
          2. 9.5.2.3.2 SYSREF_CLKin0_MUX, SYSREF_MUX
          3. 9.5.2.3.3 SYSREF_DIV[12:8], SYSREF_DIV[7:0]
          4. 9.5.2.3.4 SYSREF_DDLY[12:8], SYSREF_DDLY[7:0]
          5. 9.5.2.3.5 SYSREF_PULSE_CNT
          6. 9.5.2.3.6 PLL1_PD, VCO_LDO_PD, VCO_PD, OSCin_PD, SYSREF_GBL_PD, SYSREF_PD, SYSREF_DDLY_PD, SYSREF_PLSR_PD
          7. 9.5.2.3.7 SYSREF_CLR, SYNC_1SHOT_EN, SYNC_POL, SYNC_EN, SYNC_PLL2_DLD, SYNC_PLL1_DLD, SYNC_MODE
          8. 9.5.2.3.8 SYNC_DISSYSREF, SYNC_DISX
          9. 9.5.2.3.9 Fixed Register
        4. 9.5.2.4 (0x146 - 0x149) CLKin Control
          1. 9.5.2.4.1 CLKin2_EN, CLKin1_EN, CLKin0_EN, CLKin2_TYPE, CLKin1_TYPE, CLKin0_TYPE
          2. 9.5.2.4.2 CLKin_SEL_POL, CLKin_SEL_MODE, CLKin1_OUT_MUX, CLKin0_OUT_MUX
          3. 9.5.2.4.3 CLKin_SEL0_MUX, CLKin_SEL0_TYPE
          4. 9.5.2.4.4 SDIO_RDBK_TYPE, CLKin_SEL1_MUX, CLKin_SEL1_TYPE
        5. 9.5.2.5 RESET_MUX, RESET_TYPE
        6. 9.5.2.6 (0x14B - 0x152) Holdover
          1. 9.5.2.6.1 LOS_TIMEOUT, LOS_EN, TRACK_EN, HOLDOVER_FORCE, MAN_DAC_EN, MAN_DAC[9:8]
          2. 9.5.2.6.2 MAN_DAC[9:8], MAN_DAC[7:0]
          3. 9.5.2.6.3 DAC_TRIP_LOW
          4. 9.5.2.6.4 DAC_CLK_MULT, DAC_TRIP_HIGH
          5. 9.5.2.6.5 DAC_CLK_CNTR
          6. 9.5.2.6.6 CLKin_OVERRIDE, HOLDOVER_PLL1_DET, HOLDOVER_LOS_DET, HOLDOVER_VTUNE_DET, HOLDOVER_HITLESS_SWITCH, HOLDOVER_EN
          7. 9.5.2.6.7 HOLDOVER_DLD_CNT[13:8], HOLDOVER_DLD_CNT[7:0]
        7. 9.5.2.7 (0x153 - 0x15F) PLL1 Configuration
          1. 9.5.2.7.1 CLKin0_R[9:8], CLKin0_R[7:0]
          2. 9.5.2.7.2 CLKin1_R[9:8], CLKin1_R[7:0]
          3. 9.5.2.7.3 CLKin2_R[9:8], CLKin2_R[7:0]
          4. 9.5.2.7.4 PLL1_N
          5. 9.5.2.7.5 PLL1_WND_SIZE, PLL1_CP_TRI, PLL1_CP_POL, PLL1_CP_GAIN
          6. 9.5.2.7.6 PLL1_DLD_CNT[13:8], PLL1_DLD_CNT[7:0]
          7. 9.5.2.7.7 PLL1_LD_MUX, PLL1_LD_TYPE
        8. 9.5.2.8 (0x160 - 0x16E) PLL2 Configuration
          1. 9.5.2.8.1 PLL2_R[4:0]
          2. 9.5.2.8.2 PLL2_P, OSCin_FREQ, PLL2_XTAL_EN, PLL2_REF_2X_EN
          3. 9.5.2.8.3 PLL2_FCAL_DIS
          4. 9.5.2.8.4 PLL2_N
          5. 9.5.2.8.5 PLL2_WND_SIZE, PLL2_CP_GAIN, PLL2_CP_POL, PLL2_CP_TRI
          6. 9.5.2.8.6 SYSREF_REQ_EN, PLL2_DLD_CNT
          7. 9.5.2.8.7 PLL2_LF_R4, PLL2_LF_R3
          8. 9.5.2.8.8 PLL2_LF_C4, PLL2_LF_C3
          9. 9.5.2.8.9 PLL2_LD_MUX, PLL2_LD_TYPE
        9. 9.5.2.9 (0x16F - 0x1FFF) Misc Registers
          1. 9.5.2.9.1  Fixed Register
          2. 9.5.2.9.2  Fixed Register
          3. 9.5.2.9.3  PLL2_PRE_PD, PLL2_PD
          4. 9.5.2.9.4  OPT_REG_1
          5. 9.5.2.9.5  OPT_REG_2
          6. 9.5.2.9.6  RB_PLL1_LD_LOST, RB_PLL1_LD, CLR_PLL1_LD_LOST
          7. 9.5.2.9.7  RB_PLL2_LD_LOST, RB_PLL2_LD, CLR_PLL2_LD_LOST
          8. 9.5.2.9.8  RB_DAC_VALUE(MSB), RB_CLKinX_SEL, RB_CLKinX_LOS
          9. 9.5.2.9.9  RB_DAC_VALUE
          10. 9.5.2.9.10 RB_HOLDOVER
          11. 9.5.2.9.11 SPI_LOCK
  10. 10Application and Implementation
    1. 10.1 Application Information
      1. 10.1.1 Digital Lock Detect Frequency Accuracy
        1. 10.1.1.1 Minimum Lock Time Calculation Example
      2. 10.1.2 Driving CLKin AND OSCin Inputs
        1. 10.1.2.1 Driving CLKin PINS With a Differential Source
        2. 10.1.2.2 Driving CLKin Pins With a Single-Ended Source
    2. 10.2 Typical Application
      1. 10.2.1 Design Requirements
      2. 10.2.2 Detailed Design Procedure
        1. 10.2.2.1 Device Programming
    3. 10.3 Do's and Don'ts
      1. 10.3.1 Pin Connection Recommendations
  11. 11Power Supply Recommendations
    1. 11.1 Current Consumption / Power Dissipation Calculations
  12. 12Layout
    1. 12.1 Layout Guidelines
      1. 12.1.1 Thermal Management
    2. 12.2 Layout Example
  13. 13器件和文档支持
    1. 13.1 器件支持
      1. 13.1.1 TICS Pro
    2. 13.2 社区资源
    3. 13.3 商标
    4. 13.4 静电放电警告
    5. 13.5 Glossary
  14. 14机械、封装和可订购信息

封装选项

机械数据 (封装 | 引脚)
散热焊盘机械数据 (封装 | 引脚)
订购信息

Functional Block Diagrams

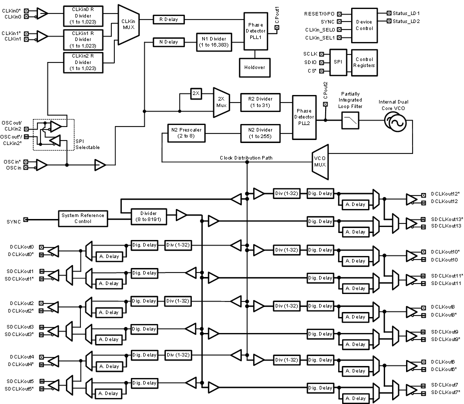
Figure 4 illustrate the complete LMK04228 block diagram.

LMK04228 fbd_30189001_SNAS689.gifFigure 4. Detailed LMK04228 Block Diagram
Figure 5. Device and SYSREF Clock Output Block
Figure 6. SYNC/SYSREF Clocking Paths