ZHCSV85 March   2024 LMG3425R050

PRODUCTION DATA  

  1.   1
  2. 特性
  3. 应用
  4. 说明
  5. 引脚配置和功能
  6. 规格
    1. 5.1 绝对最大额定值
    2. 5.2 ESD 等级
    3. 5.3 建议运行条件
    4. 5.4 热性能信息
    5. 5.5 电气特性
    6. 5.6 开关特性
    7. 5.7 典型特性
  7. 参数测量信息
    1. 6.1 开关参数
      1. 6.1.1 导通时间
      2. 6.1.2 关断时间
      3. 6.1.3 漏源导通压摆率
      4. 6.1.4 导通和关断开关能量
    2. 6.2 安全工作区(SOA)
      1. 6.2.1 重复性安全工作区
  8. 详细说明
    1. 7.1 概述
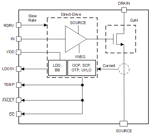
    2. 7.2 功能方框图
    3. 7.3 特性说明
      1. 7.3.1  GaN FET 操作定义
      2. 7.3.2  直接驱动 GaN 架构
      3. 7.3.3  漏源电压能力
      4. 7.3.4  内部降压/升压 DC-DC 转换器
      5. 7.3.5  VDD 偏置电源
      6. 7.3.6  辅助 LDO
      7. 7.3.7  故障保护
        1. 7.3.7.1 过流保护与短路保护
        2. 7.3.7.2 过温关断保护
        3. 7.3.7.3 UVLO 保护
        4. 7.3.7.4 高阻抗 RDRV 引脚保护
        5. 7.3.7.5 故障报告
      8. 7.3.8  驱动强度调整
      9. 7.3.9  温度传感输出
      10. 7.3.10 理想二极管模式操作
        1. 7.3.10.1 可操作的理想二极管模式
        2. 7.3.10.2 过热关断理想二极管模式
    4. 7.4 启动序列
    5. 7.5 器件功能模式
  9. 应用和实施
    1. 8.1 应用信息
    2. 8.2 典型应用
      1. 8.2.1 设计要求
      2. 8.2.2 详细设计过程
        1. 8.2.2.1 压摆率选择
        2. 8.2.2.2 信号电平转换
        3. 8.2.2.3 降压/升压转换器设计
      3. 8.2.3 应用曲线
    3. 8.3 注意事项
    4. 8.4 电源相关建议
      1. 8.4.1 使用隔离式电源
      2. 8.4.2 使用自举二极管
        1. 8.4.2.1 二极管选型
        2. 8.4.2.2 管理自举电压
    5. 8.5 布局
      1. 8.5.1 布局指南
        1. 8.5.1.1 焊点可靠性
        2. 8.5.1.2 电源环路电感
        3. 8.5.1.3 信号接地连接
        4. 8.5.1.4 旁路电容器
        5. 8.5.1.5 开关节点电容
        6. 8.5.1.6 信号完整性
        7. 8.5.1.7 高电压间距
        8. 8.5.1.8 热建议
      2. 8.5.2 布局示例
  10. 器件和文档支持
    1. 9.1 文档支持
      1. 9.1.1 相关文档
    2. 9.2 接收文档更新通知
    3. 9.3 支持资源
    4. 9.4 商标
    5. 9.5 静电放电警告
    6. 9.6 Export Control Notice
    7. 9.7 术语表
  11. 10修订历史记录
  12. 11机械、封装和可订购信息

封装选项

机械数据 (封装 | 引脚)
  • RQZ|54
散热焊盘机械数据 (封装 | 引脚)
订购信息

应用

LMG3425R050 简化版方框图 简化版方框图