ZHCSX17A September 2024 – May 2025 LM65625-Q1 , LM65635-Q1 , LM65645-Q1
PRODUCTION DATA
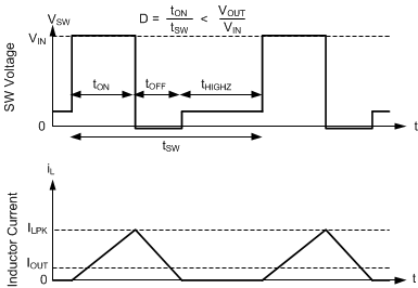
二极管仿真可防止反向电流通过电感器,这需要较低的频率来调节给定的固定峰值电感器电流。二极管仿真还会随着频率的降低而限制纹波电流。当峰值电感器电流低于 IPEAK-MIN 时,频率会降低。在峰值电流固定的情况下,随着输出电流降至零,频率必须降至接近零以保持稳定。

LM656x5-Q1 在自动模式下具有最小峰值电感器电流设置。话虽如此,电流在固定输入电压下降至低值后,导通时间恒定。然后,通过调整频率来实现稳压。这种工作模式称为 PFM 模式稳压。