ZHCS547K January   2010  – February 2018 LM27402

PRODUCTION DATA.  

  1. 特性
  2. 应用
  3. 说明
    1.     Device Images
      1.      典型应用电路
  4. 修订历史记录
  5. Pin Configuration and Functions
    1.     Pin Functions
  6. Specifications
    1. 6.1 Absolute Maximum Ratings
    2. 6.2 ESD Ratings
    3. 6.3 Recommended Operating Conditions
    4. 6.4 Thermal Information
    5. 6.5 Electrical Characteristics
    6. 6.6 Timing Requirements
    7. 6.7 Switching Characteristics
    8. 6.8 Typical Performance Characteristics
  7. Detailed Description
    1. 7.1 Overview
    2. 7.2 Functional Block Diagram
    3. 7.3 Feature Description
      1. 7.3.1  Wide Input Voltage Range
      2. 7.3.2  UVLO
      3. 7.3.3  Precision Enable
      4. 7.3.4  Soft-Start and Voltage Tracking
      5. 7.3.5  Output Voltage Setpoint and Accuracy
      6. 7.3.6  Voltage-Mode Control
      7. 7.3.7  Power Good
      8. 7.3.8  Inductor-DCR-Based Overcurrent Protection
      9. 7.3.9  Current Sensing
      10. 7.3.10 Power MOSFET Gate Drivers
      11. 7.3.11 Pre-Bias Start-up
    4. 7.4 Device Functional Modes
      1. 7.4.1 Fault Conditions
        1. 7.4.1.1 Thermal Protection
        2. 7.4.1.2 Current Limit
        3. 7.4.1.3 Negative Current Limit
        4. 7.4.1.4 Undervoltage Threshold (UVT)
        5. 7.4.1.5 Overvoltage Threshold (OVT)
  8. Application and Implementation
    1. 8.1 Application Information
      1. 8.1.1  Converter Design
      2. 8.1.2  Inductor Selection (L)
      3. 8.1.3  Output Capacitor Selection (COUT)
      4. 8.1.4  Input Capacitor Selection (CIN)
      5. 8.1.5  Using Precision Enable
      6. 8.1.6  Setting the Soft-Start Time
      7. 8.1.7  Tracking
      8. 8.1.8  Setting the Switching Frequency
      9. 8.1.9  Setting the Current Limit Threshold
      10. 8.1.10 Control Loop Compensation
      11. 8.1.11 MOSFET Gate Drivers
      12. 8.1.12 Power Loss and Efficiency Calculations
        1. 8.1.12.1 Power MOSFETs
        2. 8.1.12.2 High-Side Power MOSFET
        3. 8.1.12.3 Low-Side Power MOSFET
        4. 8.1.12.4 Gate-Charge Loss
        5. 8.1.12.5 Input and Output Capacitor ESR Losses
        6. 8.1.12.6 Inductor Losses
        7. 8.1.12.7 Controller Losses
        8. 8.1.12.8 Overall Efficiency
    2. 8.2 Typical Applications
      1. 8.2.1 Example Circuit 1
        1. 8.2.1.1 Design Requirements
        2. 8.2.1.2 Detailed Design Procedure
          1. 8.2.1.2.1 Custom Design With WEBENCH® Tools
        3. 8.2.1.3 Application Curves
      2. 8.2.2 Example Circuit 2
      3. 8.2.3 Example Circuit 3
  9. Power Supply Recommendations
  10. 10Layout
    1. 10.1 Layout Guidelines
      1. 10.1.1 Power Stage Layout
      2. 10.1.2 Gate Drive Layout
      3. 10.1.3 Controller Layout
      4. 10.1.4 Thermal Design and Layout
    2. 10.2 Layout Example
  11. 11器件和文档支持
    1. 11.1 器件支持
      1. 11.1.1 第三方产品免责声明
      2. 11.1.2 开发支持
        1. 11.1.2.1 使用 WEBENCH® 工具创建定制设计
    2. 11.2 文档支持
      1. 11.2.1 相关文档
    3. 11.3 接收文档更新通知
    4. 11.4 社区资源
    5. 11.5 商标
    6. 11.6 静电放电警告
    7. 11.7 Glossary
  12. 12机械、封装和可订购信息

封装选项

机械数据 (封装 | 引脚)
散热焊盘机械数据 (封装 | 引脚)
订购信息

Layout Guidelines

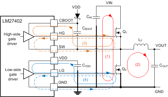
Careful PCB design and layout are important in a high current, fast switching circuit (with high current and voltage slew rates) to assure appropriate device operation and design robustness. As expected, certain issues must be considered before designing a PCB layout using the LM27402. The main switching loop of the power stage is denoted by 1 in Figure 48. The buck converter topology means that particularly high di/dt current will flow in loop 1, and it becomes mandatory to reduce the parasitic inductance of this loop by minimizing its effective loop area. For loop 2 however, the di/dt through inductor LF and capacitor COUT is naturally limited by the inductor. Keeping the area of loop 2 small is not nearly as important as that of loop 1. Also important are the gate drive loops of the low-side and high-side MOSFETs, denoted by 3 and 4, respectively, in Figure 48.

LM27402 converter_loops.gifFigure 48. DC/Dc Converter Ground System With Power Stage and Gate Drive Circuit Switching Loops