ZHCSNL7 March   2022 LM25143

PRODUCTION DATA  

  1. 特性
  2. 应用
  3. 说明
  4. 修订历史记录
  5. 说明(续)
  6. 器件比较表
  7. 引脚配置和功能
  8. 规格
    1. 8.1 绝对最大额定值
    2. 8.2 ESD 额定值
    3. 8.3 建议运行条件
    4. 8.4 热性能信息
    5. 8.5 电气特性
    6. 8.6 开关特性
    7. 8.7 典型特性
  9. 详细说明
    1. 9.1 概述
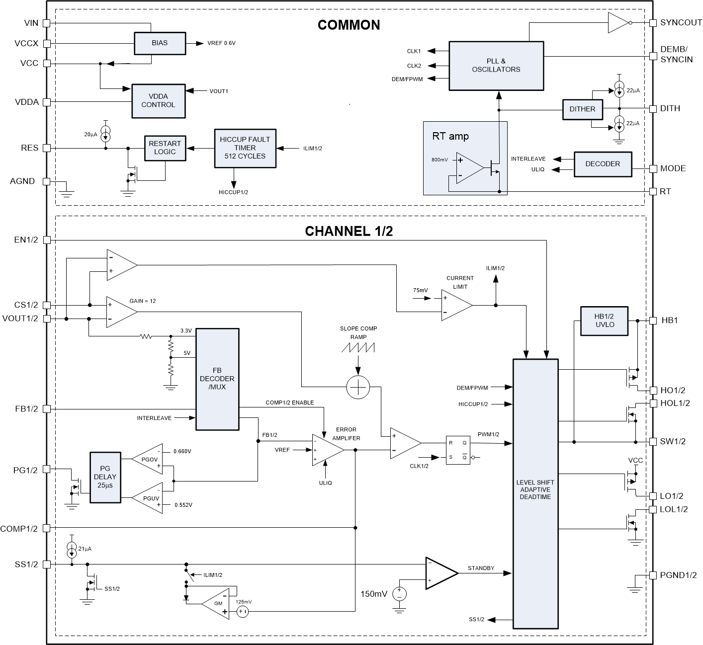
    2. 9.2 功能方框图
    3. 9.3 特性说明
      1. 9.3.1  输入电压范围 (VIN)
      2. 9.3.2  高压偏置电源稳压器(VCC、VCCX、VDDA)
      3. 9.3.3  使能(EN1、EN2)
      4. 9.3.4  电源正常监视器(PG1、PG2)
      5. 9.3.5  开关频率 (RT)
      6. 9.3.6  时钟同步 (DEMB)
      7. 9.3.7  同步输出 (SYNCOUT)
      8. 9.3.8  扩频调频 (DITH)
      9. 9.3.9  可配置软启动(SS1、SS2)
      10. 9.3.10 输出电压设定点(FB1、FB2)
      11. 9.3.11 最短可控导通时间
      12. 9.3.12 误差放大器和 PWM 比较器(FB1、FB2、COMP1、COMP2)
      13. 9.3.13 斜率补偿
      14. 9.3.14 电感器电流感测(CS1、VOUT1、CS2、VOUT2)
        1. 9.3.14.1 分流电流感测
        2. 9.3.14.2 电感器 DCR 电流感测
      15. 9.3.15 断续模式电流限制 (RES)
      16. 9.3.16 高侧和低侧栅极驱动器(HO1/2、LO1/2、HOL1/2、LOL1/2)
      17. 9.3.17 输出配置 (MODE, FB2)
        1. 9.3.17.1 独立双输出操作
        2. 9.3.17.2 单输出交错操作
        3. 9.3.17.3 单输出多相操作
    4. 9.4 器件功能模式
      1. 9.4.1 待机模式
      2. 9.4.2 二极管仿真模式
      3. 9.4.3 热关断
  10. 10应用和实现
    1. 10.1 应用信息
      1. 10.1.1 动力总成元件
        1. 10.1.1.1 降压电感器
        2. 10.1.1.2 输出电容器
        3. 10.1.1.3 输入电容器
        4. 10.1.1.4 功率 MOSFET
        5. 10.1.1.5 EMI 滤波器
      2. 10.1.2 误差放大器和补偿
    2. 10.2 典型应用
      1. 10.2.1 设计 1 – 适用于 计算应用的 5V 和 3.3V 双路输出降压稳压器
        1. 10.2.1.1 设计要求
        2. 10.2.1.2 详细设计过程
          1. 10.2.1.2.1 使用 WEBENCH® 工具创建定制设计方案
          2. 10.2.1.2.2 使用 Excel 快速启动工具创建定制设计方案
          3. 10.2.1.2.3 电感器计算
          4. 10.2.1.2.4 电流感测电阻
          5. 10.2.1.2.5 输出电容器
          6. 10.2.1.2.6 输入电容器
          7. 10.2.1.2.7 补偿元件
        3. 10.2.1.3 应用曲线
      2. 10.2.2 设计 2 – 适用于服务器应用的 15A、2.1MHz 两相单输出降压稳压器
        1. 10.2.2.1 设计要求
        2. 10.2.2.2 详细设计过程
        3. 10.2.2.3 应用曲线
      3. 10.2.3 设计 3 – 适用于 ASIC 电源应用的 50A、300kHz 两相单输出降压稳压器
        1. 10.2.3.1 设计要求
        2. 10.2.3.2 详细设计过程
        3. 10.2.3.3 应用曲线
  11. 11电源相关建议
  12. 12布局
    1. 12.1 布局指南
      1. 12.1.1 功率级布局
      2. 12.1.2 栅极驱动布局
      3. 12.1.3 PWM 控制器布局
      4. 12.1.4 热设计和布局
      5. 12.1.5 接地平面设计
    2. 12.2 布局示例
  13. 13器件和文档支持
    1. 13.1 器件支持
      1. 13.1.1 第三方产品免责声明
      2. 13.1.2 开发支持
        1. 13.1.2.1 使用 WEBENCH® 工具创建定制设计方案
    2. 13.2 文档支持
      1. 13.2.1 相关文档
        1. 13.2.1.1 PCB 布局资源
        2. 13.2.1.2 热设计资源
    3. 13.3 接收文档更新通知
    4. 13.4 支持资源
    5. 13.5 商标
    6. 13.6 Electrostatic Discharge Caution
    7. 13.7 术语表
  14. 14机械、封装和可订购信息

封装选项

机械数据 (封装 | 引脚)
散热焊盘机械数据 (封装 | 引脚)
订购信息

功能方框图

GUID-9946956B-63E5-4BE9-BD5C-BB0F43160A20-low.gif