ZHCSK94B September   2019  – September 2024 IWR1843

PRODUCTION DATA  

  1.   1
  2. 特性
  3. 应用
  4. 说明
  5. 功能方框图
  6. 器件比较
    1. 5.1 相关产品
  7. 端子配置和功能
    1. 6.1 引脚图
    2. 6.2 信号说明
      1. 6.2.1 信号说明 - 数字
      2. 6.2.2 信号说明 - 模拟
    3. 6.3 引脚属性
  8. 规格
    1. 7.1  绝对最大额定值
    2. 7.2  ESD 等级
    3. 7.3  上电小时数 (POH)
    4. 7.4  建议运行条件
    5. 7.5  电源规格
    6. 7.6  功耗摘要
    7. 7.7  射频规格
    8. 7.8  CPU 规格
    9. 7.9  FCBGA 封装的热阻特性 [ABL0161]
    10. 7.10 时序和开关特性
      1. 7.10.1  电源时序和复位时序
      2. 7.10.2  输入时钟和振荡器
        1. 7.10.2.1 时钟规格
      3. 7.10.3  多缓冲/标准串行外设接口 (MibSPI)
        1. 7.10.3.1 外设说明
        2. 7.10.3.2 MibSPI 发送和接收 RAM 组织结构
          1. 7.10.3.2.1 SPI 时序条件
          2. 7.10.3.2.2 SPI 控制器模式开关参数(时钟相位 = 0、SPICLK = 输出、SPISIMO = 输出和 SPISOMI = 输入) #GUID-C70CFB1F-161A-495B-85B8-62E1C643D037/T4362547-236 #GUID-C70CFB1F-161A-495B-85B8-62E1C643D037/T4362547-237 #GUID-C70CFB1F-161A-495B-85B8-62E1C643D037/T4362547-238
          3. 7.10.3.2.3 SPI 控制器模式开关参数(时钟相位 = 1、SPICLK = 输出、SPISIMO = 输出和 SPISOMI = 输入) #GUID-F724BCC6-8F26-42C4-8723-451EDE9A36D3/T4362547-244 #GUID-F724BCC6-8F26-42C4-8723-451EDE9A36D3/T4362547-245 #GUID-F724BCC6-8F26-42C4-8723-451EDE9A36D3/T4362547-246
        3. 7.10.3.3 SPI 外设模式 I/O 时序
          1. 7.10.3.3.1 SPI 外设模式开关参数(SPICLK = 输入、SPISIMO = 输入和 SPISOMI = 输出) #GUID-1B5DE4C6-14B2-48EF-965D-3B03E1AE325B/T4362547-70 #GUID-1B5DE4C6-14B2-48EF-965D-3B03E1AE325B/T4362547-71 #GUID-1B5DE4C6-14B2-48EF-965D-3B03E1AE325B/T4362547-73
        4. 7.10.3.4 典型接口协议图(外设模式)
      4. 7.10.4  LVDS 接口配置
        1. 7.10.4.1 LVDS 接口时序
      5. 7.10.5  通用输入/输出
        1. 7.10.5.1 输出时序的开关特性与负载电容 (CL) 间的关系
      6. 7.10.6  控制器局域网接口 (DCAN)
        1. 7.10.6.1 DCANx TX 和 RX 引脚的动态特性
      7. 7.10.7  控制器局域网 - 灵活数据速率 (CAN-FD)
        1. 7.10.7.1 CANx TX 和 RX 引脚的动态特性
      8. 7.10.8  串行通信接口 (SCI)
        1. 7.10.8.1 SCI 时序要求
      9. 7.10.9  内部集成电路接口 (I2C)
        1. 7.10.9.1 I2C 时序要求 #GUID-36963FBF-DA1A-4FF8-B71D-4A185830E708/T4362547-185
      10. 7.10.10 四线串行外设接口 (QSPI)
        1. 7.10.10.1 QSPI 时序条件
        2. 7.10.10.2 QSPI 输入(读取)时序的时序要求 #GUID-6DC69BBB-F187-4499-AC42-8C006552DEE1/T4362547-210 #GUID-6DC69BBB-F187-4499-AC42-8C006552DEE1/T4362547-209
        3. 7.10.10.3 QSPI 开关特性
      11. 7.10.11 ETM 跟踪接口
        1. 7.10.11.1 ETMTRACE 时序条件
        2. 7.10.11.2 ETM 跟踪开关特性
      12. 7.10.12 数据修正模块 (DMM)
        1. 7.10.12.1 DMM 时序要求
      13. 7.10.13 JTAG 接口
        1. 7.10.13.1 JTAG 时序条件
        2. 7.10.13.2 IEEE 1149.1 JTAG 的时序要求
        3. 7.10.13.3 IEEE 1149.1 JTAG 在推荐工作条件下的开关特性
  9. 详细说明
    1. 8.1 概述
    2. 8.2 功能方框图
    3. 8.3 子系统
      1. 8.3.1 射频和模拟子系统
        1. 8.3.1.1 时钟子系统
        2. 8.3.1.2 发送子系统
        3. 8.3.1.3 接收子系统
      2. 8.3.2 处理器子系统
      3. 8.3.3 主机接口
      4. 8.3.4 主子系统 Cortex-R4F 存储器映射
      5. 8.3.5 DSP 子系统存储器映射
      6. 8.3.6 硬件加速器
    4. 8.4 其他子系统
      1. 8.4.1 用于用户应用的 ADC 通道(服务)
        1. 8.4.1.1 GP-ADC 参数
  10. 监控和诊断
    1. 9.1 监测和诊断机制
      1. 9.1.1 错误信令模块
  11. 10应用、实施和布局
    1. 10.1 应用信息
    2. 10.2 参考原理图
  12. 11器件和文档支持
    1. 11.1 器件命名规则
    2. 11.2 工具与软件
    3. 11.3 文档支持
    4. 11.4 支持资源
    5. 11.5 商标
    6. 11.6 静电放电警告
    7. 11.7 术语表
  13. 12修订历史记录
  14. 13机械、封装和可订购信息
    1. 13.1 封装信息
    2. 13.2 的托盘信息

封装选项

机械数据 (封装 | 引脚)
散热焊盘机械数据 (封装 | 引脚)
订购信息

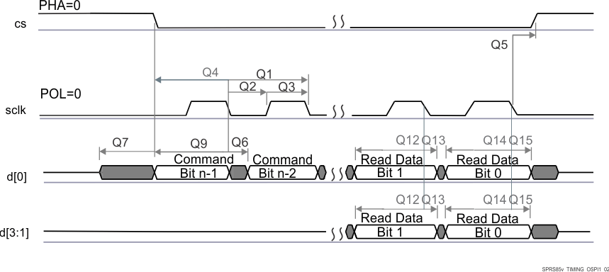
QSPI 开关特性

编号参数最小值典型值最大值单位
Q1tc(SCLK)SCLK 周期时间25ns
Q2tw(SCLKL)SCLK 低电平的脉冲持续时间0.5*P – 3(1)ns
Q3tw(SCLKH)SCLK 高电平的脉冲持续时间0.5*P – 3ns
Q4td(CS-SCLK)SCLK 下降沿到 CS 有效边沿的延迟时间–M*P – 1(2)–M*P + 2.5(2)ns
Q5td(SCLK-CS)SCLK 下降沿到 CS 无效边沿的延迟时间N*P – 1(2)N*P + 2.5(2)ns
Q6td(SCLK-D1)SCLK 下降沿到 d[0] 转换的延迟时间-3.57ns
Q7tena(CS-D1LZ)使能时间,CS 有效边沿到 d[0] 驱动(低阻抗)–P – 4(2)–P +1(2)ns
Q8tdis(CS-D1Z)禁用时间,CS 有效边沿到 d[0] 三态(高阻抗)–P – 4(2)–P +1(2)ns
Q9 td(SCLK-D1) SCLK 第一个下降沿到第一个 d[1] 转换的延迟时间(仅适用于 PHA = 0) –3.5 – P(2) 7 – P(2) ns
P = SCLK 周期,单位为 ns。
M = QSPI_SPI_DC_REG.DDx + 1,N = 2
IWR1843 QSPI 读取(时钟模式 0)图 7-14 QSPI 读取(时钟模式 0)
IWR1843 QSPI 写入(时钟模式 0)图 7-15 QSPI 写入(时钟模式 0)