ZHCSHF6O January 2006 – October 2025 ISO721 , ISO721M , ISO722 , ISO722M
PRODUCTION DATA
图 7-1 开关特性测试电路和电压波形
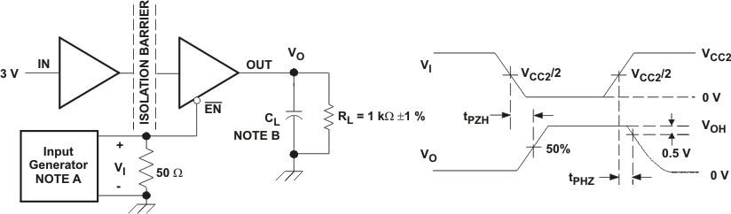
图 7-2 ISO722 睡眠模式高电平输出测试电路和电压波形
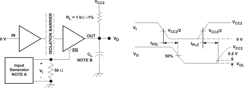
图 7-3 ISO722 睡眠模式低电平输出测试电路和电压波形A:输入脉冲由具有以下特性的发生器提供:
PRR ≤ 50kHz,50% 占空比,tr ≤ 3ns,tf ≤ 3ns,ZO = 50Ω。
B:CL = 15pF ± 20% 并包含仪表和设备电容。


