ZHCSM38 december   2020 DAC43701 , DAC53701

PRODUCTION DATA  

  1.   1
  2. 特性
  3. 应用
  4. 说明
  5. Revision History
  6. Device Comparison Table
  7. Pin Configuration and Functions
  8. Specifications
    1. 7.1  Absolute Maximum Ratings
    2. 7.2  ESD Ratings
    3. 7.3  Recommended Operating Conditions
    4. 7.4  Thermal Information
    5. 7.5  Electrical Characteristics
    6. 7.6  Timing Requirements: I2C Standard Mode
    7. 7.7  Timing Requirements: I2C Fast Mode
    8. 7.8  Timing Requirements: I2C Fast Mode Plus
    9. 7.9  Timing Requirements: GPI
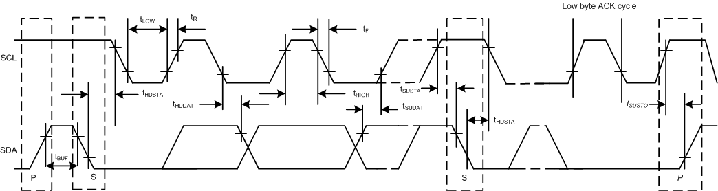
    10. 7.10 Timing Diagram
    11. 7.11 Typical Characteristics: VDD = 5.5 V (Reference = VDD) or VDD = 5 V (Internal Reference)
    12. 7.12 Typical Characteristics: VDD = 1.8 V (Reference = VDD) or VDD = 2 V (Internal Reference)
    13. 7.13 Typical Characteristics
  9. Detailed Description
    1. 8.1 Overview
    2. 8.2 Functional Block Diagram
    3. 8.3 Feature Description
      1. 8.3.1 Digital-to-Analog Converter (DAC) Architecture
        1. 8.3.1.1 Reference Selection and DAC Transfer Function
          1. 8.3.1.1.1 Power Supply as Reference
          2. 8.3.1.1.2 Internal Reference
      2. 8.3.2 General-Purpose Input (GPI)
      3. 8.3.3 DAC Update
        1. 8.3.3.1 DAC Update Busy
      4. 8.3.4 Nonvolatile Memory (EEPROM or NVM)
        1. 8.3.4.1 NVM Cyclic Redundancy Check
        2. 8.3.4.2 NVM_CRC_ALARM_USER Bit
        3. 8.3.4.3 NVM_CRC_ALARM_INTERNAL Bit
      5. 8.3.5 Programmable Slew Rate
      6. 8.3.6 Power-on-Reset (POR)
      7. 8.3.7 Software Reset
      8. 8.3.8 Device Lock Feature
      9. 8.3.9 PMBus Compatibility
    4. 8.4 Device Functional Modes
      1. 8.4.1 Power Down Mode
      2. 8.4.2 Continuous Waveform Generation (CWG) Mode
      3. 8.4.3 PMBus Compatibility Mode
      4. 8.4.4 Medical Alarm Generation Mode
        1. 8.4.4.1 Low-Priority Alarm
        2. 8.4.4.2 Medium-Priority Alarm
        3. 8.4.4.3 High-Priority Alarm
        4. 8.4.4.4 Interburst Time
        5. 8.4.4.5 Pulse Off Time
        6. 8.4.4.6 Pulse On Time
    5. 8.5 Programming
      1. 8.5.1 F/S Mode Protocol
      2. 8.5.2 I2C Update Sequence
        1. 8.5.2.1 Address Byte
          1. 8.5.2.1.1 Slave Address Configuration
        2. 8.5.2.2 Command Byte
      3. 8.5.3 I2C Read Sequence
    6. 8.6 Register Map
      1. 8.6.1  STATUS Register (address = D0h) [reset = 000Ch or 0014h]
      2. 8.6.2  GENERAL_CONFIG Register (address = D1h) [reset = 01F0h]
      3. 8.6.3  CONFIG2 Register (address = D2h) [reset = 0000h]
      4. 8.6.4  TRIGGER Register (address = D3h) [reset = 0008h]
      5. 8.6.5  DAC_DATA Register (address = 21h) [reset = 0000h]
      6. 8.6.6  DAC_MARGIN_HIGH Register (address = 25h) [reset = 0000h]
      7. 8.6.7  DAC_MARGIN_LOW Register (address = 26h) [reset = 0000h]
      8. 8.6.8  PMBUS_OPERATION Register (address = 01h) [reset = 0000h]
      9. 8.6.9  PMBUS_STATUS_BYTE Register (address = 78h) [reset = 0000h]
      10. 8.6.10 PMBUS_VERSION Register (address = 98h) [reset = 2200h]
  10. Application and Implementation
    1. 9.1 Application Information
    2. 9.2 Typical Applications
      1. 9.2.1 Appliance Light Fade-In Fade-Out
        1. 9.2.1.1 Design Requirements
        2. 9.2.1.2 Detailed Design Procedure
        3. 9.2.1.3 Application Curves
      2. 9.2.2 Power-Supply Margining
        1. 9.2.2.1 Design Requirements
        2. 9.2.2.2 Detailed Design Procedure
        3. 9.2.2.3 Application Curves
      3. 9.2.3 Medical Alarm Generation
        1. 9.2.3.1 Design Requirements
        2. 9.2.3.2 Detailed Design Procedure
        3. 9.2.3.3 Application Curves
  11. 10Power Supply Recommendations
  12. 11Layout
    1. 11.1 Layout Guidelines
    2. 11.2 Layout Example
  13. 12Device and Documentation Support
    1. 12.1 Documentation Support
      1. 12.1.1 Related Documentation
    2. 12.2 接收文档更新通知
    3. 12.3 支持资源
    4. 12.4 Trademarks
    5. 12.5 静电放电警告
    6. 12.6 术语表
  14. 13Mechanical, Packaging, and Orderable Information

封装选项

机械数据 (封装 | 引脚)
散热焊盘机械数据 (封装 | 引脚)
订购信息

Timing Diagram

GUID-1AACF6AB-B82D-4CF6-8F5D-7C22CFD1507F-low.gif Figure 7-1 I2C Timing Diagram