ZHCSEO0B February   2016  – April 2018 CSD87335Q3D

PRODUCTION DATA.  

  1. 1特性
  2. 2应用
  3. 3说明
    1.     俯视图
      1.      Device Images
  4. 4修订历史记录
  5. 5Specifications
    1. 5.1 Absolute Maximum Ratings
    2. 5.2 Recommended Operating Conditions
    3. 5.3 Thermal Information
    4. 5.4 Power Block Performance
    5. 5.5 Electrical Characteristics
    6. 5.6 Typical Power Block Device Characteristics
    7. 5.7 Typical Power Block MOSFET Characteristics
  6. 6Applications and Implementation
    1. 6.1 Application Information
      1. 6.1.1 Equivalent System Performance
    2. 6.2 Power Loss Curves
    3. 6.3 Safe Operating Curves (SOA)
    4. 6.4 Normalized Curves
    5. 6.5 Calculating Power Loss and SOA
      1. 6.5.1 Design Example
      2. 6.5.2 Calculating Power Loss
      3. 6.5.3 Calculating SOA Adjustments
  7. 7Recommended PCB Design Overview
    1. 7.1 Electrical Performance
    2. 7.2 Thermal Performance
  8. 8器件和文档支持
    1. 8.1 接收文档更新通知
    2. 8.2 社区资源
    3. 8.3 商标
    4. 8.4 静电放电警告
    5. 8.5 Glossary
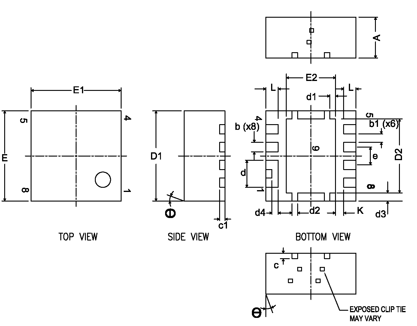
  9. 9机械、封装和可订购信息
    1. 9.1 Q3D 封装尺寸
    2. 9.2 焊盘布局建议
    3. 9.3 模板建议
    4. 9.4 Q3D 卷带信息
    5. 9.5 引脚配置

封装选项

机械数据 (封装 | 引脚)
散热焊盘机械数据 (封装 | 引脚)
订购信息

Q3D 封装尺寸

CSD87335Q3D Mechanical_Drawing_P5.png
DIM 毫米 英寸
最小值 最大值 最小值 最大值
A 1.400 1.500 0.055 0.059
b 0.280 0.400 0.011 0.016
b1 0.310(标称值) 0.012(标称值)
c 0.150 0.250 0.006 0.010
c1 0.150 0.250 0.006 0.010
d 0.940 1.040 0.037 0.041
d1 0.160 0.260 0.006 0.010
d2 0.150 0.250 0.006 0.010
d3 0.250 0.350 0.010 0.014
d4 0.175 0.275 0.007 0.011
D1 3.200 3.400 0.126 0.134
D2 2.650 2.750 0.104 0.108
E 3.200 3.400 0.126 0.134
E1 3.200 3.400 0.126 0.134
E2 1.750 1.850 0.069 0.073
e 0.650 典型值 0.026 典型值
L 0.400 0.500 0.016 0.020
θ 0.00
K 0.300 典型值 0.012 典型值