ZHCSDC8A December   2014  – November 2017

PRODUCTION DATA.  

  1. 特性
  2. 应用
  3. 说明
    1.     bq24193 的 PSEL、USB On-The-Go (OTG) 和支持 JEITA 配置文件
  4. 修订历史记录
  5. 说明 (续)
  6. Pin Configuration and Functions
    1.     Pin Functions
  7. Specifications
    1. 7.1 Absolute Maximum Ratings
    2. 7.2 ESD Ratings
    3. 7.3 Recommended Operating Conditions
    4. 7.4 Thermal Information
    5. 7.5 Electrical Characteristics
    6. 7.6 Typical Characteristics
  8. Detailed Description
    1. 8.1 Overview
    2. 8.2 Functional Block Diagram
    3. 8.3 Feature Description
      1. 8.3.1 Device Power Up
        1. 8.3.1.1 Power-On-Reset (POR)
        2. 8.3.1.2 Power Up from Battery without DC Source
          1. 8.3.1.2.1 BATFET Turn Off
          2. 8.3.1.2.2 Shipping Mode
        3. 8.3.1.3 Power Up from DC Source
          1. 8.3.1.3.1 REGN LDO
          2. 8.3.1.3.2 Input Source Qualification
          3. 8.3.1.3.3 Input Current Limit Detection
          4. 8.3.1.3.4 PSEL/OTG Pins Set Input Current Limit
          5. 8.3.1.3.5 HIZ State wth 100mA USB Host
          6. 8.3.1.3.6 Force Input Current Limit Detection
        4. 8.3.1.4 Converter Power-Up
        5. 8.3.1.5 Boost Mode Operation from Battery
      2. 8.3.2 Power Path Management
        1. 8.3.2.1 Narrow VDC Architecture
        2. 8.3.2.2 Dynamic Power Management
        3. 8.3.2.3 Supplement Mode
      3. 8.3.3 Battery Charging Management
        1. 8.3.3.1 Autonomous Charging Cycle
        2. 8.3.3.2 Battery Charging Profile
        3. 8.3.3.3 Battery Path Impedance IR Compensation
        4. 8.3.3.4 Thermistor Qualification
          1. 8.3.3.4.1 JEITA Guideline Compliance
        5. 8.3.3.5 Charging Termination
          1. 8.3.3.5.1 Termination when REG02[0] = 1
          2. 8.3.3.5.2 Termination when REG05[6] = 1
        6. 8.3.3.6 Charging Safety Timer
        7. 8.3.3.7 USB Timer when Charging from USB100mA Source
      4. 8.3.4 Status Outputs (PG, STAT, and INT)
        1. 8.3.4.1 Power Good Indicator (PG)
        2. 8.3.4.2 Charging Status Indicator (STAT)
        3. 8.3.4.3 Interrupt to Host (INT)
      5. 8.3.5 Protections
        1. 8.3.5.1 Input Current Limit on ILIM
        2. 8.3.5.2 Thermal Regulation and Thermal Shutdown
        3. 8.3.5.3 Voltage and Current Monitoring in Buck Mode
          1. 8.3.5.3.1 Input Over-Voltage (ACOV)
          2. 8.3.5.3.2 System Over-Voltage Protection (SYSOVP)
        4. 8.3.5.4 Voltage and Current Monitoring in Boost Mode
          1. 8.3.5.4.1 VBUS Over-Voltage Protection
        5. 8.3.5.5 Battery Protection
          1. 8.3.5.5.1 Battery Over-Current Protection (BATOVP)
          2. 8.3.5.5.2 Charging During Battery Short Protection
          3. 8.3.5.5.3 System Over-Current Protection
      6. 8.3.6 Serial Interface
        1. 8.3.6.1 Data Validity
        2. 8.3.6.2 START and STOP Conditions
        3. 8.3.6.3 Byte Format
        4. 8.3.6.4 Acknowledge (ACK) and Not Acknowledge (NACK)
        5. 8.3.6.5 Slave Address and Data Direction Bit
          1. 8.3.6.5.1 Single Read and Write
          2. 8.3.6.5.2 Multi-Read and Multi-Write
    4. 8.4 Device Functional Modes
      1. 8.4.1 Host Mode and Default Mode
        1. 8.4.1.1 Plug in USB100mA Source with Good Battery
        2. 8.4.1.2 USB Timer when Charging from USB 100-mA Source
    5. 8.5 Register Map
      1. 8.5.1 I2C Registers
        1. 8.5.1.1  Input Source Control Register REG00 (reset = 00110000, or 30)
          1. Table 7. REG00 Input Source Control Register Description
        2. 8.5.1.2  Power-On Configuration Register REG01 (reset = 00011011, or 1B)
          1. Table 8. REG01 Power-On Configuration Register Description
        3. 8.5.1.3  Charge Current Control Register REG02 (reset = 01100000, or 60)
          1. Table 9. REG02 Charge Current Control Register Description
        4. 8.5.1.4  Pre-Charge/Termination Current Control Register REG03 (reset = 00010001, or 11)
          1. Table 10. REG03 Pre-Charge/Termination Current Control Register Description
        5. 8.5.1.5  Charge Voltage Control Register REG04 (reset = 10110010, or B2)
          1. Table 11. REG04 Charge Voltage Control Register Description
        6. 8.5.1.6  Charge Termination/Timer Control Register REG05 (reset = 10011010, or 9A)
          1. Table 12. REG05 Charge Termination/Timer Control Register Description
        7. 8.5.1.7  IR Compensation / Thermal Regulation Control Register REG06 (reset = 00000011, or 03)
          1. Table 13. REG06 IR Compensation / Thermal Regulation Control Register Description
        8. 8.5.1.8  Misc Operation Control Register REG07 (reset = 01001011, or 4B)
          1. Table 14. REG07 Misc Operation Control Register Description
        9. 8.5.1.9  System Status Register REG08
          1. Table 15. REG08 System Status Register Description
        10. 8.5.1.10 Fault Register REG09
          1. Table 16. REG09 Fault Register Description
        11. 8.5.1.11 Vender / Part / Revision Status Register REG0A (reset = 00101111, or 2F)
          1. Table 17. REG0A Vender / Part / Revision Status Register Description
  9. Application and Implementation
    1. 9.1 Application Information
    2. 9.2 Typical Application
      1. 9.2.1 Design Requirements
      2. 9.2.2 Detailed Design Procedure
        1. 9.2.2.1 Inductor Selection
        2. 9.2.2.2 Input Capacitor
        3. 9.2.2.3 Output Capacitor
      3. 9.2.3 Application Performance Plots
  10. 10Power Supply Recommendations
  11. 11Layout
    1. 11.1 Layout Guidelines
    2. 11.2 Layout Example
  12. 12器件和文档支持
    1. 12.1 文档支持
      1. 12.1.1 相关文档
    2. 12.2 接收文档更新通知
    3. 12.3 社区资源
    4. 12.4 商标
    5. 12.5 静电放电警告
    6. 12.6 Glossary
  13. 13机械、封装和可订购信息

封装选项

机械数据 (封装 | 引脚)
散热焊盘机械数据 (封装 | 引脚)
订购信息

Layout Guidelines

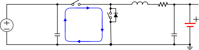
The switching node rise and fall times should be minimized for minimum switching loss. Proper layout of the components to minimize high frequency current path loop (see Figure 45) is important to prevent electrical and magnetic field radiation and high frequency resonant problems. Here is a PCB layout priority list for proper layout. Layout PCB according to this specific order is essential.

  1. Place input capacitor as close as possible to PMID pin and GND pin connections and use shortest copper trace connection or GND plane.
  2. Place inductor input terminal to SW pin as close as possible. Minimize the copper area of this trace to lower electrical and magnetic field radiation but make the trace wide enough to carry the charging current. Do not use multiple layers in parallel for this connection. Minimize parasitic capacitance from this area to any other trace or plane.
  3. Put output capacitor near to the inductor and the IC. Ground connections need to be tied to the IC ground with a short copper trace connection or GND plane.
  4. Route analog ground separately from power ground. Connect analog ground and connect power ground separately. Connect analog ground and power ground together using power pad as the single ground connection point. Or using a 0-Ω resistor to tie analog ground to power ground.
  5. Use single ground connection to tie charger power ground to charger analog ground. Just beneath the IC. Use ground copper pour but avoid power pins to reduce inductive and capacitive noise coupling.
  6. Decoupling capacitors should be placed next to the IC pins and make trace connection as short as possible.
  7. It is critical that the exposed power pad on the backside of the IC package be soldered to the PCB ground. Ensure that there are sufficient thermal vias directly under the IC, connecting to the ground plane on the other layers.
  8. The via size and number should be enough for a given current path.

See the EVM design for the recommended component placement with trace and via locations. For the VQFN information, refer to SCBA017 and SLUA271.

bq24193 High_Frequency_Current_Path_SLUSAW5.gifFigure 45. High Frequency Current Path