ZHCSCC6D May   2013  – March 2018 ADS7250 , ADS7850 , ADS8350

PRODUCTION DATA.  

  1. 特性
  2. 应用范围
  3. 说明
    1.     功能方框图
  4. 修订历史记录
  5. Pin Configuration and Functions
    1.     Pin Functions
  6. Specifications
    1. 6.1  Absolute Maximum Ratings
    2. 6.2  ESD Ratings
    3. 6.3  Recommended Operating Conditions
    4. 6.4  Thermal Information
    5. 6.5  Electrical Characteristics: All Devices
    6. 6.6  Electrical Characteristics: ADS7250
    7. 6.7  Electrical Characteristics: ADS7850
    8. 6.8  Electrical Characteristics: ADS8350
    9. 6.9  Timing Requirements
    10. 6.10 Switching Characteristics
    11. 6.11 Typical Characteristics: ADS7250
    12. 6.12 Typical Characteristics: ADS7850
    13. 6.13 Typical Characteristics: ADS8350
    14. 6.14 Typical Characteristics: All Devices
  7. Detailed Description
    1. 7.1 Overview
    2. 7.2 Functional Block Diagram
    3. 7.3 Feature Description
      1. 7.3.1 Reference
      2. 7.3.2 Analog Input
        1. 7.3.2.1 Analog Input Full-Scale Range
      3. 7.3.3 ADC Transfer Function
    4. 7.4 Device Functional Modes
      1. 7.4.1 Serial Interface
      2. 7.4.2 Short-Cycling, Frame Abort, and Reconversion Feature
  8. Application and Implementation
    1. 8.1 Application Information
    2. 8.2 Typical Applications
      1. 8.2.1 DAQ Circuit: Maximum SINAD for a 10-kHz Input Signal at 750-kSPS Throughput
        1. 8.2.1.1 Design Requirements
        2. 8.2.1.2 Detailed Design Procedure
          1. 8.2.1.2.1 ADC Reference Driver
          2. 8.2.1.2.2 ADC Input Driver
            1. 8.2.1.2.2.1 Input Amplifier Selection
            2. 8.2.1.2.2.2 Antialiasing Filter
        3. 8.2.1.3 Application Curve
      2. 8.2.2 DAQ Circuit: Maximum SINAD for a 100-kHz Input Signal at 750-kSPS Throughput
        1. 8.2.2.1 Design Requirements
        2. 8.2.2.2 Detailed Design Procedure
          1. 8.2.2.2.1 ADC Reference Driver
          2. 8.2.2.2.2 ADC Input Driver
        3. 8.2.2.3 Application Curve
  9. Power Supply Recommendations
  10. 10Layout
    1. 10.1 Layout Guidelines
    2. 10.2 Layout Example
  11. 11器件和文档支持
    1. 11.1 文档支持
      1. 11.1.1 相关文档
    2. 11.2 相关链接
    3. 11.3 接收文档更新通知
    4. 11.4 社区资源
    5. 11.5 商标
    6. 11.6 静电放电警告
    7. 11.7 Glossary
  12. 12机械、封装和可订购信息

封装选项

机械数据 (封装 | 引脚)
散热焊盘机械数据 (封装 | 引脚)
订购信息

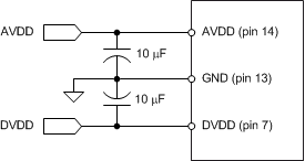
Power Supply Recommendations

The devices have two separate power supplies: AVDD and DVDD. The ADC operates on AVDD; DVDD is used for the interface circuits. AVDD and DVDD can be independently set to any value within the permissible range.

The AVDD supply voltage value defines the permissible voltage swing on the analog input pins. To avoid saturation of output codes, the external reference voltages VREFIN_A and VREFIN_B should be as shown in Equation 10:

Equation 10. 2 V ≤ VREFIN_x ≤ AVDD / 2

In other words, in order to use the VREFIN_x external reference voltage and use the full dynamic range on the analog input pins, AVDD must be set as shown in Equation 11, Equation 12, and Equation 13:

Equation 11. AVDD ≥ 2 × VREFIN_A
Equation 12. AVDD ≥ 2 × VREFIN_B
Equation 13. 4.5 V ≤ AVDD ≤ 5.5 V

Decouple the AVDD and DVDD pins with the GND pin using individual 10-µF decoupling capacitors, as shown in Figure 62.

ADS8350 ADS7850 ADS7250 ai_supply_bas580.gifFigure 62. Power-Supply Decoupling