ZHCSCC6D May   2013  – March 2018 ADS7250 , ADS7850 , ADS8350

PRODUCTION DATA.  

  1. 特性
  2. 应用范围
  3. 说明
    1.     功能方框图
  4. 修订历史记录
  5. Pin Configuration and Functions
    1.     Pin Functions
  6. Specifications
    1. 6.1  Absolute Maximum Ratings
    2. 6.2  ESD Ratings
    3. 6.3  Recommended Operating Conditions
    4. 6.4  Thermal Information
    5. 6.5  Electrical Characteristics: All Devices
    6. 6.6  Electrical Characteristics: ADS7250
    7. 6.7  Electrical Characteristics: ADS7850
    8. 6.8  Electrical Characteristics: ADS8350
    9. 6.9  Timing Requirements
    10. 6.10 Switching Characteristics
    11. 6.11 Typical Characteristics: ADS7250
    12. 6.12 Typical Characteristics: ADS7850
    13. 6.13 Typical Characteristics: ADS8350
    14. 6.14 Typical Characteristics: All Devices
  7. Detailed Description
    1. 7.1 Overview
    2. 7.2 Functional Block Diagram
    3. 7.3 Feature Description
      1. 7.3.1 Reference
      2. 7.3.2 Analog Input
        1. 7.3.2.1 Analog Input Full-Scale Range
      3. 7.3.3 ADC Transfer Function
    4. 7.4 Device Functional Modes
      1. 7.4.1 Serial Interface
      2. 7.4.2 Short-Cycling, Frame Abort, and Reconversion Feature
  8. Application and Implementation
    1. 8.1 Application Information
    2. 8.2 Typical Applications
      1. 8.2.1 DAQ Circuit: Maximum SINAD for a 10-kHz Input Signal at 750-kSPS Throughput
        1. 8.2.1.1 Design Requirements
        2. 8.2.1.2 Detailed Design Procedure
          1. 8.2.1.2.1 ADC Reference Driver
          2. 8.2.1.2.2 ADC Input Driver
            1. 8.2.1.2.2.1 Input Amplifier Selection
            2. 8.2.1.2.2.2 Antialiasing Filter
        3. 8.2.1.3 Application Curve
      2. 8.2.2 DAQ Circuit: Maximum SINAD for a 100-kHz Input Signal at 750-kSPS Throughput
        1. 8.2.2.1 Design Requirements
        2. 8.2.2.2 Detailed Design Procedure
          1. 8.2.2.2.1 ADC Reference Driver
          2. 8.2.2.2.2 ADC Input Driver
        3. 8.2.2.3 Application Curve
  9. Power Supply Recommendations
  10. 10Layout
    1. 10.1 Layout Guidelines
    2. 10.2 Layout Example
  11. 11器件和文档支持
    1. 11.1 文档支持
      1. 11.1.1 相关文档
    2. 11.2 相关链接
    3. 11.3 接收文档更新通知
    4. 11.4 社区资源
    5. 11.5 商标
    6. 11.6 静电放电警告
    7. 11.7 Glossary
  12. 12机械、封装和可订购信息

封装选项

机械数据 (封装 | 引脚)
散热焊盘机械数据 (封装 | 引脚)
订购信息

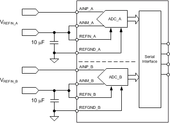
Reference

Each device has two simultaneous-sampling ADCs (ADC_A and ADC_B). ADC_A operates with reference voltage VREFIN_A and ADC_B operates with reference voltage VREFIN_B. These reference voltages must be provided on the REFIN_A and REFIN_B pins, respectively. REFIN_A and REFIN_B may be set to different values as per the application requirement.

As shown in Figure 49, decouple the REFIN_A and REFIN_B pins with the REFGND_A and REFGND_B pins, respectively, with individual 10-µF decoupling capacitors.

ADS8350 ADS7850 ADS7250 ai_ref_bas580.gifFigure 49. Reference Block Diagram