ZHCUAK1A September   2020  – April 2021 TPS546A24A

 

  1.   TPS546A24AEVM-1PH 评估模块
  2.   商标
  3. 说明
    1. 1.1 准备工作
    2. 1.2 典型应用
    3. 1.3 特性
  4. 电气性能规格
  5. 原理图
  6. 测试设置
    1. 4.1 测试和配置软件
      1. 4.1.1 说明
      2. 4.1.2 特性
    2. 4.2 测试设备
      1. 4.2.1 电压源
      2. 4.2.2 万用表
      3. 4.2.3 输出负载
      4. 4.2.4 示波器
      5. 4.2.5 风扇
      6. 4.2.6 USB 转 GPIO 接口适配器
      7. 4.2.7 推荐的线规
    3. 4.3 尖端和接地筒测量
    4. 4.4 测试点、跳线和连接器列表
    5. 4.5 评估分离轨输入
    6. 4.6 配置 EVM 以使 VDD5 过驱
    7. 4.7 由单个 3.3V 输入电源供电
  7. 采用 Fusion GUI 配置 EVM
    1. 5.1 配置步骤
  8. 测试步骤
    1. 6.1 线路和负载调节以及效率测量步骤
    2. 6.2 效率测量测试点
    3. 6.3 控制环路增益和相位测量步骤
  9. 性能数据和典型特性曲线
    1. 7.1  效率
    2. 7.2  负载和线路调节(在 TP27 和 TP26 之间进行测量)
    3. 7.3  瞬态响应
    4. 7.4  控制环路波特图
    5. 7.5  输出纹波
    6. 7.6  功率 MOSFET 漏源电压
    7. 7.7  控制开启
    8. 7.8  控制关闭
    9. 7.9  具有预偏置输出的控制开启
    10. 7.10 热像图
  10. EVM 装配图和 PCB 布局
  11. 物料清单
  12. 10使用 Fusion GUI
    1. 10.1  打开 Fusion GUI
    2. 10.2  常规设置
    3. 10.3  更改 ON_OFF_CONFIG
    4. 10.4  启用转换时,某些命令的弹出窗口
    5. 10.5  SMBALERT# 屏蔽
    6. 10.6  器件信息
    7. 10.7  相位命令
    8. 10.8  全部配置
    9. 10.9  引脚配置 (strap) 功能
    10. 10.10 监视器
    11. 10.11 状态
  13. 11修订历史记录

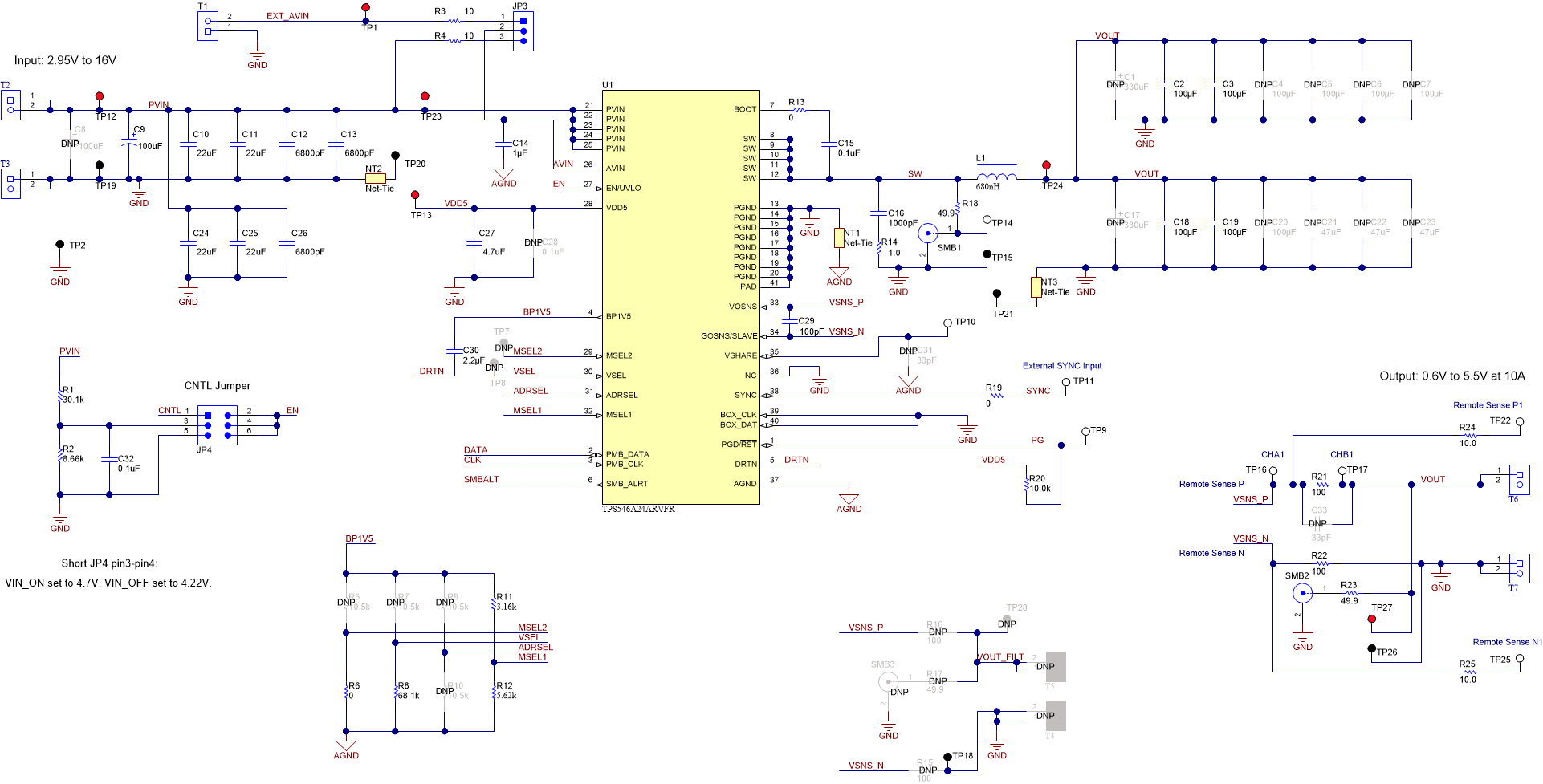
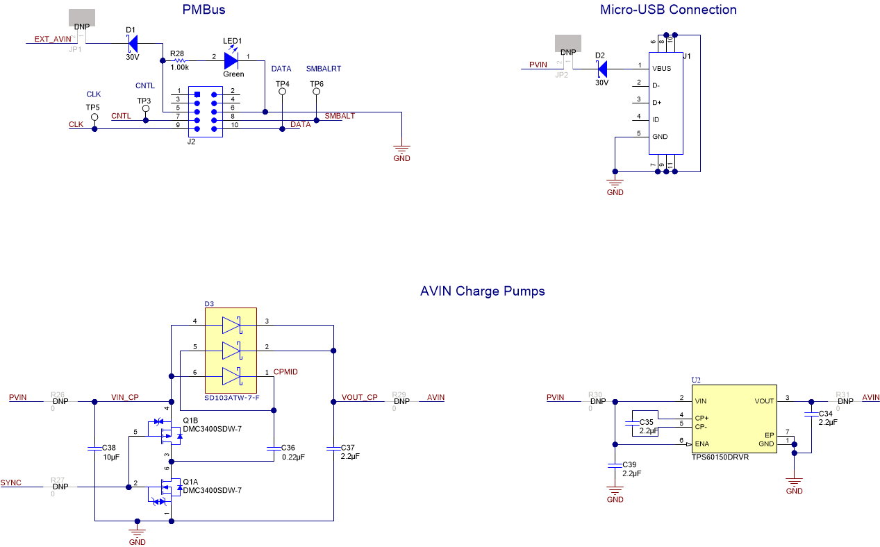
原理图

图 3-1图 3-2 显示了 TPS546A24AEVM-1PH 原理图。

GUID-20200805-CA0I-7VQT-GQP3-MRZQLFT8LS3V-low.gif图 3-1 TPS546A24AEVM-1PH 原理图 - 主电路
GUID-20200805-CA0I-VKCJ-Q4JB-PNNPTCKNWRKW-low.gif图 3-2 TPS546A24AEVM-1PH 原理图 - 连接器和电荷泵