ZHCUA49A February   2014  – January 2022 LMZ31704 , LMZ31707 , LMZ31710

 

  1.   LMZ31710 并联用户指南
  2. 说明
  3. 入门
  4. 测试点说明
  5. 操作说明
  6. 电流限值
  7. 性能数据
  8. 2 个 LMZ31710 并联物料清单
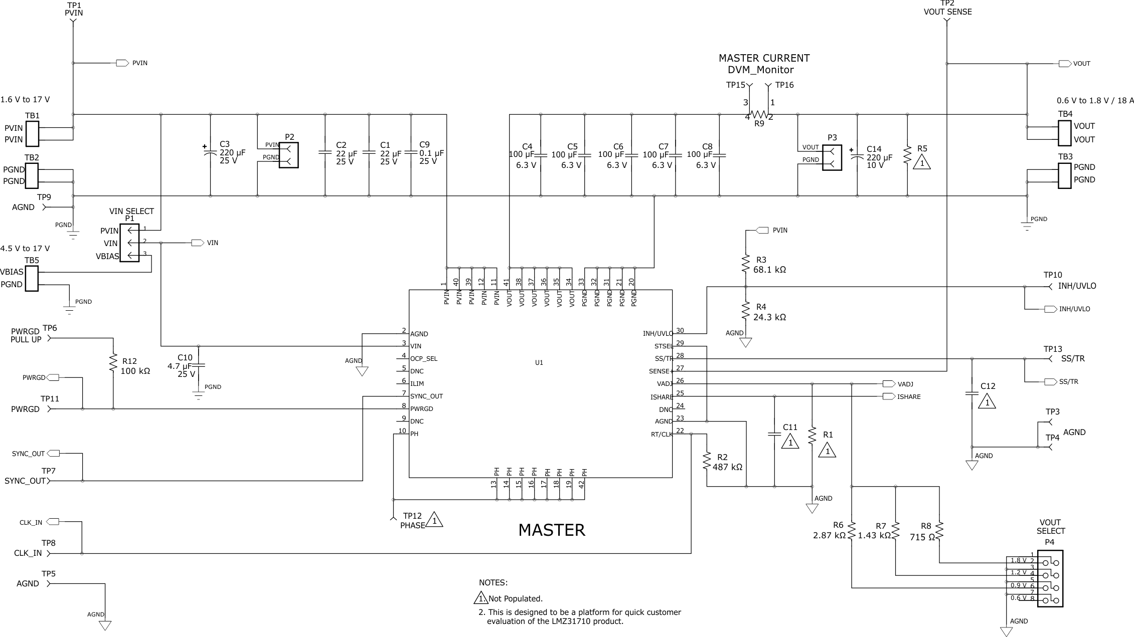
  9. 2 个 LMZ31710 并联原理图
  10. 4 个 LMZ31710 并联物料清单
  11. 104 个 LMZ31710 并联原理图
  12. 11修订历史记录

2 个 LMZ31710 并联原理图

GUID-0ACE228D-7119-435E-B185-8A8E309A382A-low.gif
GUID-016B77E9-2AF1-4B41-8F56-F6A2E3D779C1-low.gif