ZHCU726C July   2017  – October 2017 DLP2000 , DLPA1000 , DLPC2607

 

  1.   1
    1.     2
  2.   3
    1.     4
    2.     5
      1.      6
      2.      7
    3.     8
      1.      9
      2.      10
    4.     11
    5.     12
    6.     13
  3.   14

光学光源引擎概述

EVM 中的光学引擎由 Young Optics Incorporated 开发并制造。

光源引擎包含以下组件:

  • 0.2 英寸 nHD DMD (DLP2000)
  • OSRAM 红色、绿色和蓝色 LED - LE BA Q6WM 和 LCG H9RM
  • DMD 柔性电缆,用于将光源引擎与 DLPC2607 对接
  • LED 柔性电缆,用于将 LED 与 DLPA1000 对接

Table 2. 光学引擎规格

参数 最小值 典型值 最大值 单位
亮度 20 30 (1) lm
LED 电流 100 320 500 mA
亮度均匀性 75%
投射比 1.6
偏移 100%
焦点范围 10 60 英寸
图像对角线尺寸 10 60 英寸
可以利用最高电流设置将 DLPDLCR2000EVM 光学引擎驱动到 30 流明,但也会导致工作温度升高。当在典型工作条件以外运行时,建议用户为该系统添加散热器,以便能够保持相同的设备温度。

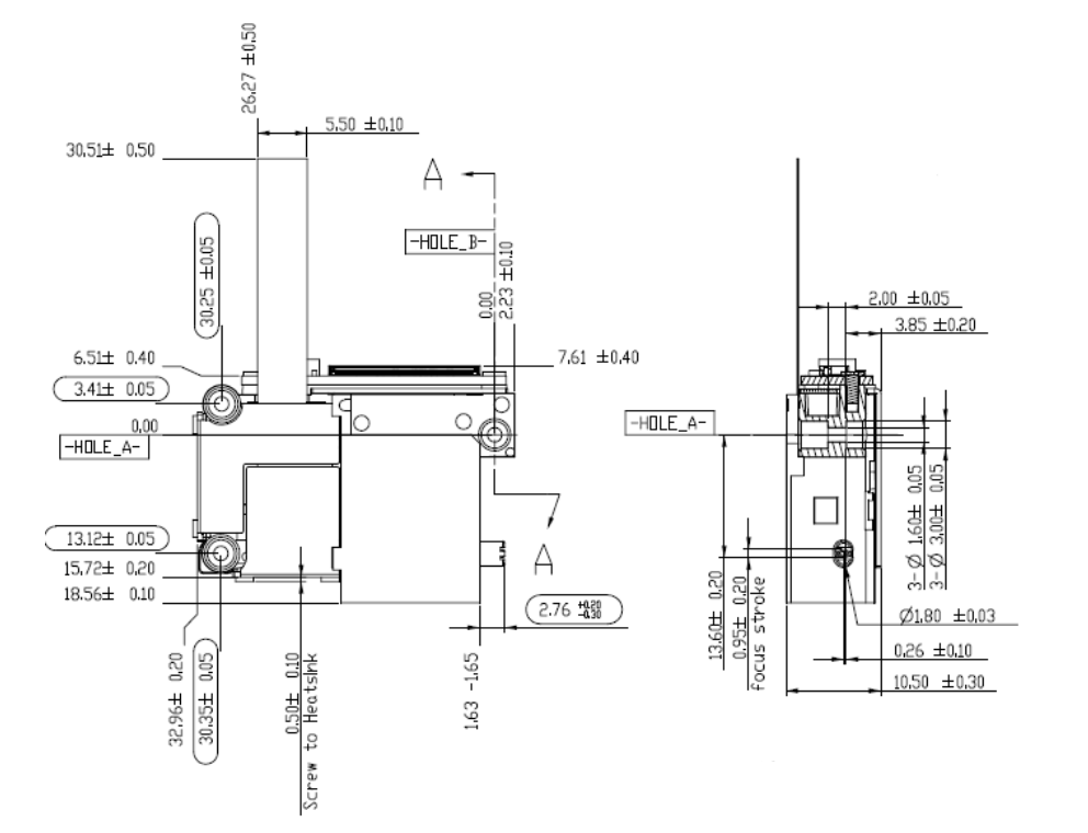
Figure 12 中显示了光学引擎的尺寸:

evm_diagram.pngFigure 12. 光学引擎的尺寸