ZHCSKQ1C May   2019  – December 2024 LMG1025-Q1

PRODUCTION DATA  

  1.   1
  2. 特性
  3. 应用
  4. 说明
  5. 引脚配置和功能
  6. 规格
    1. 5.1 绝对最大额定值
    2. 5.2 ESD 等级
    3. 5.3 建议运行条件
    4. 5.4 热性能信息
    5. 5.5 电气特性
    6. 5.6 开关特性
    7. 5.7 典型特性
  7. 详细说明
    1. 6.1 概述
    2. 6.2 功能方框图
    3. 6.3 特性说明
      1. 6.3.1 输入级
      2. 6.3.2 输出级
      3. 6.3.3 辅助电源和欠压锁定
      4. 6.3.4 过热保护 (OTP)
    4. 6.4 器件功能模式
  8. 应用和实施
    1. 7.1 应用信息
    2. 7.2 典型应用
      1. 7.2.1 设计要求
      2. 7.2.2 详细设计过程
        1. 7.2.2.1 处理接地反弹
        2. 7.2.2.2 生成纳秒脉冲
        3. 7.2.2.3 VDD 和过冲
        4. 7.2.2.4 以更高频率运行
      3. 7.2.3 应用曲线
  9. 电源相关建议
  10. 布局
    1. 9.1 布局指南
      1. 9.1.1 栅极驱动环路电感和接地连接
      2. 9.1.2 旁路电容器
    2. 9.2 布局示例
  11. 10器件和文档支持
    1. 10.1 器件支持
      1. 10.1.1 第三方产品免责声明
    2. 10.2 接收文档更新通知
    3. 10.3 支持资源
    4. 10.4 静电放电警告
    5. 10.5 商标
    6. 10.6 术语表
  12. 11修订历史记录
  13. 12机械、封装和可订购信息

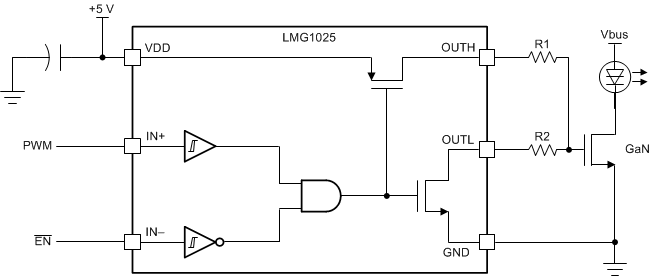
典型应用

LMG1025-Q1 设计为配合单个低侧接地基准 GaN 或逻辑电平 FET 使用,如图 7-1 所示。独立栅极驱动电阻 R1 和 R2 分别用于单独控制导通和关断驱动强度。为了实现快速且强力的关断,可将 R2 短接并将 OUTL 直接连接到晶体管的栅极。为了获得对称驱动强度,可以将 OUTH 和 OUTL 短接并使用单个栅极驱动电阻。应该注意确保功率器件栅极上的振铃或任何栅极驱动器引脚上的振铃不超过建议额定值。电阻在抑制这些振铃方面发挥着重要作用。对于栅极驱动器和功率器件而言,栅极电阻的布局和类型也非常重要。

强烈建议在每个 OUTH 和 OUTL 端使用至少 2Ω 的电阻,以避免因电感振铃而导致电压过应力。必须确保振铃低于 VDD+0.3V。

对于需要较小电阻的应用,请联系工厂寻求指导。

LMG1025-Q1 典型的电路实现图 7-1 典型的电路实现