ZHCSHA1C November   2019  – July 2020 ADS8686S

PRODUCTION DATA  

  1. 特性
  2. 应用
  3. 说明
  4. 修订历史记录
  5. 引脚配置和功能
  6. 规格
    1. 6.1  绝对最大额定值
    2. 6.2  ESD 等级
    3. 6.3  建议的工作条件
    4. 6.4  热性能信息
    5. 6.5  电气特性
    6. 6.6  时序要求
    7. 6.7  开关特性
    8. 6.8  时序图通用
    9. 6.9  时序图:并行数据读取
    10. 6.10 时序图:串行数据读取
    11. 6.11 典型特性
  7. 详细说明
    1. 7.1 概述
    2. 7.2 功能方框图
    3. 7.3 特性说明
      1. 7.3.1  模拟输入
      2. 7.3.2  模拟输入阻抗
      3. 7.3.3  输入钳位保护电路
      4. 7.3.4  可编程增益放大器 (PGA)
      5. 7.3.5  二阶可编程低通滤波器 (LPF)
      6. 7.3.6  ADC 驱动器
      7. 7.3.7  多路复用器
      8. 7.3.8  数字滤波器和噪声
      9. 7.3.9  基准
        1. 7.3.9.1 内部基准
        2. 7.3.9.2 外部基准
        3. 7.3.9.3 为多个器件提供一个 VREF
      10. 7.3.10 ADC 传输特性
    4. 7.4 器件功能模式
      1. 7.4.1 器件接口:引脚描述
        1. 7.4.1.1  REFSEL(输入)
        2. 7.4.1.2  RESET(输入)
        3. 7.4.1.3  SEQEN(输入)
        4. 7.4.1.4  HW_RANGESEL[1:0](输入)
        5. 7.4.1.5  SER/BYTE/PAR(输入)
        6. 7.4.1.6  DB[3:0](输入/输出)
        7. 7.4.1.7  DB4/SER1W(输入/输出)
        8. 7.4.1.8  DB5/CRCEN(输入/输出)
        9. 7.4.1.9  DB[7:6](输入/输出)
        10. 7.4.1.10 DB8(输入/输出)
        11. 7.4.1.11 DB9/BYTESEL(输入/输出)
        12. 7.4.1.12 DB10/SDI(输入/输出)
        13. 7.4.1.13 DB11/SDOB(输入/输出)
        14. 7.4.1.14 DB12/SDOA(输入/输出)
        15. 7.4.1.15 DB13/OS0(输入/输出)
        16. 7.4.1.16 DB14/OS1(输入/输出)
        17. 7.4.1.17 DB15/OS2(输入/输出)
        18. 7.4.1.18 WR/BURST(输入)
        19. 7.4.1.19 SCLK/RD(输入)
        20. 7.4.1.20 CS(输入)
        21. 7.4.1.21 CHSEL[2:0](输入)
        22. 7.4.1.22 BUSY(输出)
        23. 7.4.1.23 CONVST(输入)
      2. 7.4.2 器件运行模式
        1. 7.4.2.1 关断模式
        2. 7.4.2.2 工作模式
          1. 7.4.2.2.1 硬件模式
          2. 7.4.2.2.2 软件模式
        3. 7.4.2.3 复位功能性
        4. 7.4.2.4 通道选择
          1. 7.4.2.4.1 硬件模式通道选择
          2. 7.4.2.4.2 软件模式通道选择
        5. 7.4.2.5 序列发生器
          1. 7.4.2.5.1 硬件模式序列发生器
          2. 7.4.2.5.2 软件模式序列发生器
        6. 7.4.2.6 突发序列发生器
          1. 7.4.2.6.1 硬件模式突发序列发生器
          2. 7.4.2.6.2 软件模式突发序列发生器
        7. 7.4.2.7 诊断
          1. 7.4.2.7.1 模拟诊断
          2. 7.4.2.7.2 接口诊断:自检和 CRC
    5. 7.5 编程
      1. 7.5.1 并行接口
        1. 7.5.1.1 读取转换结果
        2. 7.5.1.2 写入寄存器数据
        3. 7.5.1.3 读取寄存器数据
      2. 7.5.2 并行字节接口
        1. 7.5.2.1 读取转换结果
        2. 7.5.2.2 写入寄存器数据
        3. 7.5.2.3 读取寄存器数据
      3. 7.5.3 串行接口
        1. 7.5.3.1 读取转换结果
        2. 7.5.3.2 写入寄存器数据
        3. 7.5.3.3 读取寄存器数据
    6. 7.6 寄存器映射
      1. 7.6.1 页 1 寄存器
  8. 应用和实现
    1. 8.1 应用信息
    2. 8.2 典型应用
      1. 8.2.1 适用于电力自动化的 8x2 通道数据采集系统 (DAQ)
        1. 8.2.1.1 设计要求
        2. 8.2.1.2 详细设计过程
        3. 8.2.1.3 应用曲线
      2. 8.2.2 电气过载输入保护
  9. 电源相关建议
    1. 9.1 电源
  10. 10布局
    1. 10.1 布局指南
    2. 10.2 布局示例
  11. 11器件和文档支持
    1. 11.1 器件支持
      1. 11.1.1 开发支持
    2. 11.2 文档支持
      1. 11.2.1 相关文档
    3. 11.3 接收文档更新通知
    4. 11.4 支持资源
    5. 11.5 商标
    6. 11.6 Electrostatic Discharge Caution
    7. 11.7 术语表
      1.      机械、封装和可订购信息

电气过载输入保护

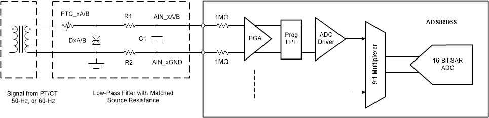
如果应用需要防范超过器件指定绝对最大额定值的过压或快速瞬态事件,建议选择使用瞬态电压抑制器 (TVS) 或肖特基二极管的外部保护钳位电路。图 8-4 显示了每个通道上的 TVS(DxA 或 DxB)保护。必须选择合适的 TVS 二极管来保护特定的 ADC 器件。如果 ADC 输入范围配置为 ±10V,可使用双向 TVS 二极管 10V 至 15V 之间的关断电压保护 ADS8686S。选定 TVS 二极管的击穿电压必须小于器件的指定绝对最大输入电压额定值,ADS8686S 上的此值为 ±15V。

GUID-03B94FB8-116A-4AA1-BD08-54B5357C34B8-low.gif图 8-4 电气过载输入保护

正温度系数 (PTC) 保险丝(PTC_xA 或 PTC_xB)串联放置以保护电路,在故障情况下发生过流时,从低电阻状态变为高电阻状态。PTC 保险丝的这一行为对输入保护电路很有用,因为在正常的未跳闸状态下,串联电阻会很低,失真也保持在相对较低的水平。在跳闸状态下,PTC 提供高串联电阻,以限制故障电流和功耗。PTC 与 TVS 二极管一起钳制过驱动信号。有关数据转换器上过载的理论解释,请参阅数据转换器上的电气过载 视频系列

图 8-5 左侧显示了高电压连续输入过压正弦波信号 (60VPP),右侧显示了在 Eaton Electronics™ PTC 保险丝 (PTS120660V005) 和 ON Semiconductor® 双向 TVS 二极管 (SMBJ12CA) 共同作用下 ADS8686S EVM 上的钳位信号。外部双向 TVS 二极管导通,过压正弦波信号钳至 ±14.5VPEAK,小于 ADS8686S 器件的绝对最大输入电压额定值 ±15V,因此 ADC 器件可免受过压输入信号的影响。有关 ADS8686S 输入保护的详细信息,请参阅采用 TVS 二极管和 PTC 保险丝的高电压 ADC 电路输入保护 应用手册

GUID-65683578-C923-43FD-8715-D1C453A15A9C-low.gif图 8-5 使用 PTC 二极管、TVS 二极管和 ADS8686S 的输入保护响应