ZHCSGU9C June   2017  – November 2018 TPS2373

PRODUCTION DATA.  

  1. 特性
  2. 应用
  3. 说明
    1.     Device Images
      1.      简化原理图
  4. 修订历史记录
  5. 引脚配置和功能
    1.     引脚功能
  6. 规格
    1. 6.1 绝对最大额定值
    2. 6.2 ESD 额定值
    3. 6.3 建议运行条件
    4. 6.4 热性能信息
    5. 6.5 电气特性
    6. 6.6 典型特性
  7. 详细 说明
    1. 7.1 概述
    2. 7.2 功能框图
    3. 7.3 特性 说明
      1. 7.3.1  APD 辅助电源检测
      2. 7.3.2  PG 电源正常(转换器使能)引脚接口
      3. 7.3.3  CLSA 和 CLSB 分类
      4. 7.3.4  DEN 检测和使能
      5. 7.3.5  内部导通 MOSFET
      6. 7.3.6  TPH、TPL 和 BT PSE 类型指标
      7. 7.3.7  VC_IN、VC_OUT、UVLO_SEL 和高级 PWM 启动
      8. 7.3.8  AMPS_CTL、MPS_DUTY 和自动 MPS
      9. 7.3.9  VDD 电源电压
      10. 7.3.10 VSS
      11. 7.3.11 外露散热焊盘
    4. 7.4 器件功能模式
      1. 7.4.1  PoE 概述
      2. 7.4.2  阈值电压
      3. 7.4.3  PoE 启动顺序
      4. 7.4.4  检测
      5. 7.4.5  硬件分类
      6. 7.4.6  浪涌和启动
      7. 7.4.7  维持功率特征
      8. 7.4.8  高级启动和转换器运行
      9. 7.4.9  PD 热插拔运行
      10. 7.4.10 启动和电源管理,PG、TPH、TPL、BT
      11. 7.4.11 适配器 ORing
      12. 7.4.12 使用 DEN 禁用 PoE
      13. 7.4.13 ORing 挑战
  8. 应用和实现
    1. 8.1 应用信息
    2. 8.2 典型应用
      1. 8.2.1 设计要求
      2. 8.2.2 详细设计要求
        1. 8.2.2.1  输入电桥和肖特基二极管
        2. 8.2.2.2  保护器件,D1
        3. 8.2.2.3  电容,C1
        4. 8.2.2.4  检测电阻,RDEN
        5. 8.2.2.5  分类电阻,RCLSA 和 RCLSB
        6. 8.2.2.6  APD 引脚分压器网络 RAPD1、RAPD2
        7. 8.2.2.7  用于 TPH、TPL 和 BT 的光隔离器
        8. 8.2.2.8  VC 输入和输出,CVCIN 和 CVCOUT
        9. 8.2.2.9  UVLO 选择,UVLO_SEL
        10. 8.2.2.10 自动 MPS 和 MPS 占空比,RMPS 和 RMPS_DUTY
        11. 8.2.2.11 内部电压基准,RREF
      3. 8.2.3 应用曲线
  9. 电源建议
  10. 10布局
    1. 10.1 布局指南
    2. 10.2 布局示例
    3. 10.3 EMI 遏制
    4. 10.4 散热注意事项和 OTSD
    5. 10.5 ESD
  11. 11器件和文档支持
    1. 11.1 文档支持
      1. 11.1.1 相关文档
    2. 11.2 接收文档更新通知
    3. 11.3 社区资源
    4. 11.4 商标
    5. 11.5 静电放电警告
    6. 11.6 术语表
  12. 12机械、封装和可订购信息

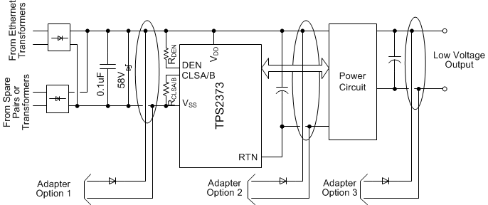
适配器 ORing

许多支持 PoE 的设备设计为使用墙上适配器或 PoE 电源供电。本地电源解决方案增加了成本和复杂性,但是 PoE 在特定情况下不可用时,允许使用相应产品。虽然大多数 应用 只要求 PD 在两种电源都存在时正常运行,但 TPS2373 支持强制选用由任一电源供电运行。Figure 29 说明了二极管 ORing 外部电源为 PD 供电的三种方案。在任何特定设计中只能使用一种方案。方案 1 将电源施加到 TPS2373 PoE 输入端,方案 2 将电源施加到 TPS2373 PoE 部分和电源电路之间,方案 3 将电源施加到转换器的输出侧。每种方案都有优缺点。许多基本 ORing 配置以及《采用 TPS23753 的高级适配器 ORing 解决方案》应用手册 (SLVA306) 中包含的大部分讨论内容都适用于包含直流/直流转换器的 TPS2373。

TPS2373 Oring_Configurations_SLUSCD1.gifFigure 29. Oring 配置

IEEE 标准要求以太网电缆与地电位以及所有其他系统电位隔离。在 ORing 方案 1 和 2 中,适配器必须在输出端和所有其他连接之间通过最小 1500Vac 的绝缘耐压测试。在方案 3 中,仅当转换器不提供此隔离的情况下,适配器才需要实现此隔离。

图中所有方案所示的适配器 ORing 二极管用于防止反向电压适配器、适配器输入引脚短路或低压适配器损坏。在方案 3 中,有时 ORing 是通过使用 MOSFET 实现的。