SPRUIM6A October   2018  – November 2020

 

  1. 1Introduction
    1. 1.1 Key Features
  2. 2AM65x IDK Overview
  3. 3Common Processor Board
    1. 3.1 Key Features
    2. 3.2 Functional Block Diagram
    3. 3.3 Overview of Common Processor Board
      1. 3.3.1  Clocking
        1. 3.3.1.1 RTC Clock
        2. 3.3.1.2 Maxwell SoC Clock
        3. 3.3.1.3 Ethernet PHY Clocks
        4. 3.3.1.4 SERDES Clock
      2. 3.3.2  Reset
      3. 3.3.3  Power Requirements
        1. 3.3.3.1 Power Input
        2. 3.3.3.2 Overvoltage and Undervoltage Protection Circuit
        3. 3.3.3.3 Voltage Supervisor
        4. 3.3.3.4 Current Monitoring
        5. 3.3.3.5 Power Supply
        6. 3.3.3.6 Power Sequencing
        7. 3.3.3.7 SoC Power
      4. 3.3.4  Configuration
        1. 3.3.4.1 Boot Modes
        2. 3.3.4.2 JTAG
          1. 3.3.4.2.1 Test Automation
        3. 3.3.4.3 UART Interface
      5. 3.3.5  Memory Interfaces
        1. 3.3.5.1 DDR4 Interface
        2. 3.3.5.2 MMC Interface
          1. 3.3.5.2.1 SDHC Interface
          2. 3.3.5.2.2 eMMC Interface
        3. 3.3.5.3 OSPI Interface
        4. 3.3.5.4 SPI NOR Flash Interface
        5. 3.3.5.5 Board ID EEPROM Interface
        6. 3.3.5.6 Boot EEPROM Interface
      6. 3.3.6  Ethernet Interface
        1. 3.3.6.1 Gigabit Ethernet PHY Default Configuration
        2. 3.3.6.2 Ethernet LEDs
      7. 3.3.7  LCD Display Interface
      8. 3.3.8  USB 2.0 Interface
      9. 3.3.9  CSI-2 Interface
      10. 3.3.10 Application Card Interface
      11. 3.3.11 SERDES Interface
      12. 3.3.12 GPMC/DSS Interface
      13. 3.3.13 I2C Interface
      14. 3.3.14 SPI Interface
      15. 3.3.15 Timer and Interrupt
        1. 3.3.15.1 Timer
        2. 3.3.15.2 Interrupt
      16. 3.3.16 Fan Connector
  4. 4IDK Application Card
    1. 4.1 Key Features
    2. 4.2 Overview of IDK Application Board
      1. 4.2.1 Application Card Connector
      2. 4.2.2 Profibus Interface
      3. 4.2.3 CAN Interface
      4. 4.2.4 Rotary Switch
      5. 4.2.5 Industrial I/O Terminal Connector
      6. 4.2.6 Ethernet Interface
      7. 4.2.7 Board ID Memory
      8. 4.2.8 Power Supply
  5. 5x2 Lane PCIe Personality Card
    1. 5.1 Key Features
    2. 5.2 Overview of PCIex2 Daughter Card
      1. 5.2.1 Personality Card Connectors
      2. 5.2.2 USB 2.0 Interface
      3. 5.2.3 PCIe Interface
      4. 5.2.4 x2 Lane PCIe Personality Card Clocking
      5. 5.2.5 Board ID EEPROM Interface
      6. 5.2.6 x2 Lane PCIe Personality Card Power
  6. 6Known Issues
    1. 6.1 Determining the Revision and Date Code for the EVM
    2. 6.2 Known Issues for the A, E4, and E3 Revision
      1. 6.2.1 Lack of Reset for I2C IO Expander
    3. 6.3 Known Issues for the E4 & E3 Revision
      1. 6.3.1 Changes Unique to the E4 Revision Modified for 2.0 Revision
    4. 6.4 Known Issues for the E3 Revision
      1. 6.4.1 Resonance Observed on the SoC Side of Some Filters Associated with VDDA_1V8
      2. 6.4.2 Additional LDO Power Supply Needed for VDDA_1P8_SERDES0
      3. 6.4.3 Length of the RESET Signal to the PCIE Connectors on the SERDES Daughter Card
      4. 6.4.4 The PORz_OUT and MCU_PORz_OUT Signals Go High During Power Sequencing
      5. 6.4.5 Orientation of the Current Monitoring Shunt Resistors
      6. 6.4.6 SD Card IO Supply Capacitance
      7. 6.4.7 PHY Resistor Strapping Changed to Disable EEE Mode
      8. 6.4.8 The I2C Address for the I2C Boot Memory changed to 0x52
  7. 7Configuring the PRG0 and PRG1 Ethernet Interface to MII
    1. 7.1 Ethernet PHY Initial Conditions and TX Clock Signal Change
      1. 7.1.1 Ethernet PHY0 Clock and Initial Condition for MII
      2. 7.1.2 Ethernet PHY1 Clock and Initial Condition for MII
      3. 7.1.3 Ethernet PHY2 Clock and Initial Condition for MII
      4. 7.1.4 Ethernet PHY3 Clock and Initial Condition for MII
    2. 7.2 Ethernet PHY and TX Data Signals Change
      1. 7.2.1 Ethernet PHY0 TX Data Signals for MII
      2. 7.2.2 Ethernet PHY1 TX Data Signals for MII
      3. 7.2.3 Ethernet PHY2 TX Data Signals for MII
      4. 7.2.4 Ethernet PHY3 TX Data Signals for MII
  8. 8Revision History

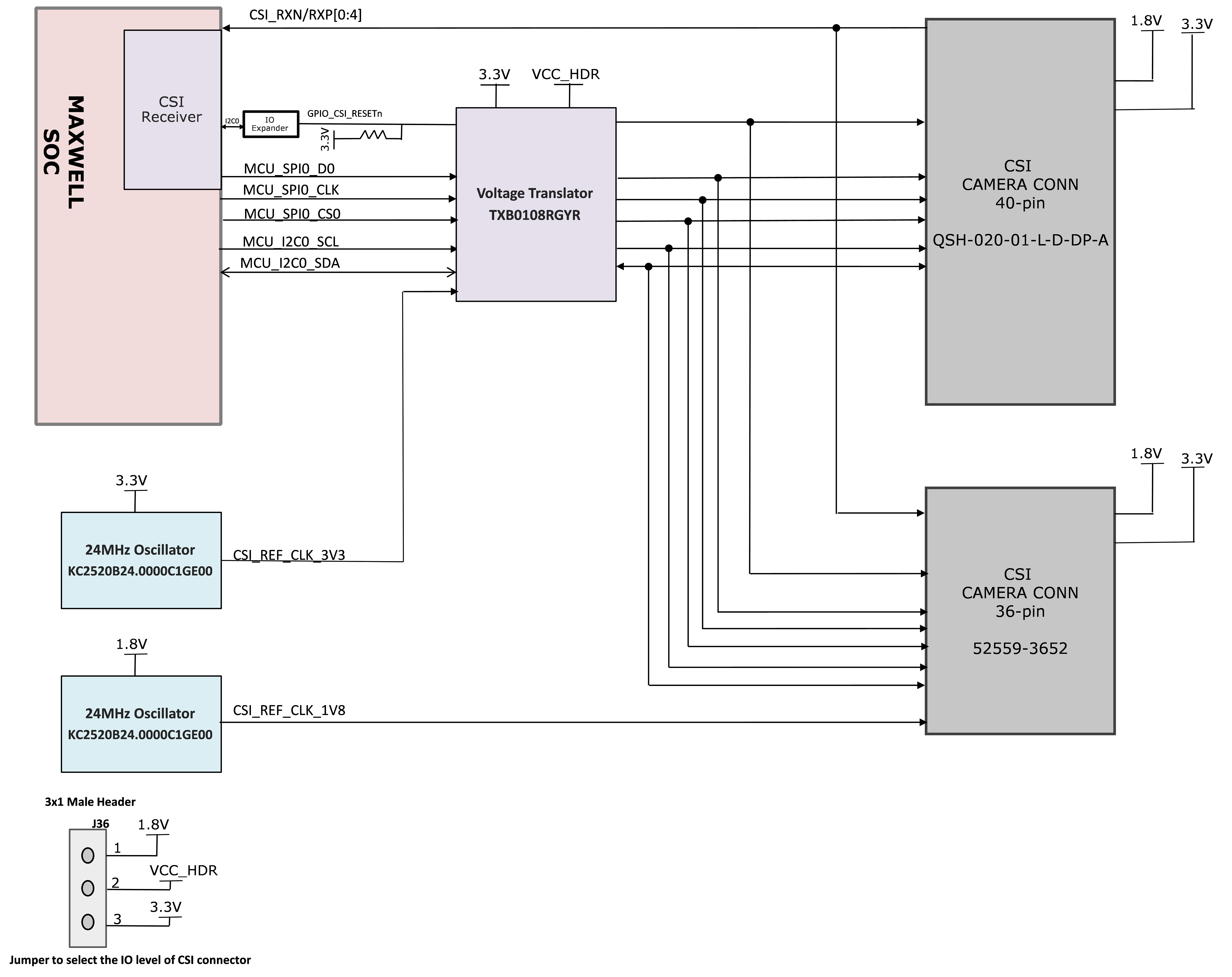
CSI-2 Interface

The CSI-2 interface from the AM65x processor is terminated to two camera connectors to interface a CSI-2 standard camera:

  • J22 – 40-pin Samtec connector, which is referenced from OV490 / OV10640 Combo Module
  • J39 – 36-pin Molex connector, which is referred from Leopard Imaging CPI (VIN) Connector

The two connectors match the existing standards for camera cards. The CSI-2 connector on the board is selected based on the camera module installed. MCU_I2C0 and MCU_SPI0 are also connected to the camera connector through level translators.

The control signals connected to J39 are all 1.8 V, whereas the control signals connected to J22 can be either 1.8 V or 3.3 V. A jumper (J37) is used to select the required I/O voltage, as shown in Figure 3-20. Short Pin 1 and Pin 2 for 1.8-V I/O operation, or Short Pin 2 and Pin 3 for 3.3-V I/O operation. The footprint to mount the oscillator of part number KC2520B24.0000C1GE00 is provided to supply 24-MHz REFCLK to the CSI-2 module. Mount U114 for 1.8-V REFCLK, and mount U112 for 3.3-V REFCLK.

GUID-99F3C589-9542-4FDA-9327-6645A060D422-low.pngFigure 3-20 CSI Interface
Table 3-25 CSI-2 Samtec Connector (J22) Pin-out
Pin NumberCP Card Signals-CSIDirection
1NCNA
2CSI_MCU_SCLOutput
3NCNA
4CSI_MCU_SDABidirectional
5CSI0_RXP0Input
6NCNA
7CSI0_RXN0Input
8NCNA
9CSI0_RXP1Input
10CSI_REF_CLKOutput
11CSI0_RXN1Input
12DGNDPower
13CSI0_RXP2Input
14CSI_RESETNOutput
15CSI0_RXN2Input
16DGNDPower
17CSI0_RXP3Input
18CSI_MCU_SPI0_D0Output
19CSI0_RXN3Input
20CSI_MCU_SPI0_CLKOutput
21CSI0_RXP4Input
22CSI_MCU_SPI0_CS0Output
23CSI0_RXN4Input
24DGNDPower
25NCNA
26NCNA
27NCNA
28NCNA
29NCNA
30VCC3V3_IOPower
31NCNA
32VCC3V3_IOPower
33NCNA
34VCC3V3_IOPower
35NCNA
36VCC3V3_IOPower
37NCNA
38VCC1V8Power
39NCNA
40VCC1V8DGND
Table 3-26 CSI-2 Molex Connector (J39) Pin-out
Pin NumberCP Card Signals-CSIDirection
1VCC3V3_IOPower
2VCC3V3_IOPower
3VCC3V3_IOPower
4VCC1V8Power
5VCC1V8Power
6DGNDDGND
7DGNDNC
8CSI0_RXP0Input
9CSI0_RXN0Input
10DGNDPower
11CSI0_RXP1Input
12CSI0_RXN1Input
13DGNDPower
14CSI0_RXP2Input
15CSI0_RXN2Input
16DGNDPower
17CSI0_RXP3Input
18CSI0_RXN3Input
19DGNDPower
20CSI0_RXP4Input
21CSI0_RXN4Input
22DGNDPower
23CSI_RESETNOutput
24CSI_MCU_SDABidirectional
25CSI_MCU_SCLOutput
26CSI_REF_CLK_1V8Output
27NCNA
28NCNA
29DGNDPower
30CSI_MCU_SPI0_D0Output
31CSI_MCU_SPI0_CLKOutput
32CSI_MCU_SPI0_CS0Output
33DGNDPower
34DGNDPower
35NCNA
36NCNA