SLAU874 October   2022 TPA3223

 

  1.   TPA3223 Evaluation Module
    1.     Trademarks
    2. 1.1 Quick Start (BTL MODE)
      1. 1.1.1 Required Hardware
      2. 1.1.2 Connections and Board Configuration (BTL MODE)
      3. 1.1.3 Power-Up
    3. 1.2 Setup By Mode
      1. 1.2.1 BTL MODE (Stereo - 2 Speaker Outputs)
      2. 1.2.2 PBTL MODE (Mono – 1 Speaker Output)
        1. 1.2.2.1 Connections and Board Configuration
        2. 1.2.2.2 Power-Up
    4. 1.3 Hardware Configuration
      1. 1.3.1 Indicator Overview (OTW_CLIP and FAULT)
      2. 1.3.2 PWM Frequency Adjust
      3. 1.3.3 Modulation Modes (AD Mode and HEAD Mode)
      4. 1.3.4 Output Mode Selection
      5. 1.3.5 Audio Front End
      6. 1.3.6 EVM Power Tree
        1. 1.3.6.1 TPA3223 Supplies
        2. 1.3.6.2 TPA3223EVM Power Options
          1. 1.3.6.2.1 PVDD Only (12 V to 45 V)
          2. 1.3.6.2.2 PVDD (12 V to 45 V) and One Non-5-V Supply
          3. 1.3.6.2.3 PVDD (12 V to 45 V) and 5-V Supply
      7. 1.3.7 LC Response and Overview
      8. 1.3.8 Reset Circuit and POR
      9. 1.3.9 Analog-Input-Board Connector (J28)
    5. 1.4 EVM Design Documents
      1. 1.4.1 TPA3223 Board Layouts
      2. 1.4.2 TPA3223 Board Layouts
      3. 1.4.3 TPA3223EVM Schematics
      4. 1.4.4 TPA3223EVM Bill of Materials
  2.   Trademarks
  3. 1Quick Start (BTL MODE)
    1. 1.1 Required Hardware
    2. 1.2 Connections and Board Configuration (BTL MODE)
    3. 1.3 Power-Up
  4. 2Setup By Mode
    1. 2.1 BTL MODE (Stereo - 2 Speaker Outputs)
    2. 2.2 PBTL MODE (Mono – 1 Speaker Output)
      1. 2.2.1 Connections and Board Configuration
      2. 2.2.2 Power-Up
  5. 3Hardware Configuration
    1. 3.1 Indicator Overview (OTW_CLIP and FAULT)
    2. 3.2 PWM Frequency Adjust
    3. 3.3 Modulation Modes (AD Mode and HEAD Mode)
    4. 3.4 Output Mode Selection
    5. 3.5 Audio Front End
    6. 3.6 EVM Power Tree
      1. 3.6.1 TPA3223 Supplies
      2. 3.6.2 TPA3223EVM Power Options
        1. 3.6.2.1 PVDD Only (12 V to 45 V)
        2. 3.6.2.2 PVDD (12 V to 45 V) and One Non-5-V Supply
        3. 3.6.2.3 PVDD (12 V to 45 V) and 5-V Supply
    7. 3.7 LC Response and Overview
    8. 3.8 Reset Circuit and POR
    9. 3.9 Analog-Input-Board Connector (J28)
  6. 4EVM Design Documents
    1. 4.1 TPA3223 Board Layouts
    2. 4.2 TPA3223 Board Layouts
    3. 4.3 TPA3223EVM Schematics
    4. 4.4 TPA3223EVM Bill of Materials

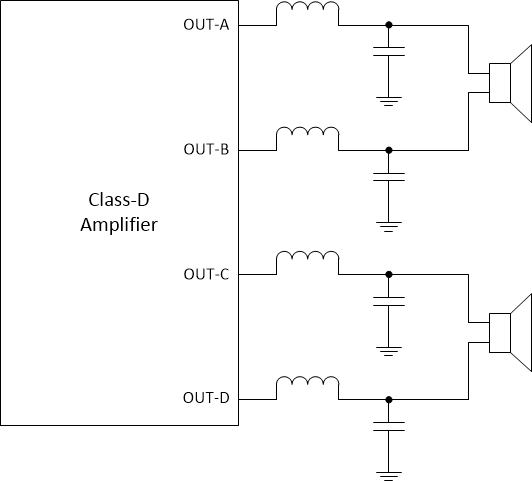
Quick Start (BTL MODE)

The following section describes the necessary hardware, connections, configuration, and steps to quick start the EVM into BTL mode with stereo audio playing out of two speakers.

Figure 1-15 illustrates the BTL mode output configuration.

GUID-E6C76800-163B-4EE4-9049-653C95DC0081-low.gifFigure 1-15 Output Configuration BTL