SLAA705A July   2016  – November 2019 MSP430FR2310 , MSP430FR2311

 

  1.   How to Use the Smart Analog Combo and Transimpedance Amplifier on MSP430FR2311
    1.     Trademarks
    2. 1 Introduction
    3. 2 Configuration of the Integrated Operational Amplifiers
      1. 2.1 Configuration of SAC_OA
        1.       Example 1. Code Example for Configuring SAC_OA
      2. 2.2 Configuration of TIA
        1.       Example 2. Code Example for Configuring TIA
    4. 3 Application Examples
      1. 3.1 SAC_OA as a Transimpedance Amplifier
      2. 3.2 TIA Module as a Transimpedance Amplifier
      3. 3.3 A Current Sensing System Demo
    5. 4 References
  2.   Revision History

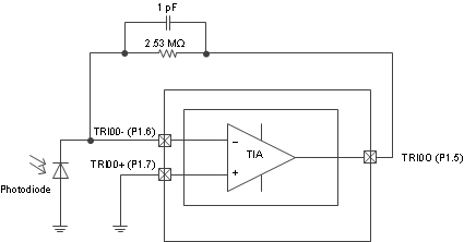
TIA Module as a Transimpedance Amplifier

The transimpedance amplifier in Figure 10 is the same as in Figure 7 except that the operational amplifier is replaced by the TIA module. On the TSSOP16 package, the TIA module is the preferred choice for a transimpedance amplifier due to the small input bias current on the TRI0- pin. A user can take advantage of the low input bias current when interfacing a sensor with low output current.

fig10_TIA_With_TIA.gifFigure 10. Transimpedance Amplifier With TIA

Figure 11 shows the output voltage with 1-µA input current pulses. On the MSP430FR2311 LaunchPad, the phot diode is replaced by a current source. Jumpers are removed to disconnect the SAC_OA pins from input. Then two jumper wires are used to connect the feedback resistor and current source to the TIA negative input and output. The TIA positive input is tied to ground via a jumper wire. The noise level is high in the output due to long jumper wires. In a real application, the signal traces to the op amp must be as short as possible to minimize noise.

fig11_Output_Voltage_1uA_Input.pngFigure 11. Output Voltage With 1-µA Input Current