SLAA705A July   2016  – November 2019 MSP430FR2310 , MSP430FR2311

 

  1.   How to Use the Smart Analog Combo and Transimpedance Amplifier on MSP430FR2311
    1.     Trademarks
    2. 1 Introduction
    3. 2 Configuration of the Integrated Operational Amplifiers
      1. 2.1 Configuration of SAC_OA
        1.       Example 1. Code Example for Configuring SAC_OA
      2. 2.2 Configuration of TIA
        1.       Example 2. Code Example for Configuring TIA
    4. 3 Application Examples
      1. 3.1 SAC_OA as a Transimpedance Amplifier
      2. 3.2 TIA Module as a Transimpedance Amplifier
      3. 3.3 A Current Sensing System Demo
    5. 4 References
  2.   Revision History

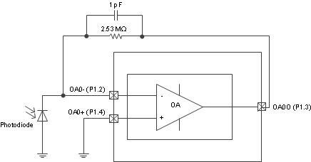
SAC_OA as a Transimpedance Amplifier

In many applications, the sensing element (a photodiode, for example) is a current source. A transimpedance amplifier is required to convert the sensor output current to voltage so that it can be read by the ADC module.

A transimpedance amplifier composed of the SAC_OA module (see Figure 7).

fig07_TIA_With_SAC_OA.gifFigure 7. Transimpedance Amplifier With SAC_OA

The gain of the transimpedance amplifier is purely determined by the value of the feedback resistor when the input bias current of the operational amplifier is negligible. For the circuit in Figure 8, a voltage of 2.5 V is observed at the OA0O pin when the photodiode generates an output of 1 µA. The 1-pF bypass capacitor enables a low-pass filter with a pole at 63 kHz to eliminate potential oscillation at high frequencies.

Figure 8 shows the op amp output voltage with 1-µA input current. For this example, the photodiode on the MSP430FR2311 LaunchPad development kit is replaced by a current source. The current source is constructed by a function generator with a 1-MΩ resistor in series. Figure 9 shows the op amp output voltage with 50-nA input current. The input waveform is on Channel 2, and the output is on Channel 1.

fig08_Output_Voltage_1uA_Input.pngFigure 8. Output Voltage With 1-µA Input Current
fig09_Output_Voltage_50nA_Input.pngFigure 9. Output Voltage With 50-nA Input Current