ZHCSCW8L March   2014  – May 2025 WL1807MOD , WL1837MOD

PRODUCTION DATA  

  1.   1
  2. 特性
  3. 应用
  4. 说明
  5. 功能方框图
  6. 器件比较
    1. 5.1 相关产品
  7. 引脚配置和功能
    1. 6.1 引脚属性
  8. 规格
    1. 7.1  绝对最大额定值
    2. 7.2  ESD 等级
    3. 7.3  建议运行条件
    4. 7.4  外部数字慢时钟要求
    5. 7.5  MOC 100 引脚封装的热阻特性
    6. 7.6  WLAN 性能:2.4GHz 接收器特性
    7. 7.7  WLAN 性能:2.4GHz 发送器功率
    8. 7.8  WLAN 性能:5GHz 接收器特性
    9. 7.9  WLAN 性能:5GHz 发送器功率
    10. 7.10 WLAN 性能:电流
    11. 7.11 蓝牙性能:BR,EDR 接收器特性 - 带内信号
    12. 7.12 蓝牙性能:发送器,BR
    13. 7.13 蓝牙性能:发送器,EDR
    14. 7.14 蓝牙性能:调制,BR
    15. 7.15 蓝牙性能:调制,EDR
    16. 7.16 低功耗蓝牙性能:接收器特性 – 带内信号
    17. 7.17 低功耗蓝牙性能:发送器特性
    18. 7.18 低功耗蓝牙性能:调制特性
    19. 7.19 蓝牙 BR 和 EDR 动态电流
    20. 7.20 低功耗蓝牙电流
    21. 7.21 时序和开关特性
      1. 7.21.1 电源管理
        1. 7.21.1.1 方框图 – 内部直流/直流电源
      2. 7.21.2 上电和断电状态
      3. 7.21.3 芯片顶层上电序列
      4. 7.21.4 WLAN 上电序列
      5. 7.21.5 蓝牙-低功耗蓝牙上电序列
      6. 7.21.6 WLAN SDIO 传输层
        1. 7.21.6.1 SDIO 时序规格
        2. 7.21.6.2 SDIO 开关特性 – 高速率
      7. 7.21.7 所有功能模块(WLAN 除外)的 HCI UART 共享传输层
        1. 7.21.7.1 UART 4 线接口 – H4
      8. 7.21.8 蓝牙编解码器-PCM(音频)时序规格
  9. 详细说明
    1. 8.1 WLAN 特性
    2. 8.2 蓝牙特性
    3. 8.3 低功耗蓝牙特性
    4. 8.4 器件认证
      1. 8.4.1 FCC 认证和声明
      2. 8.4.2 加拿大创新、科学和经济发展部(ISED)
      3. 8.4.3 ETSI/CE
      4. 8.4.4 MIC 认证
    5. 8.5 模块标识
    6. 8.6 测试等级
    7. 8.7 最终产品标示
    8. 8.8 面向最终用户的手册信息
  10. 应用、实施和布局
    1. 9.1 应用信息
      1. 9.1.1 典型应用 – WL1837MOD 参考设计
      2. 9.1.2 设计建议
      3. 9.1.3 射频迹线和天线布局建议
      4. 9.1.4 模块布局建议
      5. 9.1.5 散热板建议
      6. 9.1.6 烘烤和 SMT 建议
        1. 9.1.6.1 烘烤建议
        2. 9.1.6.2 SMT 建议
  11. 10器件和文档支持
    1. 10.1 器件支持
      1. 10.1.1 第三方产品免责声明
      2. 10.1.2 开发支持
        1. 10.1.2.1 工具与软件
      3. 10.1.3 器件支持命名规则
    2. 10.2 支持资源
    3. 10.3 商标
    4. 10.4 静电放电警告
    5. 10.5 术语表
  12. 11修订历史记录
  13. 12机械、封装和可订购信息
    1. 12.1 TI 模块机械制图
    2. 12.2 卷带包装信息
      1. 12.2.1 卷带包装规格
      2. 12.2.2 封装规范
        1. 12.2.2.1 卷带盒
        2. 12.2.2.2 装运箱
    3. 12.3 封装信息
      1. 12.3.1 封装选项附录

封装选项

请参考 PDF 数据表获取器件具体的封装图。

机械数据 (封装 | 引脚)
  • MOC|100
散热焊盘机械数据 (封装 | 引脚)
订购信息

卷带包装规格

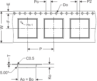
WL1807MOD WL1837MOD 卷带规格图 12-2 卷带规格
表 12-2 卷带规格尺寸
项目WEFPPoP2DoTAoBoKo
尺寸(mm)24.00 (±0.30)1.75 (±0.10)11.50 (±0.10)20.00 (±0.10)4.00 (±0.10)2.00 (±0.10)2.00 (±0.10)0.35 (±0.05)13.80 (±0.10)13.80 (±0.10)2.50 (±0.10)

 

 

WL1807MOD WL1837MOD 卷盘规格图 12-3 卷盘规格
表 12-3 卷盘规格尺寸
项目W1W2
尺寸(mm)24.4(+1.5、–0.5)30.4(最大值)