ZHCS779C March   2012  – July 2025 UCC28070 , UCC28070A

PRODUCTION DATA  

  1.   1
  2. 特性
  3. 应用
  4. 说明
  5. Pin Configuration and Functions
  6. Specifications
    1. 5.1 Absolute Maximum Ratings
    2. 5.2 ESD Ratings
    3. 5.3 Recommended Operating Conditions
    4. 5.4 Thermal Information
    5. 5.5 Electrical Characteristics
    6. 5.6 Typical Characteristics
  7. Detailed Description
    1. 6.1 Overview
    2. 6.2 Functional Block Diagram
    3. 6.3 Feature Description
      1. 6.3.1  Interleaving
      2. 6.3.2  Programming the PWM Frequency and Maximum Duty-Cycle Clamp
      3. 6.3.3  Frequency Dithering (Magnitude and Rate)
      4. 6.3.4  External Clock Synchronization
      5. 6.3.5  Multi-phase Operation
      6. 6.3.6  VSENSE and VINAC Resistor Configuration
      7. 6.3.7  VSENSE and VINAC Open-Circuit Protection
      8. 6.3.8  Current Synthesizer
      9. 6.3.9  Programmable Peak Current Limit
      10. 6.3.10 Linear Multiplier and Quantized Voltage Feed Forward
      11. 6.3.11 Enhanced Transient Response (VA Slew-Rate Correction)
      12. 6.3.12 Bias Voltages (VCC and VREF)
      13. 6.3.13 PFC Enable and Disable
      14. 6.3.14 Adaptive Soft-Start
      15. 6.3.15 PFC Start-Up Hold Off
      16. 6.3.16 Output Overvoltage Protection (OVP)
      17. 6.3.17 Zero-Power Detection
      18. 6.3.18 Thermal Shutdown
      19. 6.3.19 Current Loop Compensation
      20. 6.3.20 Voltage Loop Compensation
    4. 6.4 Device Functional Modes
  8. Application and Implementation
    1. 7.1 Application Information
    2. 7.2 Typical Application
      1. 7.2.1 Design Requirements
      2. 7.2.2 Detailed Design Procedure
        1. 7.2.2.1 Output Current Calculation
        2. 7.2.2.2 Bridge Rectifier
        3. 7.2.2.3 PFC Inductor (L1 and L2)
        4. 7.2.2.4 PFC MOSFETs (M1 and M2)
        5. 7.2.2.5 PFC Diode
        6. 7.2.2.6 PFC Output Capacitor
        7. 7.2.2.7 Current-Loop Feedback Configuration (Sizing of the Current-Transformer Turns-Ratio NCT and Current-Sense Resistor RS)
        8. 7.2.2.8 Current-Sense Offset and PWM Ramp for Improved Noise Immunity
      3. 7.2.3 Application Curves
    3. 7.3 Power Supply Recommendations
    4. 7.4 Layout
      1. 7.4.1 Layout Guidelines
      2. 7.4.2 Layout Example
  9. 器件和文档支持
    1. 8.1 文档支持
      1. 8.1.1 相关文档
    2. 8.2 接收文档更新通知
    3. 8.3 支持资源
    4. 8.4 商标
    5. 8.5 静电放电警告
    6. 8.6 术语表
  10. Revision History
  11. 10Mechanical, Packaging, and Orderable Information

封装选项

机械数据 (封装 | 引脚)
散热焊盘机械数据 (封装 | 引脚)
订购信息

VSENSE and VINAC Open-Circuit Protection

Both the VSENSE and VINAC pins have been designed with an internal 250nA current sink to ensure that in the event of an open circuit at either pin, the voltage is not left undefined, and the UCC28070A remains in a safe operating mode.

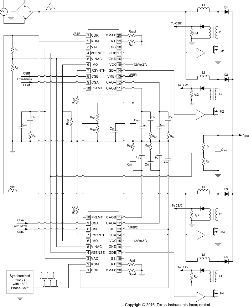
UCC28070 UCC28070A Simplified
          Four-Phase Application Diagram Using Two UCC28070A Devices Figure 6-1 Simplified Four-Phase Application Diagram Using Two UCC28070A Devices