ZHCSBD7C August   2013  – June 2024 UCC27524A

PRODUCTION DATA  

  1.   1
  2. 特性
  3. 应用
  4. 说明
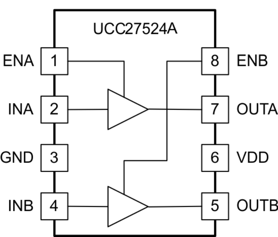
  5. 引脚配置和功能
  6. 规格
    1. 5.1 绝对最大额定值
    2. 5.2 ESD 等级
    3. 5.3 建议运行条件
    4. 5.4 热性能信息
    5. 5.5 电气特性
    6. 5.6 开关特性
    7. 5.7 时序图
    8. 5.8 典型特性
  7. 详细说明
    1. 6.1 概述
    2. 6.2 功能方框图
    3. 6.3 特性说明
      1. 6.3.1 工作电源电流
      2. 6.3.2 输入级
      3. 6.3.3 使能功能
      4. 6.3.4 输出级
    4. 6.4 低传播延迟和紧密匹配的输出
    5. 6.5 器件功能模式
  8. 应用和实施
    1. 7.1 应用信息
    2. 7.2 典型应用
      1. 7.2.1 设计要求
      2. 7.2.2 详细设计过程
        1. 7.2.2.1 VDD 和欠压锁定
        2. 7.2.2.2 驱动电流和功率损耗
      3. 7.2.3 应用曲线
  9. 电源相关建议
  10. 布局
    1. 9.1 布局指南
    2. 9.2 布局示例
    3. 9.3 散热注意事项
  11. 10器件和文档支持
    1. 10.1 器件支持
      1. 10.1.1 第三方产品免责声明
    2. 10.2 接收文档更新通知
    3. 10.3 支持资源
    4. 10.4 商标
    5. 10.5 静电放电警告
    6. 10.6 术语表
  12. 11修订历史记录
  13. 12机械、封装和可订购信息

封装选项

机械数据 (封装 | 引脚)
散热焊盘机械数据 (封装 | 引脚)
订购信息

说明

UCC27524A 器件是一款双通道、高速、低侧栅极驱动器器件,能够有效驱动 MOSFET 和 IGBT 电源开关。UCC27524A 是 UCC2752x 系列的一个变化器件。为了增加稳定耐用性,UCC27524A 在输入引脚上增加了直接处理 -5V 电压的能力。UCC27524A 是一款双通道同相驱动器。使用能够从内部大大降低击穿电流的设计,UCC27524A 能够将高达 5A 拉电流和 5A 灌电流的高峰值电流脉冲传送到容性负载,此器件还具有轨到轨驱动能力和典型值为 17ns 的超小传播延迟。除此之外,此驱动器特有两个通道间相匹配的内部传播延迟,这一特性使得此驱动器非常适合于诸如同步整流器等对于双栅极驱动有严格时序要求的应用。这还使得两个通道可以并联,以有效地增加电流驱动能力或者使用一个单一输入信号驱动两个并联开关。输入引脚阈值基于 TTL 和 CMOS 兼容的低压逻辑,此逻辑是固定的且与 VDD 电源电压无关。高低阈值间的宽滞后提供了记好的抗噪声性能。

器件信息
器件型号 封装(1) 本体封装尺寸(标称值)
UCC27524A D (SOIC 8) 4.90mm x 3.91mm
DGN (HVSSOP 8) 3.00mm x 3.00mm
有关所有可用封装,请参阅节 12
UCC27524A 双路同相输入双路同相输入