ZHCSNM5C november   2020  – august 2023 UCC25800-Q1

PRODUCTION DATA  

  1.   1
  2. 特性
  3. 应用
  4. 说明
  5. Revision History
  6. Device Comparison Table
  7. Pin Configuration and Functions
  8. Specifications
    1. 7.1 Absolute Maximum Ratings
    2. 7.2 ESD Ratings
    3. 7.3 Recommended Operating Conditions
    4. 7.4 Thermal Information
    5. 7.5 Electrical Characteristics
    6. 7.6 Typical Characteristics
  9. Detailed Description
    1. 8.1 Overview
    2. 8.2 Functional Block Diagram
    3. 8.3 Feature Description
      1. 8.3.1 Power Management
      2. 8.3.2 Oscillator
      3. 8.3.3 External Synchronization
      4. 8.3.4 Dead-Time
        1. 8.3.4.1 Adaptive Dead-time
        2. 8.3.4.2 Maximum Programmable Dead-time
      5. 8.3.5 Protections
        1. 8.3.5.1 Overcurrent Protection
          1. 8.3.5.1.1 OCP Threshold Setting
          2. 8.3.5.1.2 Output Power Capability
        2. 8.3.5.2 Input Overvoltage Protection (OVP)
        3. 8.3.5.3 Over-Temperature Protection (TSD)
        4. 8.3.5.4 Pin-Fault Protections
        5. 8.3.5.5 VREG Pin Protection
      6. 8.3.6 DIS/FLT Pin operation
        1. 8.3.6.1 FAULT Codes
    4. 8.4 Device Functional Modes
      1. 8.4.1 UVLO Mode
      2. 8.4.2 Soft-start Mode
      3. 8.4.3 Normal Operation Mode
      4. 8.4.4 Disabled Mode
      5. 8.4.5 Fault Modes
  10. Application and Implementation
    1. 9.1 Application Information
    2. 9.2 Typical Application
      1. 9.2.1 LLC Converter Operation Principle
      2. 9.2.2 Design Requirements
      3. 9.2.3 Detailed Design Procedure
      4. 9.2.4 Application Curves
    3. 9.3 What to Do and What Not to Do
  11. 10Power Supply Recommendations
  12. 11Layout
    1. 11.1 Layout Guidelines
    2. 11.2 Layout Example
  13. 12Device and Documentation Support
    1. 12.1 Documentation Support
      1. 12.1.1 Related Documentation
    2. 12.2 接收文档更新通知
    3. 12.3 支持资源
    4. 12.4 Trademarks
    5. 12.5 静电放电警告
    6. 12.6 术语表
  14. 13Mechanical, Packaging, and Orderable Information

封装选项

机械数据 (封装 | 引脚)
散热焊盘机械数据 (封装 | 引脚)
订购信息

说明

UCC25800-Q1 超低 EMI 变压器驱动器集成了开关功率级、控制和保护电路,可简化隔离式偏置电源设计。它允许设计使用具有更高漏电感但小得多的初级至次级寄生电容的变压器。这种低电容变压器设计能够将通过偏置变压器的共模电流注入降低一个数量级。这使得变压器驱动器成为各种汽车应用中隔离式偏置电源的理想解决方案,以更大限度地减少由高速开关器件引起的 EMI 噪声。软开关特性可进一步减少 EMI 噪声。

这款变压器驱动器具有 100kHz 至 1.2MHz 的可编程频率范围。这种高开关频率可减小变压器尺寸和占用面积,并降低偏置电源的总成本。集成的 SYNC 功能允许系统偏置电源与外部时钟信号同步,从而进一步减少系统级噪声。

死区时间会自动调整以尽可能减少传导损耗并简化设计。可编程的最大死区时间确保了功率级设计的灵活性。

借助集成的低电阻开关功率级,变压器驱动器可以在 24V 输入下实现 6W 设计,在 34V 输入下实现高达 9W 的设计。在输入电压固定的情况下,开环控制还有助于在负载高于 10% 时将输出调节保持在 ±5%。

可编程过流保护 (OCP) 允许灵活地设计功率级,以尽可能减小变压器尺寸。诸如可调 OCP、输入 OVP、TSD 和引脚故障保护等保护功能可确保稳健运行。固定的 1.5ms 软启动周期可降低启动和故障恢复期间的浪涌电流。

这款变压器驱动器还提供专用的多功能引脚,用于外部禁用和故障代码报告。一旦偏置电源处于保护模式,故障代码报告就会发送故障代码。

UCC25800-Q1 变压器驱动器采用 8 引脚 DGN 封装,带有散热焊盘以增强其热处理能力。

器件信息
器件型号 封装(1) 封装尺寸(标称值)
UCC25800-Q1 HVSSOP (8) 3.00mm × 3.00mm
如需了解所有可用封装,请参阅数据表末尾的可订购产品附录。
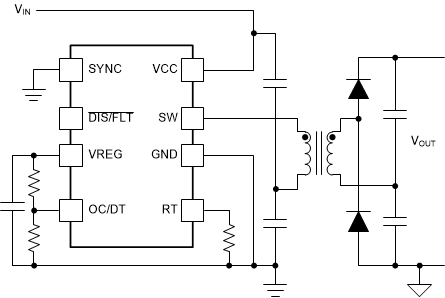
GUID-20210715-CA0I-KWD5-V399-LHPG7HT1GBFB-low.gif简化版应用