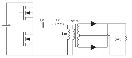
LLC 谐振转换器基于串联谐振转换器 (SRC)。通过使用变压器的磁化电感,可在较宽的输入电压和负载范围内实现零电压开关。在多谐振作用下,即使开关频率高于或低于谐振频率时,也可以保持零电压开关。这简化了转换器设计,从而避免可能导致系统损坏的零电流开关区域。当转换器在标称输入电压下的工作频率接近其谐振频率时,可获得最佳效率。随着开关频率的降低,电压增益会显著增加。这样可使转换器的电压在输入电压下降时仍保持稳定。这些特性使得该转换器非常适合高压升压 PFC 预稳压器的输出操作,允许它在短暂的交流线路电压降低过程中保持电压稳定。
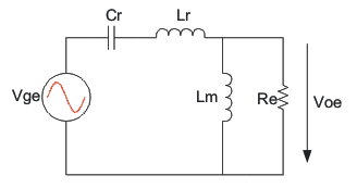
由于谐振转换器的性质,谐振组件上的所有电压和电流都近似为正弦波。LLC 谐振转换器的增益特性是根据一次谐波近似 (FHA) 进行分析的,这意味着所有电压和电流都被视为正弦波形,其频率与开关频率相同。
方程式 10. 
var tempcontentStr='/Analog & Mixed-Signal/power management/ac-dc & dc-dc controllers (external fet)';
var partNum ='UCC25600';
var contentStr = replaceSplChars( tempcontentStr )+ "/"+ partNum;
var tiContentGroup = contentStr.replace("'","");
function replaceSplChars(content){
var myRegExp=new RegExp("|®|™","gi");
content=content.replace(myRegExp,"");
return content;
}
var tiProductPathID='/64/360000/';
var tiPageName = 'Literature reader-ZHCSWR5D-zh_CN';
var tiDocType = 'Data Sheet';
var tiLibraryStore = new com.TI.tiLibrary.tiLibraryStore();
var tiLibraryViewerStore = tiLibraryStore.viewer_store;
RiotControl.addStore(tiLibraryStore);
var subRoutes = riot.route.create();
subRoutes("/document-viewer/*/datasheet/*\\?*#*", function(gpn, url, params, anchor) {
RiotControl.trigger("ti_library_open_viewer", {
document: tiLibraryViewerStore.document,
documentLocale: tiLibraryViewerStore.documentLocale,
url: "/document-viewer/" + gpn + "/datasheet/" + url + "#" + anchor,
toc: true,
set_content: true });
});
subRoutes("/document-viewer/*/datasheet/*#*", function(gpn, url, anchor) {
RiotControl.trigger("ti_library_open_viewer", {
document: tiLibraryViewerStore.document,
documentLocale: tiLibraryViewerStore.documentLocale,
url: "/document-viewer/" + gpn + "/datasheet/" + url + "#" + anchor,
toc: true,
set_content: true });
});
subRoutes("/document-viewer/*/datasheet/*", function(gpn, url) {
RiotControl.trigger("ti_library_open_viewer", {
document: tiLibraryViewerStore.document,
documentLocale: tiLibraryViewerStore.documentLocale,
url: "/document-viewer/" + gpn + "/datasheet/" + url,
toc: true,
set_content: true });
});
subRoutes("/document-viewer/*/*/datasheet/*\\?*#*", function(locale, gpn, url, params, anchor) {
RiotControl.trigger("ti_library_open_viewer", {
document: tiLibraryViewerStore.document,
documentLocale: tiLibraryViewerStore.documentLocale,
url: "/document-viewer/" + locale + "/" + gpn + "/datasheet/" + url + "#" + anchor,
toc: true,
set_content: true });
});
subRoutes("/document-viewer/*/*/datasheet/*#*", function(locale, gpn, url, anchor) {
RiotControl.trigger("ti_library_open_viewer", {
document: tiLibraryViewerStore.document,
documentLocale: tiLibraryViewerStore.documentLocale,
url: "/document-viewer/" + locale + "/" + gpn + "/datasheet/" + url + "#" + anchor,
toc: true,
set_content: true });
});
subRoutes("/document-viewer/*/*/datasheet/*", function(locale, gpn, url) {
RiotControl.trigger("ti_library_open_viewer", {
document: tiLibraryViewerStore.document,
documentLocale: tiLibraryViewerStore.documentLocale,
url: "/document-viewer/" + locale + "/" + gpn + "/datasheet/" + url,
toc: true,
set_content: true });
});
subRoutes("/document-viewer/*/datasheet#*/*", function(gpn, url, fragment) {
RiotControl.trigger("ti_library_open_viewer", {
document: tiLibraryViewerStore.document,
documentLocale: tiLibraryViewerStore.documentLocale,
url: "/document-viewer/" + gpn + "/datasheet#" + url + "/" + fragment,
toc: true,
set_content: true });
});
subRoutes("/document-viewer/*/*/datasheet#*/*", function(locale, gpn, url, fragment) {
RiotControl.trigger("ti_library_open_viewer", {
document: tiLibraryViewerStore.document,
documentLocale: tiLibraryViewerStore.documentLocale,
url: "/document-viewer/" + locale + "/" + gpn + "/datasheet#" + url + "/" + fragment,
toc: true,
set_content: true });
});
subRoutes("/document-viewer/lit/html/*", function(litnum) {
RiotControl.trigger("ti_library_open_viewer", {
document: tiLibraryViewerStore.document,
documentLocale: tiLibraryViewerStore.documentLocale,
url: "/document-viewer/lit/html/" + litnum,
toc: true,
set_content: true });
});
subRoutes("/document-viewer/lit/html/*/*\\?*#*", function(litnum, url, params, anchor) {
RiotControl.trigger("ti_library_open_viewer", {
document: tiLibraryViewerStore.document,
documentLocale: tiLibraryViewerStore.documentLocale,
url: "/document-viewer/lit/html/" + litnum + "/" + url + "#" + anchor,
toc: true,
set_content: true });
});
subRoutes("/document-viewer/lit/html/*/*#*", function(litnum, url, anchor) {
RiotControl.trigger("ti_library_open_viewer", {
document: tiLibraryViewerStore.document,
documentLocale: tiLibraryViewerStore.documentLocale,
url: "/document-viewer/lit/html/" + litnum + "/" + url + "#" + anchor,
toc: true,
set_content: true });
});
subRoutes("/document-viewer/lit/html/*#*/*", function(litnum, url, anchor) {
RiotControl.trigger("ti_library_open_viewer", {
document: tiLibraryViewerStore.document,
documentLocale: tiLibraryViewerStore.documentLocale,
url: "/document-viewer/lit/html/" + litnum + "#" + url + "/" + anchor,
toc: true,
set_content: true });
});
subRoutes("/document-viewer/*/lit/html/*#*/*", function(locale, litnum, url, anchor) {
RiotControl.trigger("ti_library_open_viewer", {
document: tiLibraryViewerStore.document,
documentLocale: tiLibraryViewerStore.documentLocale,
url: "/document-viewer/" + locale + "/lit/html/" + litnum + "#" + url + "/" + anchor,
toc: true,
set_content: true });
});
subRoutes("/document-viewer/lit/html/*/*", function(litnum, url) {
RiotControl.trigger("ti_library_open_viewer", {
document: tiLibraryViewerStore.document,
documentLocale: tiLibraryViewerStore.documentLocale,
url: "/document-viewer/lit/html/" + litnum + "/" + url,
toc: true,
set_content: true });
});
subRoutes("/document-viewer/*/lit/html/*/*\\?*#*", function(locale, litnum, url, params, anchor) {
RiotControl.trigger("ti_library_open_viewer", {
document: tiLibraryViewerStore.document,
documentLocale: tiLibraryViewerStore.documentLocale,
url: "/document-viewer/" + locale + "/lit/html/" + litnum + "/" + url + "#" + anchor,
toc: true,
set_content: true });
});
subRoutes("/document-viewer/*/lit/html/*/*#*", function(locale, litnum, url, anchor) {
RiotControl.trigger("ti_library_open_viewer", {
document: tiLibraryViewerStore.document,
documentLocale: tiLibraryViewerStore.documentLocale,
url: "/document-viewer/" + locale + "/lit/html/" + litnum + "/" + url + "#" + anchor,
toc: true,
set_content: true });
});
subRoutes("/document-viewer/*/lit/html/*/*", function(locale, litnum, url) {
RiotControl.trigger("ti_library_open_viewer", {
document: tiLibraryViewerStore.document,
documentLocale: tiLibraryViewerStore.documentLocale,
url: "/document-viewer/" + locale + "/lit/html/" + litnum + "/" + url,
toc: true,
set_content: true });
});
var compose_url = function(q) {
//URL format: scheme:[//[user[:password]@]host[:port]][/path][?query][#fragment]
var tempUrl = q.url.replace("//www.ti.com.cn/", "");
var url = tempUrl.replace("//www.ti.com.cn/", "");
if (q.search != null) {
var params = "";
var hash = "";
var url_parts = url.split('#');
if (url_parts.length == 2) {
url = url_parts[0];
hash = url_parts[1];
}
var param_parts = url.split('?');
if (param_parts.length == 2) {
url = param_parts[0];
var parsed_params = param_parts[1].split('&');
var keyword_param_found = false;
for (var i = 0; i < parsed_params.length; i++) {
if (parsed_params[i].indexOf('search=') == 0) {
keyword_param_found = true;
parsed_params[i] = 'search=' + q.search;
}
}
if (!keyword_param_found) {
parsed_params.push('search=' + q.search);
}
params = parsed_params.join('&');
} else {
params = 'search=' + q.search;
}
if (params > "") {
url = url + '?' + params;
}
if (hash > "") {
url = url + '#' + hash;
}
}
return url;
};
tiLibraryViewerStore.compose_url_route = function(location, q) {
return compose_url(q);
};
tiLibraryViewerStore.compute_content_href = function(href, url) {
return url;
};
tiLibraryViewerStore.compose_topic_url = function(location, q) {
return compose_url(q);
};
tiLibraryViewerStore.important_notice_url = "//www.ti.com.cn/document-viewer/cn/UCC25600/datasheet/important_notice#ImpNotice001";
var ods_reader = riot.mount('ti-library-viewer', {
store: tiLibraryStore.list_store,
viewerstore: tiLibraryViewerStore
});
riot.route.base('/');
riot.route.start(true);
compute_document_locale = function(docName) {
var locale = 'en_US';
if (docName) {
if (docName.toLowerCase().indexOf('z')===0) {
locale = 'zh_CN';
} else if (docName.toLowerCase().indexOf('j') == 0) {
locale = 'ja_JP';
}
}
return locale;
}
open_reader = function() {
var path = window.location.pathname.split('/');
var path_minus_filename = '';
for (var i = 0; i < path.length - 1; i++) {
if (i == 0 && path[i] == '') {
console.log("double slashes found in beginning of document path; treating document path as local machine path");
continue;
}
path_minus_filename += "/" + path[i];
}
RiotControl.trigger("ti_library_open_viewer", {
documentLocale: compute_document_locale( "ZHCSWR5D"),
document: {
href: path_minus_filename,
lit_num: "ZHCSWR5D",
doc_type: "Data Sheet",
show_toc: "true",
translated_doc_type: "数据表",
gpn: "UCC25600",
title: "UCC25600 8 引脚高性能谐振模式控制器",
disclaimer: "本资源的原文使用英文撰写。 为方便起见,TI 提供了译文;由于翻译过程中可能使用了自动化工具,TI 不保证译文的准确性。 为确认准确性,请务必访问 ti.com 参考最新的英文版本(控制文档)。 ",
product: "//www.ti.com.cn/product/cn/UCC25600",
email: 'mailto:?subject=UCC25600 Datasheet&body=http://www.ti.com.cn/document-viewer/cn/UCC25600/datasheet',
download: '//www.ti.com.cn/cn/lit/gpn/UCC25600',
tistore: '//store.ti.com/Search.aspx?k=UCC25600&pt=-1',
productstatusdescription: 'PRODUCTION DATA'
},
url: "/document-viewer/cn/UCC25600/datasheet/GUID-1083BEF0-F6FB-4923-80E0-EB180529DFF6",
prepopulated: true,
modalOptions: {
dismissible: false
}
});
}
open_reader();