ZHCSF55F June   2016  – November 2024 UCC21520

PRODUCTION DATA  

  1.   1
  2. 特性
  3. 应用
  4. 说明
  5. 说明(续)
  6. 引脚配置和功能
  7. 规格
    1. 6.1  绝对最大额定值
    2. 6.2  ESD 等级
    3. 6.3  建议运行条件
    4. 6.4  热性能信息
    5. 6.5  功率等级
    6. 6.6  绝缘规格
    7. 6.7  安全限值
    8. 6.8  电气特性
    9. 6.9  时序要求
    10. 6.10 开关特性
    11. 6.11 绝缘特性曲线
    12. 6.12 典型特性
  8. 参数测量信息
    1. 7.1 传播延迟和脉宽失真度
    2. 7.2 上升至下降时间
    3. 7.3 输入和禁用响应时间
    4. 7.4 可编程死区时间
    5. 7.5 上电 UVLO 到输出延迟
    6. 7.6 CMTI 测试
  9. 详细说明
    1. 8.1 概述
    2. 8.2 功能方框图
    3. 8.3 特性说明
      1. 8.3.1 VDD、VCCI 和欠压锁定 (UVLO)
      2. 8.3.2 输入和输出逻辑表
      3. 8.3.3 输入级
      4. 8.3.4 输出级
      5. 8.3.5 UCC21520 和 UCC21520A 中的二极管结构
    4. 8.4 器件功能模式
      1. 8.4.1 禁用引脚
      2. 8.4.2 可编程死区时间 (DT) 引脚
        1. 8.4.2.1 将 DT 引脚连接到 VCC
        2. 8.4.2.2 DT 引脚连接至 DT 和 GND 引脚之间的编程电阻器
  10. 应用和实施
    1. 9.1 应用信息
    2. 9.2 典型应用
      1. 9.2.1 设计要求
      2. 9.2.2 详细设计过程
        1. 9.2.2.1 设计 INA/INB 输入滤波器
        2. 9.2.2.2 选择外部自举二极管及其串联电阻
        3. 9.2.2.3 栅极驱动器输出电阻器
        4. 9.2.2.4 栅极至源极电阻器选择
        5. 9.2.2.5 估算栅极驱动器功率损耗
        6. 9.2.2.6 估算结温
        7. 9.2.2.7 选择 VCCI、VDDA/B 电容器
          1. 9.2.2.7.1 选择 VCCI 电容器
          2. 9.2.2.7.2 选择 VDDA(自举)电容器
          3. 9.2.2.7.3 选择 VDDB 电容器
        8. 9.2.2.8 死区时间设置指南
        9. 9.2.2.9 具有输出级负偏置的应用电路
      3. 9.2.3 应用曲线
  11. 10电源相关建议
  12. 11布局
    1. 11.1 布局指南
    2. 11.2 布局示例
  13. 12器件和文档支持
    1. 12.1 第三方产品免责声明
    2. 12.2 文档支持
      1. 12.2.1 相关文档
    3. 12.3 认证
    4. 12.4 接收文档更新通知
    5. 12.5 支持资源
    6. 12.6 商标
    7. 12.7 静电放电警告
    8. 12.8 术语表
  14. 13修订历史记录
  15. 14机械、封装和可订购信息

封装选项

请参考 PDF 数据表获取器件具体的封装图。

机械数据 (封装 | 引脚)
  • DW|16
散热焊盘机械数据 (封装 | 引脚)
订购信息

具有输出级负偏置的应用电路

当非理想 PCB 布局和较长的封装引线(例如 TO-220 和 TO-247 型封装)引入寄生电感时,功率晶体管的栅极源驱动电压在高 di/dt 和 dv/dt 开关期间可能会出现振铃。如果振铃超过阈值电压,就有意外导通甚至发生击穿的风险。在栅极驱动上施加负偏置是一种可以将振玲保持在阈值以下的常用方法。下面是实现负栅极驱动偏置的几个例子。

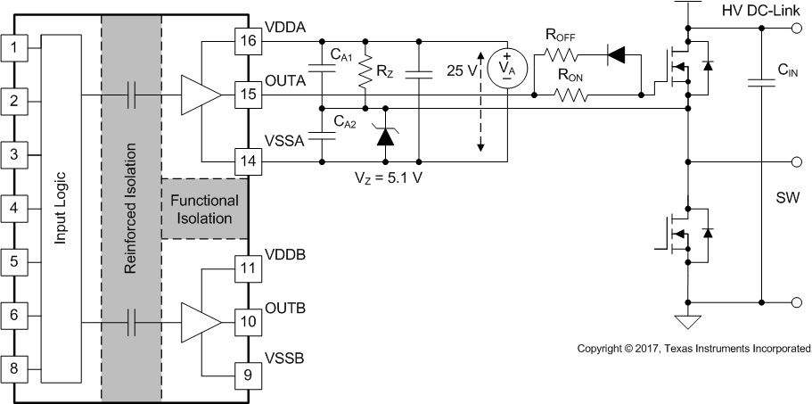
图 9-2 展示了通过在隔离式电源输出级使用齐纳二极管来在通道 A 驱动器上生成负偏置关断的第一个例子。负偏置由齐纳二极管电压设置。如果隔离式电源 VA 等于 25 V,则关断电压为 –5.1V,导通电压为 25 V – 5.1V ≈ 20 V。通道 B 驱动器电路与通道 A 的相同,因此该配置需要两个用于半桥配置的电源,并且 RZ 上存在稳态功耗。

UCC21520 UCC21520A 利用 ISO 偏置电源输出上的齐纳二极管生成负偏置图 9-2 利用 ISO 偏置电源输出上的齐纳二极管生成负偏置

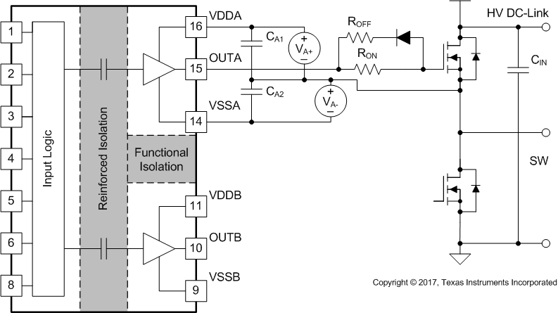
图 9-3 展示了采用两个电源(或单输入双输出电源)的另一个例子。电源 VA+ 决定正驱动输出电压,而 VA– 决定负关断电压。通道 B 的配置与通道 A 的相同。此解决方案所需的电源数量要比第一个例子中的多,不过它在设置正负电源轨电压时提供了更大的灵活性。

UCC21520 UCC21520A 利用两个 LSO 偏置电源生成负偏置图 9-3 利用两个 LSO 偏置电源生成负偏置

图 9-4 所示,最后一个例子是单电源配置,并通过栅极驱动环路中的齐纳二极管来生成负偏置。此解决方案的优势是只使用一个电源,并且自举电源可用于高侧驱动。在这三种解决方案中,此设计的成本最低,所需设计工作量也最少。不过,此解决方案有以下局限性:

  1. 负栅极驱动偏置不仅由齐纳二极管决定,而且还由占空比决定,这意味着负偏置电压会随着占空比的变化而变化。因此,在此解决方案中,使用变频谐振转换器或相移转换器等具有固定占空比(约 50%)的转换比较有利。
  2. 高侧 VDDA-VSSA 必须维持足够的电压来保持在建议的电源电压范围内,这意味着低侧开关必须导通或在体(或反向并联)二极管上存在续流电流,以便在每个开关周期的特定时期内刷新自举电容器。因此,除非像其他两个示例电路那样,高侧也使用专用电源,否则高侧无法实现 100% 占空比。
UCC21520 UCC21520A 使用单电源和栅极驱动路径上的齐纳二极管产生负偏置图 9-4 使用单电源和栅极驱动路径上的齐纳二极管产生负偏置