ZHCSX70A April   2003  – October 2024 UC2842AQ , UC2843AQ , UC2844AQ , UC2845AQ

PRODUCTION DATA  

  1.   1
  2. 特性
  3. 应用
  4. 说明
  5. 引脚配置和功能
  6. 规格
    1. 5.1 绝对最大额定值
    2. 5.2 ESD 等级
    3. 5.3 电气特性
    4. 5.4 典型特性
  7. 参数测量信息
  8. 详细说明
    1. 7.1 功能方框图
  9. 应用和实施
    1. 8.1 应用信息
  10. 器件和文档支持
    1. 9.1 接收文档更新通知
    2. 9.2 支持资源
    3. 9.3 商标
    4. 9.4 静电放电警告
    5. 9.5 术语表
  11. 10修订历史记录
  12. 11机械、封装和可订购信息

封装选项

请参考 PDF 数据表获取器件具体的封装图。

机械数据 (封装 | 引脚)
  • D|8
  • D|14
散热焊盘机械数据 (封装 | 引脚)
订购信息

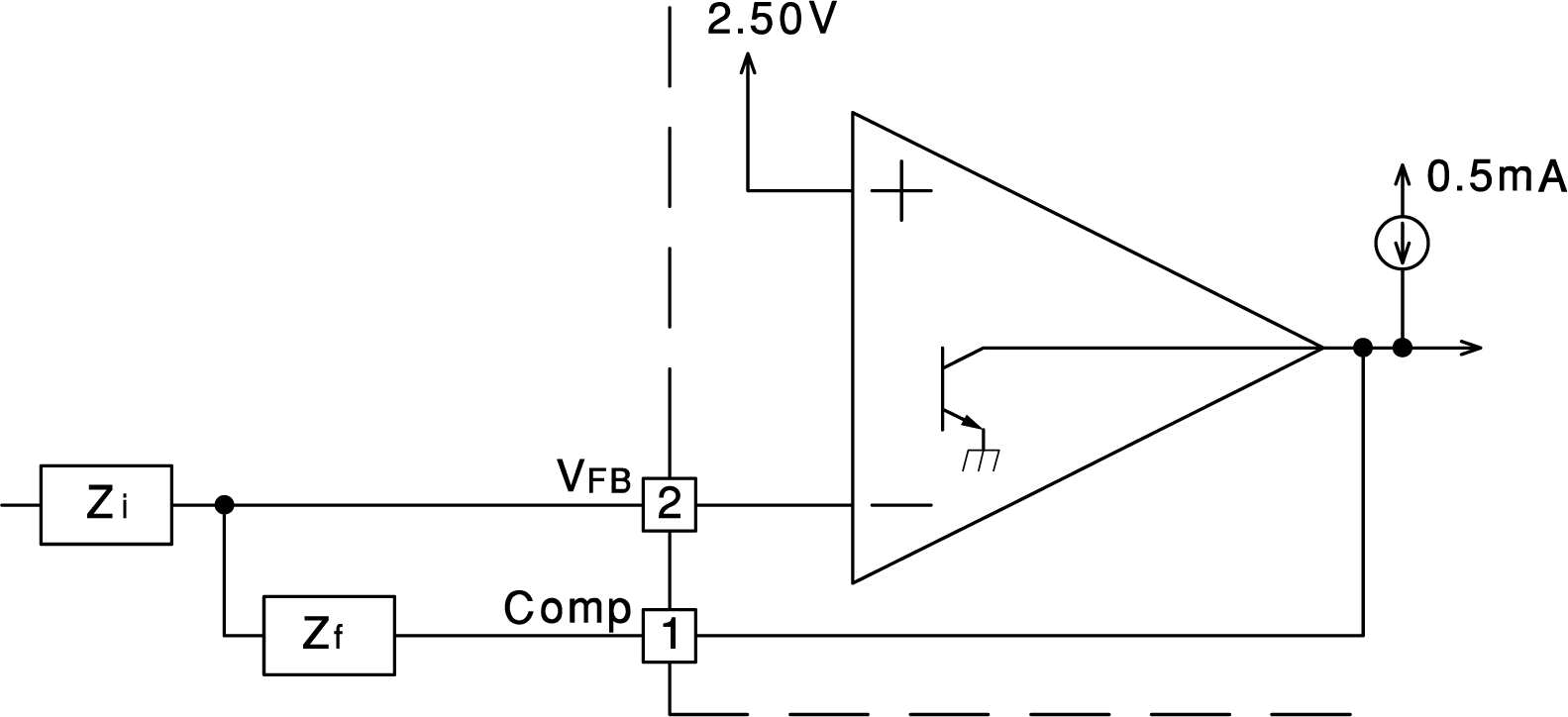
参数测量信息

误差放大器可以拉取高达 0.5mA 的电流,可以灌入高达 2mA 的电流。

UC2842AQ UC2843AQ UC2844AQ UC2845AQ 误差放大器配置图 6-1 误差放大器配置
UC2842AQ UC2843AQ UC2844AQ UC2845AQ 欠压锁定图 6-2 欠压锁定
UC2842AQ UC2843AQ UC2844AQ UC2845AQ 电流检测电路图 6-3 电流检测电路
UC2842AQ UC2843AQ UC2844AQ UC2845AQ 输出饱和特性图 6-4 输出饱和特性
UC2842AQ UC2843AQ UC2844AQ UC2845AQ 误差放大器开环频率响应图 6-5 误差放大器开环频率响应