ZHCSX70A April   2003  – October 2024 UC2842AQ , UC2843AQ , UC2844AQ , UC2845AQ

PRODUCTION DATA  

  1.   1
  2. 特性
  3. 应用
  4. 说明
  5. 引脚配置和功能
  6. 规格
    1. 5.1 绝对最大额定值
    2. 5.2 ESD 等级
    3. 5.3 电气特性
    4. 5.4 典型特性
  7. 参数测量信息
  8. 详细说明
    1. 7.1 功能方框图
  9. 应用和实施
    1. 8.1 应用信息
  10. 器件和文档支持
    1. 9.1 接收文档更新通知
    2. 9.2 支持资源
    3. 9.3 商标
    4. 9.4 静电放电警告
    5. 9.5 术语表
  11. 10修订历史记录
  12. 11机械、封装和可订购信息

封装选项

请参考 PDF 数据表获取器件具体的封装图。

机械数据 (封装 | 引脚)
  • D|8
  • D|14
散热焊盘机械数据 (封装 | 引脚)
订购信息

应用信息

UC2842AQ UC2843AQ UC2844AQ UC2845AQ 振荡器图 8-1 振荡器
UC2842AQ UC2843AQ UC2844AQ UC2845AQ 开环实验室测试装置图 8-2 开环实验室测试装置

与容性负载相关的高峰值电流要求使用谨慎的接地技术。计时电容器和旁路电容器必须在单点接地中靠近引脚 5 进行连接。晶体管和 5k 电位器用于对振荡器波形进行采样,并向引脚 3 施加可调斜坡。

UC2842AQ UC2843AQ UC2844AQ UC2845AQ 斜率压缩图 8-3 斜率压缩

振荡器斜坡的一部分可以与电流检测信号进行电阻求和,为需要超过 50% 占空比的转换器提供斜率补偿。请注意,电容器 C 与 R2 形成一个滤波器,以抑制前沿开关尖峰。

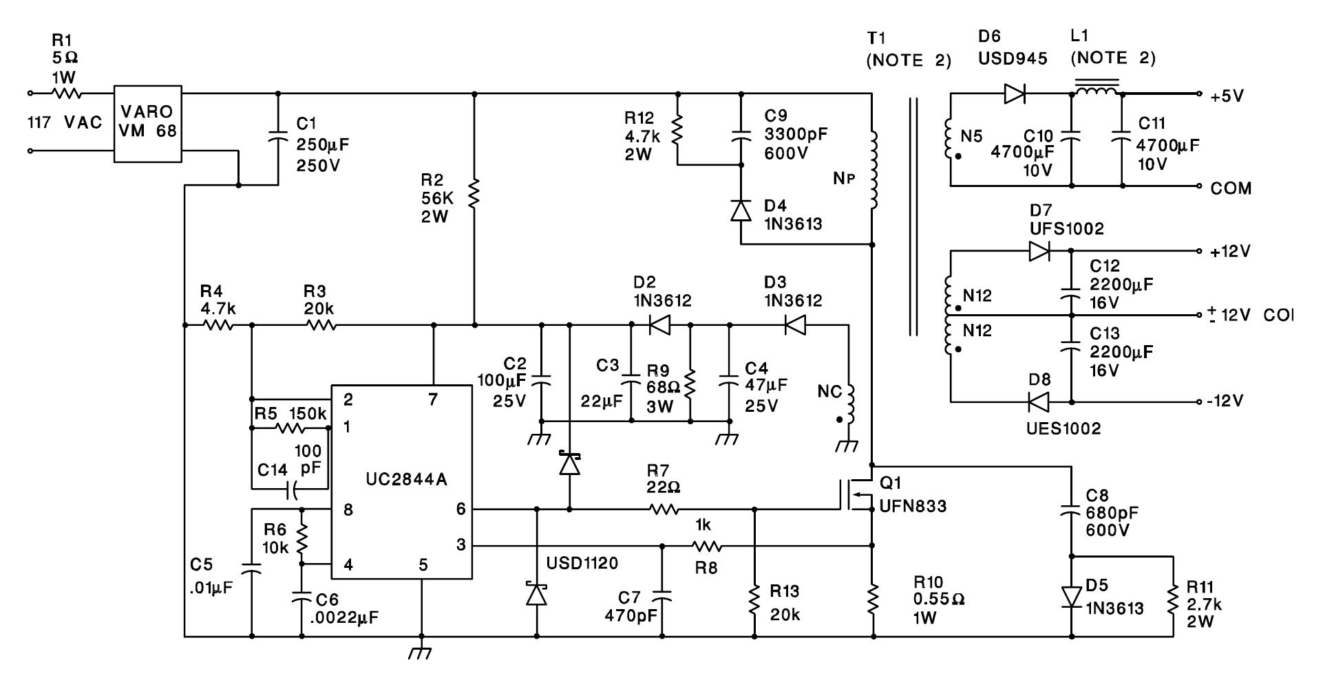
UC2842AQ UC2843AQ UC2844AQ UC2845AQ 离线反激式稳压器图 8-4 离线反激式稳压器

  1. 输入电压:95VAC 至 130VAC (50Hz/60Hz)
  2. 线路隔离:3750V
  3. 开关频率为 40kHz
  4. 效率,满负载:70%
  5. 输出电压:
    1. +5V,±5%;1A 至 4A 负载
    2. +12V,±3%;0.1A 至 0.3A 负载纹波电压:100mV P-P 最大值
    3. -12V,±3%;0.1A 至 0.3A 负载纹波电压:100mV P-P 最大值