ZHCSDZ8G June   2015  – December 2024 TXS0108E-Q1

PRODUCTION DATA  

  1.   1
  2. 特性
  3. 应用
  4. 说明
  5. 引脚配置和功能
  6. 规格
    1. 5.1  绝对最大额定值
    2. 5.2  ESD 等级
    3. 5.3  建议运行条件
    4. 5.4  热性能信息
    5. 5.5  电气特性:TA = –40°C 至 125°C
    6. 5.6  时序要求:VCCA = 1.5V ± 0.1V
    7. 5.7  时序要求:VCCA = 1.8V ± 0.15V
    8. 5.8  时序要求:VCCA = 2.5V ± 0.2V
    9. 5.9  时序要求:VCCA = 3.3V ± 0.3V
    10. 5.10 开关特性:VCCA = 1.5V ± 0.1V
    11. 5.11 开关特性:VCCA = 1.8V ± 0.15V
    12. 5.12 开关特性:VCCA = 2.5V ± 0.2V
    13. 5.13 开关特性:VCCA = 3.3V ± 0.3V
    14. 5.14 典型特性
  7. 参数测量信息
    1. 6.1 负载电路
    2. 6.2 电压波形
  8. 详细说明
    1. 7.1 概述
    2. 7.2 功能方框图
    3. 7.3 特性说明
      1. 7.3.1 架构
      2. 7.3.2 输入驱动器要求
      3. 7.3.3 输出负载注意事项
      4. 7.3.4 启用和禁用
      5. 7.3.5 I/O 线路上的上拉或下拉电阻
    4. 7.4 器件功能模式
  9. 应用和实施
    1. 8.1 应用信息
    2. 8.2 典型应用
      1. 8.2.1 设计要求
      2. 8.2.2 详细设计过程
      3. 8.2.3 应用曲线
    3. 8.3 电源相关建议
    4. 8.4 布局
      1. 8.4.1 布局指南
      2. 8.4.2 布局示例
  10. 器件和文档支持
    1. 9.1 文档支持
      1.      相关文档
    2. 9.2 接收文档更新通知
    3. 9.3 支持资源
    4. 9.4 商标
    5. 9.5 静电放电警告
    6. 9.6 术语表
  11. 10修订历史记录
  12. 11机械、封装和可订购信息

封装选项

请参考 PDF 数据表获取器件具体的封装图。

机械数据 (封装 | 引脚)
  • RKS|20
  • PW|20
  • DGS|20
散热焊盘机械数据 (封装 | 引脚)
订购信息

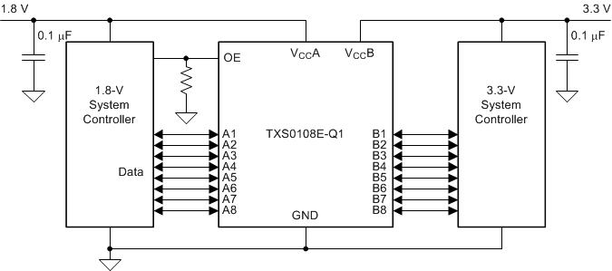
典型应用

TXS0108E-Q1 典型应用电路图 8-1 典型应用电路