ZHCSHK3K January   2007  – August 2025 TXS0102

PRODUCTION DATA  

  1.   1
  2. 特性
  3. 应用
  4. 说明
  5. 引脚配置和功能
  6. 规格
    1. 5.1  绝对最大额定值
    2. 5.2  ESD 等级
    3. 5.3  建议运行条件
    4. 5.4  热性能信息
    5. 5.5  电气特性
    6. 5.6  开关特性,VCCA = 1.8V ± 0.15V
    7. 5.7  开关特性,VCCA = 2.5V ± 0.2V
    8. 5.8  开关特性,VCCA = 3.3V ± 0.3V
    9. 5.9  开关特性:Tsk,TMAX
    10. 5.10 工作特性:VCCA = 1.5V 至 1.5V,VCCB = 3.3V 至 3.3V
    11. 5.11 典型特性
  7. 参数测量信息
  8. 详细说明
    1. 7.1 概述
    2. 7.2 功能方框图
    3. 7.3 特性说明
      1. 7.3.1 架构
      2. 7.3.2 输入驱动器要求
      3. 7.3.3 输出负载注意事项
      4. 7.3.4 启用和禁用
      5. 7.3.5 I/O 线路上的上拉或下拉电阻
    4. 7.4 器件功能模式
  9. 应用和实施
    1. 8.1 应用信息
    2. 8.2 典型应用
      1. 8.2.1 设计要求
      2. 8.2.2 详细设计过程
      3. 8.2.3 应用曲线
    3. 8.3 电源相关建议
    4. 8.4 布局
      1. 8.4.1 布局指南
      2. 8.4.2 布局示例
  10. 器件和文档支持
    1. 9.1 文档支持
      1. 9.1.1 相关文档
    2. 9.2 接收文档更新通知
    3. 9.3 支持资源
    4. 9.4 商标
    5. 9.5 静电放电警告
    6. 9.6 术语表
  11. 10修订历史记录
  12. 11机械、封装和可订购信息

封装选项

机械数据 (封装 | 引脚)
散热焊盘机械数据 (封装 | 引脚)
订购信息

参数测量信息

除非另有说明,否则所有输入脉冲由具有以下特性的发生器提供:

  • PRR 10MHz
  • ZO = 50Ω
  • dv/dt ≥ 1V/ns
注: 并非所有参数和波形都适用于所有器件。
TXS0102 使用推挽驱动器时的数据速率、脉冲持续时间、传播延迟、输出上升时间和下降时间测量图 6-1 使用推挽驱动器时的数据速率、脉冲持续时间、传播延迟、
输出上升时间和下降时间测量
TXS0102 使用开漏驱动器时的数据速率、脉冲持续时间、传播延迟、输出上升时间和下降时间测量图 6-2 使用开漏驱动器时的数据速率、脉冲持续时间、传播延迟、
输出上升时间和下降时间测量
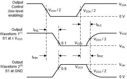
TXS0102 启用/禁用时间测量的负载电路图 6-3 启用/禁用时间测量的负载电路
表 6-1 启用/禁用时序的开关配置
测试 S1
tPZL(2)、tPLZ (1) 2 x VCCO
tPHZ(1)、tPZH(2) 开路
tPLZ 和 tPHZ 与 tdis 一样。
tPZL 和 tPZH 与 ten 一样。
TXS0102 电压波形脉冲持续时间
(1) 一次测量所有输入脉冲,每次测量转换一次。
图 6-4 电压波形脉冲持续时间
TXS0102 电压波形传播延迟时间
(1) 一次测量所有输入脉冲,每次测量转换一次。
图 6-5 电压波形传播延迟时间
TXS0102 电压波形启用和禁用时间
(1) 波形 1 用于具有内部条件的输出,使得输出为低电平,除非被输出控制禁用。
(2) 波形 2 用于具有内部条件的输出,使得输出为高电平,除非被输出控制禁用。
图 6-6 电压波形启用和禁用时间