ZHCSY83D November 2005 – July 2025 TS5A3157
PRODUCTION DATA
图 6-1 导通状态电阻 (ron)
图 6-2 关断状态漏电流(INC(OFF)、INO(OFF))
图 6-3 导通状态漏电流(ICOM (ON)、INC (ON)、INO(ON))
图 6-4 电容(CI、CCOM(ON)、CNC(OFF)、CNO(OFF)、CNC(ON)、CNO(ON))

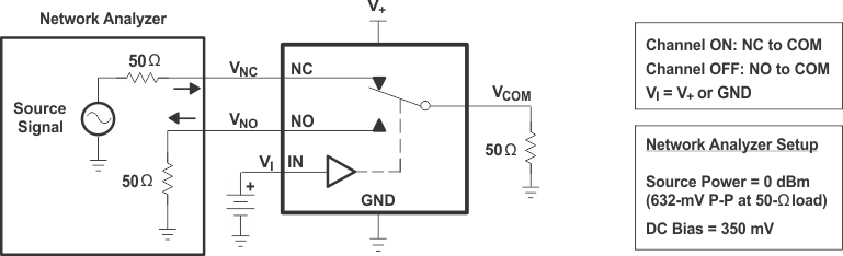
图 6-7 带宽 (BW)
图 6-8 关断隔离 (OISO)
图 6-9 串扰 (XTALK)
