ZHCSE23D January   2015  – November 2025 TPS7B4253-Q1

PRODUCTION DATA  

  1.   1
  2. 特性
  3. 应用
  4. 说明
  5. 引脚配置和功能
  6. 规格
    1. 5.1 绝对最大额定值
    2. 5.2 ESD 等级
    3. 5.3 建议运行条件
    4. 5.4 热性能信息
    5. 5.5 电气特性
    6. 5.6 典型特性
  7. 详细说明
    1. 6.1 概述
    2. 6.2 功能方框图
    3. 6.3 特性说明
      1. 6.3.1 短路和过流保护
      2. 6.3.2 集成感应钳位保护
      3. 6.3.3 输出 对电池短路和反极性保护
      4. 6.3.4 欠压关断
      5. 6.3.5 热保护
      6. 6.3.6 稳压输出 (OUT)
      7. 6.3.7 启用 (EN)
      8. 6.3.8 可调输出电压(FB 和 ADJ)
        1. 6.3.8.1 输出电压等于基准电压
        2. 6.3.8.2 输出电压高于基准电压
        3. 6.3.8.3 输出电压低于基准电压
    4. 6.4 器件功能模式
      1. 6.4.1 在 VIN < 4V 的情况下运行
      2. 6.4.2 通过 EN 控制工作
  8. 应用和实施
    1. 7.1 应用信息
    2. 7.2 典型应用
      1. 7.2.1 输出电压等于基准电压的应用
        1. 7.2.1.1 设计要求
        2. 7.2.1.2 详细设计过程
          1. 7.2.1.2.1 输入电容器
          2. 7.2.1.2.2 输出电容器
        3. 7.2.1.3 应用曲线
      2. 7.2.2 高侧开关配置
      3. 7.2.3 高精度 LDO
    3. 7.3 电源相关建议
    4. 7.4 布局
      1. 7.4.1 布局指南
        1. 7.4.1.1 功率耗散和热效应注意事项
      2. 7.4.2 布局示例
  9. 器件和文档支持
    1. 8.1 器件支持
      1. 8.1.1 器件命名规则
      2. 8.1.2 开发支持
    2. 8.2 文档支持
      1. 8.2.1 相关文档
    3. 8.3 接收文档更新通知
    4. 8.4 支持资源
    5. 8.5 商标
    6. 8.6 静电放电警告
    7. 8.7 术语表
  10. 修订历史记录
  11. 10机械、封装和可订购信息
    1. 10.1 机械数据

封装选项

机械数据 (封装 | 引脚)
散热焊盘机械数据 (封装 | 引脚)
订购信息

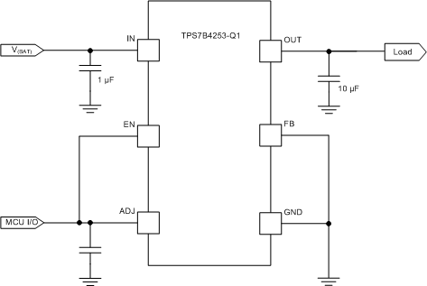
高侧开关配置

图 7-3 所示,通过将 FB 引脚连接到 GND 引脚,TPS7B4253-Q1 器件可用作具有电流限制、热关断、输出电池短路和反极性保护功能的高侧开关。然后通过 EN 及 ADJ 引脚控制器件的开关。

TPS7B4253-Q1 高侧开关应用图 7-3 高侧开关应用