ZHCSEF7G December   2014  – February 2019 TPS659037

PRODUCTION DATA.  

  1. 器件概述
    1. 1.1 特性
    2. 1.2 应用
    3. 1.3 说明
    4. 1.4 简化方框图
  2. 修订历史记录
  3. Pin Configuration and Functions
    1.     Pin Functions
  4. Specifications
    1. 4.1  Absolute Maximum Ratings
    2. 4.2  ESD Ratings
    3. 4.3  Recommended Operating Conditions
    4. 4.4  Thermal Information
    5. 4.5  Electrical Characteristics: Latch Up Rating
    6. 4.6  Electrical Characteristics: LDO Regulator
    7. 4.7  Electrical Characteristics: Dual-Phase (SMPS12 and SMPS45) and Triple-Phase (SMPS123 and SMPS457) Regulators
    8. 4.8  Electrical Characteristics: Stand-Alone Regulators (SMPS3, SMPS6, SMPS7, SMPS8, and SMPS9)
    9. 4.9  Electrical Characteristics: Reference Generator (Bandgap)
    10. 4.10 Electrical Characteristics: 16-MHz Crystal Oscillator, 32-kHz RC Oscillator, and Output Buffers
    11. 4.11 Electrical Characteristics: DC-DC Clock Sync
    12. 4.12 Electrical Characteristics: 12-Bit Sigma-Delta ADC
    13. 4.13 Electrical Characteristics: Thermal Monitoring and Shutdown
    14. 4.14 Electrical Characteristics: System Control Threshold
    15. 4.15 Electrical Characteristics: Current Consumption
    16. 4.16 Electrical Characteristics: Digital Input Signal Parameters
    17. 4.17 Electrical Characteristics: Digital Output Signal Parameters
    18. 4.18 Electrical Characteristics: I/O Pullup and Pulldown
    19. 4.19 I2C Interface Timing Requirements
    20. 4.20 SPI Timing Requirements
    21. 4.21 Typical Characteristics
  5. Detailed Description
    1. 5.1 Overview
    2. 5.2 Functional Block Diagram
    3. 5.3 Feature Description
      1. 5.3.1  Power Management
      2. 5.3.2  Power Resources (Step-Down and Step-Up SMPS Regulators, LDOs)
        1. 5.3.2.1 Step-Down Regulators
          1. 5.3.2.1.1 Sync Clock Functionality
          2. 5.3.2.1.2 Output Voltage and Mode Selection
          3. 5.3.2.1.3 Current Monitoring and Short Circuit Detection
          4. 5.3.2.1.4 POWERGOOD
          5. 5.3.2.1.5 DVS-Capable Regulators
          6. 5.3.2.1.6 Non DVS-Capable Regulators
          7. 5.3.2.1.7 Step-Down Converters SMPS12 and SMPS123
            1.         a. Dual-Phase SMPS and Stand-Alone SMPS
            2.         b. Triple Phase SMPS
          8. 5.3.2.1.8 Step-Down Converter SMPS45 and SMPS457
          9. 5.3.2.1.9 Step-Down Converters SMPS3, SMPS6, SMPS7, SMPS8, and SMPS9
        2. 5.3.2.2 LDOs – Low Dropout Regulators
          1. 5.3.2.2.1 LDOVANA
          2. 5.3.2.2.2 LDOVRTC
          3. 5.3.2.2.3 LDO Bypass (LDO9)
          4. 5.3.2.2.4 LDOUSB
          5. 5.3.2.2.5 Other LDOs
      3. 5.3.3  Long-Press Key Detection
      4. 5.3.4  RTC
        1. 5.3.4.1 General Description
        2. 5.3.4.2 Time Calendar Registers
          1. 5.3.4.2.1 TC Registers Read Access
          2. 5.3.4.2.2 TC Registers Write Access
        3. 5.3.4.3 RTC Alarm
        4. 5.3.4.4 RTC Interrupts
        5. 5.3.4.5 RTC 32-kHz Oscillator Drift Compensation
      5. 5.3.5  GPADC – 12-Bit Sigma-Delta ADC
        1. 5.3.5.1 Asynchronous Conversion Request (SW)
        2. 5.3.5.2 Periodic Conversion Request (AUTO)
        3. 5.3.5.3 Calibration
      6. 5.3.6  General-Purpose I/Os (GPIO Pins)
        1. 5.3.6.1 REGEN Output
      7. 5.3.7  Thermal Monitoring
        1. 5.3.7.1 Hot-Die Function (HD)
        2. 5.3.7.2 Thermal Shutdown (TS)
        3. 5.3.7.3 Temperature Monitoring With External NTC Resistor or Diode
      8. 5.3.8  Interrupts
      9. 5.3.9  Control Interfaces
        1. 5.3.9.1 I2C Interfaces
          1. 5.3.9.1.1 I2C Implementation
          2. 5.3.9.1.2 F/S Mode Protocol
          3. 5.3.9.1.3 HS Mode Protocol
        2. 5.3.9.2 Serial-Peripheral Interface (SPI)
          1. 5.3.9.2.1 SPI Modes
          2. 5.3.9.2.2 SPI Protocol
      10. 5.3.10 Device Identification
    4. 5.4 Device Functional Modes
      1. 5.4.1  Embedded Power Controller
      2. 5.4.2  State Transition Requests
        1. 5.4.2.1 ON Requests
        2. 5.4.2.2 OFF Requests
        3. 5.4.2.3 SLEEP and WAKE Requests
      3. 5.4.3  Power Sequences
      4. 5.4.4  Startup Timing and RESET_OUT Generation
      5. 5.4.5  Power On Acknowledge
        1. 5.4.5.1 POWERHOLD Mode
        2. 5.4.5.2 AUTODEVON Mode
      6. 5.4.6  BOOT Configuration
        1. 5.4.6.1 Boot Pin Selection
      7. 5.4.7  Reset Levels
      8. 5.4.8  Warm Reset
      9. 5.4.9  RESET_IN
      10. 5.4.10 Watchdog Timer (WDT)
      11. 5.4.11 System Voltage Monitoring
        1. 5.4.11.1 Generating a POR
  6. Application and Implementation
    1. 6.1 Application Information
    2. 6.2 Typical Application
      1. 6.2.1 Design Requirements
      2. 6.2.2 Detailed Design Procedure
        1. 6.2.2.1  Recommended External Components
        2. 6.2.2.2  SMPS Input Capacitors
        3. 6.2.2.3  SMPS Output Capacitors
        4. 6.2.2.4  SMPS Inductors
        5. 6.2.2.5  LDO Input Capacitors
        6. 6.2.2.6  LDO Output Capacitors
        7. 6.2.2.7  VCC1
          1. 6.2.2.7.1 Meeting the Power Down Sequence
          2. 6.2.2.7.2 Maintaining Sufficient Input Voltage
        8. 6.2.2.8  VIO_IN
        9. 6.2.2.9  16-MHz Crystal
        10. 6.2.2.10 GPADC
      3. 6.2.3 Application Curves
  7. Power Supply Recommendations
  8. Layout
    1. 8.1 Layout Guidelines
    2. 8.2 Layout Example
  9. 器件和文档支持
    1. 9.1 器件支持
      1. 9.1.1 第三方产品免责声明
    2. 9.2 文档支持
      1. 9.2.1 相关文档
    3. 9.3 接收文档更新通知
    4. 9.4 社区资源
    5. 9.5 商标
    6. 9.6 静电放电警告
    7. 9.7 Glossary
  10. 10机械、封装和可订购信息

封装选项

机械数据 (封装 | 引脚)
散热焊盘机械数据 (封装 | 引脚)
订购信息

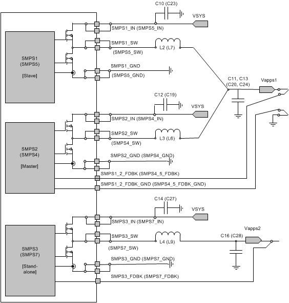
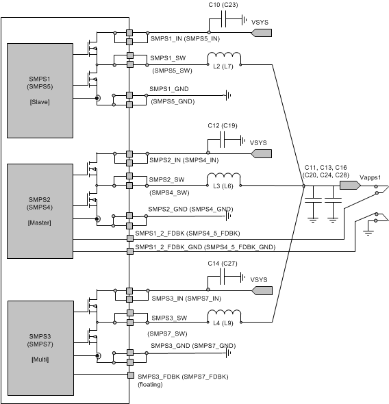
Step-Down Converters SMPS12 and SMPS123

The step-down converters SMPS1, SMPS2, and SMPS3 can be used in two different configurations:

  • SMPS12 in dual-phase configuration supporting 6-A load current and SMPS3 in single-phase configuration supporting 3-A load current
  • SMPS123 in triple-phase configuration supporting 9-A load current

SMPS1 and SMPS2 cannot be used as separate converters. In dual-phase configuration the two interleaved synchronous buck regulator phases with built-in current sharing operate in opposite phase. In triple-phase configuration the three interleaved synchronous buck regulator phases with built-in current sharing operate 120° out of phase. For light loads, the converter automatically changes to 1-phase operation.

Figure 5-6 shows the connections for dual-phase and triple-phase configurations.

a. Dual-Phase SMPS and Stand-Alone SMPS

TPS659037 smsps_connectivity_stand-alone_slis165.gif

b. Triple Phase SMPS

TPS659037 smps_connectivity_3-phase_slis165.gif
Figure 5-6 Multi-Phase SMPS Connectivity

To use the SMPS123 or SMPS12 and SMPS3 in the system:

  • OTP defines dual-phase (SMPS12) operation, single-phase (SMPS3) operation, or triple-phase (SMPS123) operation. If SMPS123 mode is selected, the SMPS12 registers control SMPS123.
  • By default SMPS123 and SMPS12 operate in multiphase mode for higher load currents and switch automatically to single-phase mode for low load currents. Forcing multiphase operation or single-phase operation by setting the SMPS_CTRL.SMPS123_PHASE_CTRL[1:0] bits when the SMPS123 or SMPS12 are loaded is also possible. Under no-load condition, do not force the multiphase operation, as this causes the SMPS to exhibit instability.