ZHCSEF7G December   2014  – February 2019 TPS659037

PRODUCTION DATA.  

  1. 器件概述
    1. 1.1 特性
    2. 1.2 应用
    3. 1.3 说明
    4. 1.4 简化方框图
  2. 修订历史记录
  3. Pin Configuration and Functions
    1.     Pin Functions
  4. Specifications
    1. 4.1  Absolute Maximum Ratings
    2. 4.2  ESD Ratings
    3. 4.3  Recommended Operating Conditions
    4. 4.4  Thermal Information
    5. 4.5  Electrical Characteristics: Latch Up Rating
    6. 4.6  Electrical Characteristics: LDO Regulator
    7. 4.7  Electrical Characteristics: Dual-Phase (SMPS12 and SMPS45) and Triple-Phase (SMPS123 and SMPS457) Regulators
    8. 4.8  Electrical Characteristics: Stand-Alone Regulators (SMPS3, SMPS6, SMPS7, SMPS8, and SMPS9)
    9. 4.9  Electrical Characteristics: Reference Generator (Bandgap)
    10. 4.10 Electrical Characteristics: 16-MHz Crystal Oscillator, 32-kHz RC Oscillator, and Output Buffers
    11. 4.11 Electrical Characteristics: DC-DC Clock Sync
    12. 4.12 Electrical Characteristics: 12-Bit Sigma-Delta ADC
    13. 4.13 Electrical Characteristics: Thermal Monitoring and Shutdown
    14. 4.14 Electrical Characteristics: System Control Threshold
    15. 4.15 Electrical Characteristics: Current Consumption
    16. 4.16 Electrical Characteristics: Digital Input Signal Parameters
    17. 4.17 Electrical Characteristics: Digital Output Signal Parameters
    18. 4.18 Electrical Characteristics: I/O Pullup and Pulldown
    19. 4.19 I2C Interface Timing Requirements
    20. 4.20 SPI Timing Requirements
    21. 4.21 Typical Characteristics
  5. Detailed Description
    1. 5.1 Overview
    2. 5.2 Functional Block Diagram
    3. 5.3 Feature Description
      1. 5.3.1  Power Management
      2. 5.3.2  Power Resources (Step-Down and Step-Up SMPS Regulators, LDOs)
        1. 5.3.2.1 Step-Down Regulators
          1. 5.3.2.1.1 Sync Clock Functionality
          2. 5.3.2.1.2 Output Voltage and Mode Selection
          3. 5.3.2.1.3 Current Monitoring and Short Circuit Detection
          4. 5.3.2.1.4 POWERGOOD
          5. 5.3.2.1.5 DVS-Capable Regulators
          6. 5.3.2.1.6 Non DVS-Capable Regulators
          7. 5.3.2.1.7 Step-Down Converters SMPS12 and SMPS123
            1.         a. Dual-Phase SMPS and Stand-Alone SMPS
            2.         b. Triple Phase SMPS
          8. 5.3.2.1.8 Step-Down Converter SMPS45 and SMPS457
          9. 5.3.2.1.9 Step-Down Converters SMPS3, SMPS6, SMPS7, SMPS8, and SMPS9
        2. 5.3.2.2 LDOs – Low Dropout Regulators
          1. 5.3.2.2.1 LDOVANA
          2. 5.3.2.2.2 LDOVRTC
          3. 5.3.2.2.3 LDO Bypass (LDO9)
          4. 5.3.2.2.4 LDOUSB
          5. 5.3.2.2.5 Other LDOs
      3. 5.3.3  Long-Press Key Detection
      4. 5.3.4  RTC
        1. 5.3.4.1 General Description
        2. 5.3.4.2 Time Calendar Registers
          1. 5.3.4.2.1 TC Registers Read Access
          2. 5.3.4.2.2 TC Registers Write Access
        3. 5.3.4.3 RTC Alarm
        4. 5.3.4.4 RTC Interrupts
        5. 5.3.4.5 RTC 32-kHz Oscillator Drift Compensation
      5. 5.3.5  GPADC – 12-Bit Sigma-Delta ADC
        1. 5.3.5.1 Asynchronous Conversion Request (SW)
        2. 5.3.5.2 Periodic Conversion Request (AUTO)
        3. 5.3.5.3 Calibration
      6. 5.3.6  General-Purpose I/Os (GPIO Pins)
        1. 5.3.6.1 REGEN Output
      7. 5.3.7  Thermal Monitoring
        1. 5.3.7.1 Hot-Die Function (HD)
        2. 5.3.7.2 Thermal Shutdown (TS)
        3. 5.3.7.3 Temperature Monitoring With External NTC Resistor or Diode
      8. 5.3.8  Interrupts
      9. 5.3.9  Control Interfaces
        1. 5.3.9.1 I2C Interfaces
          1. 5.3.9.1.1 I2C Implementation
          2. 5.3.9.1.2 F/S Mode Protocol
          3. 5.3.9.1.3 HS Mode Protocol
        2. 5.3.9.2 Serial-Peripheral Interface (SPI)
          1. 5.3.9.2.1 SPI Modes
          2. 5.3.9.2.2 SPI Protocol
      10. 5.3.10 Device Identification
    4. 5.4 Device Functional Modes
      1. 5.4.1  Embedded Power Controller
      2. 5.4.2  State Transition Requests
        1. 5.4.2.1 ON Requests
        2. 5.4.2.2 OFF Requests
        3. 5.4.2.3 SLEEP and WAKE Requests
      3. 5.4.3  Power Sequences
      4. 5.4.4  Startup Timing and RESET_OUT Generation
      5. 5.4.5  Power On Acknowledge
        1. 5.4.5.1 POWERHOLD Mode
        2. 5.4.5.2 AUTODEVON Mode
      6. 5.4.6  BOOT Configuration
        1. 5.4.6.1 Boot Pin Selection
      7. 5.4.7  Reset Levels
      8. 5.4.8  Warm Reset
      9. 5.4.9  RESET_IN
      10. 5.4.10 Watchdog Timer (WDT)
      11. 5.4.11 System Voltage Monitoring
        1. 5.4.11.1 Generating a POR
  6. Application and Implementation
    1. 6.1 Application Information
    2. 6.2 Typical Application
      1. 6.2.1 Design Requirements
      2. 6.2.2 Detailed Design Procedure
        1. 6.2.2.1  Recommended External Components
        2. 6.2.2.2  SMPS Input Capacitors
        3. 6.2.2.3  SMPS Output Capacitors
        4. 6.2.2.4  SMPS Inductors
        5. 6.2.2.5  LDO Input Capacitors
        6. 6.2.2.6  LDO Output Capacitors
        7. 6.2.2.7  VCC1
          1. 6.2.2.7.1 Meeting the Power Down Sequence
          2. 6.2.2.7.2 Maintaining Sufficient Input Voltage
        8. 6.2.2.8  VIO_IN
        9. 6.2.2.9  16-MHz Crystal
        10. 6.2.2.10 GPADC
      3. 6.2.3 Application Curves
  7. Power Supply Recommendations
  8. Layout
    1. 8.1 Layout Guidelines
    2. 8.2 Layout Example
  9. 器件和文档支持
    1. 9.1 器件支持
      1. 9.1.1 第三方产品免责声明
    2. 9.2 文档支持
      1. 9.2.1 相关文档
    3. 9.3 接收文档更新通知
    4. 9.4 社区资源
    5. 9.5 商标
    6. 9.6 静电放电警告
    7. 9.7 Glossary
  10. 10机械、封装和可订购信息

封装选项

机械数据 (封装 | 引脚)
散热焊盘机械数据 (封装 | 引脚)
订购信息

Meeting the Power Down Sequence

To prevent a sequencing violation, it is important to block reverse current and implement a disable signal to the PMIC. A Schottky diode can block reverse current when the input is removed. Additionally, capacitors can help maintain the input voltage level while the power-down sequence occurs. Depending on the system design, there are a couple ways to implement a disable signal.

For a system where the TPS659037 is powered by the system input voltage, a supervisor can be used to create a logic signal, indicating if the power is at a good level. An example of this solution is shown in Figure 6-3.

TPS659037 power_down_without_prereg_diagram.gifFigure 6-3 Supporting Uncontrolled Power Down When the PMIC is Supplied by the System Input Voltage

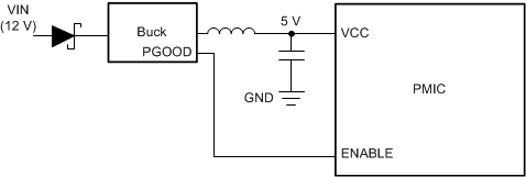
An alternative solution is possible when a pre-regulator is present. In the case of the pre-regulator, the pre-regulator output capacitance can also act as the energy storage to maintain VCC1 for the necessary time. The total supply capacitance should be calculated to support the worst-case leakage current during power down so that the voltage is maintained until the power-down sequence completes. Figure 6-4 shows an example of this configuration.

TPS659037 power_down_with_prereg_diagram.gifFigure 6-4 Supporting Uncontrolled Power Down when the PMIC is Supplied by a Preregulator

To determine the capacitance needed at the output of the pre-regulator, use Equation 1. This equation is used to ensure that the power down sequence is complete before the device is disabled.

Equation 1. C = I × ΔT / (VCC1 – VSYS_LO)

where

  • C is total capacitance on VCC1, including pre-regulator output capacitance and PMIC input capacitance
  • I is the total current on the PMIC input supply
  • ΔT is the time it takes the power-down sequence to complete
  • VCC1 is the voltage at the VCC1 pin
  • VSYS_LO is the threshold where the device is disabled