ZHCSEF7G December   2014  – February 2019 TPS659037

PRODUCTION DATA.  

  1. 器件概述
    1. 1.1 特性
    2. 1.2 应用
    3. 1.3 说明
    4. 1.4 简化方框图
  2. 修订历史记录
  3. Pin Configuration and Functions
    1.     Pin Functions
  4. Specifications
    1. 4.1  Absolute Maximum Ratings
    2. 4.2  ESD Ratings
    3. 4.3  Recommended Operating Conditions
    4. 4.4  Thermal Information
    5. 4.5  Electrical Characteristics: Latch Up Rating
    6. 4.6  Electrical Characteristics: LDO Regulator
    7. 4.7  Electrical Characteristics: Dual-Phase (SMPS12 and SMPS45) and Triple-Phase (SMPS123 and SMPS457) Regulators
    8. 4.8  Electrical Characteristics: Stand-Alone Regulators (SMPS3, SMPS6, SMPS7, SMPS8, and SMPS9)
    9. 4.9  Electrical Characteristics: Reference Generator (Bandgap)
    10. 4.10 Electrical Characteristics: 16-MHz Crystal Oscillator, 32-kHz RC Oscillator, and Output Buffers
    11. 4.11 Electrical Characteristics: DC-DC Clock Sync
    12. 4.12 Electrical Characteristics: 12-Bit Sigma-Delta ADC
    13. 4.13 Electrical Characteristics: Thermal Monitoring and Shutdown
    14. 4.14 Electrical Characteristics: System Control Threshold
    15. 4.15 Electrical Characteristics: Current Consumption
    16. 4.16 Electrical Characteristics: Digital Input Signal Parameters
    17. 4.17 Electrical Characteristics: Digital Output Signal Parameters
    18. 4.18 Electrical Characteristics: I/O Pullup and Pulldown
    19. 4.19 I2C Interface Timing Requirements
    20. 4.20 SPI Timing Requirements
    21. 4.21 Typical Characteristics
  5. Detailed Description
    1. 5.1 Overview
    2. 5.2 Functional Block Diagram
    3. 5.3 Feature Description
      1. 5.3.1  Power Management
      2. 5.3.2  Power Resources (Step-Down and Step-Up SMPS Regulators, LDOs)
        1. 5.3.2.1 Step-Down Regulators
          1. 5.3.2.1.1 Sync Clock Functionality
          2. 5.3.2.1.2 Output Voltage and Mode Selection
          3. 5.3.2.1.3 Current Monitoring and Short Circuit Detection
          4. 5.3.2.1.4 POWERGOOD
          5. 5.3.2.1.5 DVS-Capable Regulators
          6. 5.3.2.1.6 Non DVS-Capable Regulators
          7. 5.3.2.1.7 Step-Down Converters SMPS12 and SMPS123
            1.         a. Dual-Phase SMPS and Stand-Alone SMPS
            2.         b. Triple Phase SMPS
          8. 5.3.2.1.8 Step-Down Converter SMPS45 and SMPS457
          9. 5.3.2.1.9 Step-Down Converters SMPS3, SMPS6, SMPS7, SMPS8, and SMPS9
        2. 5.3.2.2 LDOs – Low Dropout Regulators
          1. 5.3.2.2.1 LDOVANA
          2. 5.3.2.2.2 LDOVRTC
          3. 5.3.2.2.3 LDO Bypass (LDO9)
          4. 5.3.2.2.4 LDOUSB
          5. 5.3.2.2.5 Other LDOs
      3. 5.3.3  Long-Press Key Detection
      4. 5.3.4  RTC
        1. 5.3.4.1 General Description
        2. 5.3.4.2 Time Calendar Registers
          1. 5.3.4.2.1 TC Registers Read Access
          2. 5.3.4.2.2 TC Registers Write Access
        3. 5.3.4.3 RTC Alarm
        4. 5.3.4.4 RTC Interrupts
        5. 5.3.4.5 RTC 32-kHz Oscillator Drift Compensation
      5. 5.3.5  GPADC – 12-Bit Sigma-Delta ADC
        1. 5.3.5.1 Asynchronous Conversion Request (SW)
        2. 5.3.5.2 Periodic Conversion Request (AUTO)
        3. 5.3.5.3 Calibration
      6. 5.3.6  General-Purpose I/Os (GPIO Pins)
        1. 5.3.6.1 REGEN Output
      7. 5.3.7  Thermal Monitoring
        1. 5.3.7.1 Hot-Die Function (HD)
        2. 5.3.7.2 Thermal Shutdown (TS)
        3. 5.3.7.3 Temperature Monitoring With External NTC Resistor or Diode
      8. 5.3.8  Interrupts
      9. 5.3.9  Control Interfaces
        1. 5.3.9.1 I2C Interfaces
          1. 5.3.9.1.1 I2C Implementation
          2. 5.3.9.1.2 F/S Mode Protocol
          3. 5.3.9.1.3 HS Mode Protocol
        2. 5.3.9.2 Serial-Peripheral Interface (SPI)
          1. 5.3.9.2.1 SPI Modes
          2. 5.3.9.2.2 SPI Protocol
      10. 5.3.10 Device Identification
    4. 5.4 Device Functional Modes
      1. 5.4.1  Embedded Power Controller
      2. 5.4.2  State Transition Requests
        1. 5.4.2.1 ON Requests
        2. 5.4.2.2 OFF Requests
        3. 5.4.2.3 SLEEP and WAKE Requests
      3. 5.4.3  Power Sequences
      4. 5.4.4  Startup Timing and RESET_OUT Generation
      5. 5.4.5  Power On Acknowledge
        1. 5.4.5.1 POWERHOLD Mode
        2. 5.4.5.2 AUTODEVON Mode
      6. 5.4.6  BOOT Configuration
        1. 5.4.6.1 Boot Pin Selection
      7. 5.4.7  Reset Levels
      8. 5.4.8  Warm Reset
      9. 5.4.9  RESET_IN
      10. 5.4.10 Watchdog Timer (WDT)
      11. 5.4.11 System Voltage Monitoring
        1. 5.4.11.1 Generating a POR
  6. Application and Implementation
    1. 6.1 Application Information
    2. 6.2 Typical Application
      1. 6.2.1 Design Requirements
      2. 6.2.2 Detailed Design Procedure
        1. 6.2.2.1  Recommended External Components
        2. 6.2.2.2  SMPS Input Capacitors
        3. 6.2.2.3  SMPS Output Capacitors
        4. 6.2.2.4  SMPS Inductors
        5. 6.2.2.5  LDO Input Capacitors
        6. 6.2.2.6  LDO Output Capacitors
        7. 6.2.2.7  VCC1
          1. 6.2.2.7.1 Meeting the Power Down Sequence
          2. 6.2.2.7.2 Maintaining Sufficient Input Voltage
        8. 6.2.2.8  VIO_IN
        9. 6.2.2.9  16-MHz Crystal
        10. 6.2.2.10 GPADC
      3. 6.2.3 Application Curves
  7. Power Supply Recommendations
  8. Layout
    1. 8.1 Layout Guidelines
    2. 8.2 Layout Example
  9. 器件和文档支持
    1. 9.1 器件支持
      1. 9.1.1 第三方产品免责声明
    2. 9.2 文档支持
      1. 9.2.1 相关文档
    3. 9.3 接收文档更新通知
    4. 9.4 社区资源
    5. 9.5 商标
    6. 9.6 静电放电警告
    7. 9.7 Glossary
  10. 10机械、封装和可订购信息

封装选项

机械数据 (封装 | 引脚)
散热焊盘机械数据 (封装 | 引脚)
订购信息

16-MHz Crystal

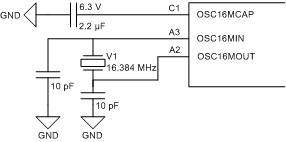
The TPS659037 device has the ability to accept a 16-MHz crystal input. Providing the 16-MHz crystal input to the device allows the output of a stable and accurate 32-kHz clock to be used by the applications processor. The crystal input is divided down by 500 internally to produce the 32-kHz output clock. The crystal should be connected to the TPS659037 device as shown in Figure 6-6.

TPS659037 sch_crystal_slis165.gifFigure 6-6 Crystal Input Configuration

As shown in Figure 6-6, the OSC16MCAP pin requires a 2.2-µF 6.3-V filtering capacitor near the pin. Also, the crystal requires between 9 pF and 11 pF of load capacitance on both pins. To meet this requirement, using two 10-pF capacitors is recommended. See Table 6-2 for the specific load capacitors that are recommended.

The 16-MHz crystal is not required for operation of the TPS659037 device. The OSC16M_CFG OTP bit can be set to disable the 16MHz crystal completely, and enable one of the following two alternative options for system clock generation:

  • A 32-kHz square wave can be supplied to the OSC16MIN pin. This option is typically used in applications where the processor requires an accurate system clock and there is one already available in the system. In that case, the available 32-kHz clock can be provided to the PMIC and added to the boot sequence as an output. In this configuration, the OSC16MOUT and OSC16MCAP pins can be left floating, and the internal 16-MHz oscillator is bypassed. Bypassing the 16-MHz oscillator results in a lower quiescent current.
  • If the application does not require an accurate system clock for the processor, then providing one to the PMIC is not required. This option produces a lower quiescent current as seen in Section 4. In this configuration, the OSC16MIN pin should be grounded, while the OSC16MOUT and OSCMCAP pins can be left floating. Lastly, the GATE_RESET_OUT OTP bit should be used to allow the TPS659037 device to power up without the presence of the 16.384-MHz crystal nor the 32-kHz clock input.

Please note that if the OSC16M_CFG OTP bit is set to 0, a 16-MHz crystal must be present for the proper operation of the device.