ZHCSLC8M May   2020  – September 2025 TPS628501-Q1 , TPS628502-Q1 , TPS628503-Q1

PRODMIX  

  1.   1
  2. 特性
  3. 应用
  4. 说明
  5. 器件比较表
  6. 引脚配置和功能
  7. 规格
    1. 6.1 绝对最大额定值
    2. 6.2 ESD 等级
    3. 6.3 建议运行条件
    4. 6.4 热性能信息
    5. 6.5 电气特性
    6. 6.6 典型特性
  8. 参数测量信息
    1. 7.1 原理图
  9. 详细说明
    1. 8.1 概述
    2. 8.2 功能方框图
    3. 8.3 特性说明
      1. 8.3.1 精密使能端 (EN)
      2. 8.3.2 COMP/FSET
      3. 8.3.3 MODE/SYNC
      4. 8.3.4 展频时钟 (SSC)
      5. 8.3.5 欠压锁定 (UVLO)
      6. 8.3.6 电源正常状态输出 (PG)
      7. 8.3.7 热关断
    4. 8.4 器件功能模式
      1. 8.4.1 脉宽调制 (PWM) 运行
      2. 8.4.2 节能模式运行 (PWM/PFM)
      3. 8.4.3 100% 占空比运行
      4. 8.4.4 电流限制和短路保护
      5. 8.4.5 折返电流限制和短路保护
      6. 8.4.6 输出放电
      7. 8.4.7 输入过压保护
  10. 应用和实施
    1. 9.1 应用信息
      1. 9.1.1 对输出电压进行编程
      2. 9.1.2 外部元件选型
        1. 9.1.2.1 电感器选型
      3. 9.1.3 电容器选型
        1. 9.1.3.1 输入电容器
        2. 9.1.3.2 输出电容器
    2. 9.2 典型应用
      1. 9.2.1 设计要求
      2. 9.2.2 详细设计过程
      3. 9.2.3 应用曲线
    3. 9.3 系统示例
      1. 9.3.1 固定输出电压版本
      2. 9.3.2 与外部时钟同步
    4. 9.4 电源相关建议
    5. 9.5 布局
      1. 9.5.1 布局指南
      2. 9.5.2 布局示例
  11. 10器件和文档支持
    1. 10.1 器件支持
      1. 10.1.1 第三方产品免责声明
    2. 10.2 文档支持
      1. 10.2.1 相关文档
    3. 10.3 接收文档更新通知
    4. 10.4 支持资源
    5. 10.5 商标
    6. 10.6 静电放电警告
    7. 10.7 术语表
  12. 11修订历史记录
  13. 12机械、封装和可订购信息

封装选项

机械数据 (封装 | 引脚)
散热焊盘机械数据 (封装 | 引脚)
订购信息

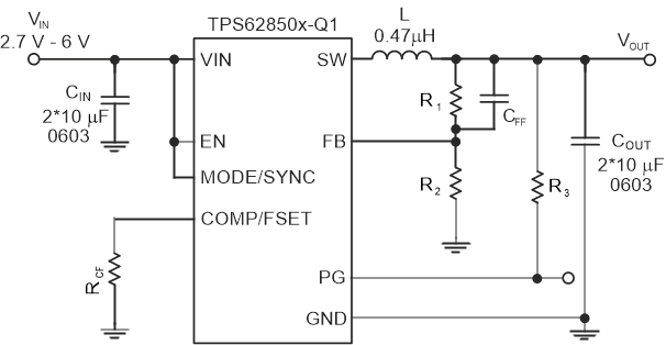
原理图

TPS628501-Q1 TPS628502-Q1 TPS628503-Q1 测量设置 (TPS62850x-Q1)图 7-1 测量设置 (TPS62850x-Q1)
表 7-1 元件列表
基准说明制造商(1)
ICTPS628502QDRLRQ1德州仪器 (TI)
L0.47µH,电感器,DFE252012PDMurata
CIN2 × 10µF / 6.3V GCM188D70J106MMurata
COUT当 Vout ≥ 1V 时,为 2 × 10µF / 6.3V GCM188D70J106MMurata
COUT当 Vout < 1 V 时,为 3 × 10µF / 6.3V GCM188D70J106MMurata
RCF8.06kΩ不限
CFF10pF不限
R1取决于 VOUT不限
R2取决于 VOUT不限
R3100kΩ不限