ZHCSD56 December 2014 TPS61175-Q1
PRODUCTION DATA.

The maximum IC junction temperature should be restricted to 125°C under normal operating conditions. This restriction limits the power dissipation of the TPS61175-Q1. Calculate the maximum allowable dissipation, PD(max), and keep the actual dissipation less than or equal to PD(max). The maximum-power-dissipation limit is determined using the following equation:

where, TA is the maximum ambient temperature for the application. RθJA is the thermal resistance junction-to-ambient given in the Thermal Information table.
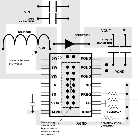
The TPS61175-Q1 comes in a thermally enhanced TSSOP package. This package includes a thermal pad that improves the thermal capabilities of the package. The RθJA of the TSSOP package greatly depends on the PCB layout and thermal pad connection. The thermal pad must be soldered to the analog ground on the PCB. Using thermal vias underneath the thermal pad.