ZHCS026C December   2010  – February 2016 TPS57060-Q1

PRODUCTION DATA.  

  1. 特征
  2. 应用
  3. 说明
    1.     Device Images
      1.      简化电路原理图
      2.      效率与负载电流间的关系
  4. 修订历史记录
  5. Pin Configuration and Functions
    1.     Pin Functions
  6. Specifications
    1. 6.1 Absolute Maximum Ratings
    2. 6.2 ESD Ratings
    3. 6.3 Recommended Operating Conditions
    4. 6.4 Thermal Information
    5. 6.5 Electrical Characteristics
    6. 6.6 Typical Characteristics
  7. Detailed Description
    1. 7.1 Overview
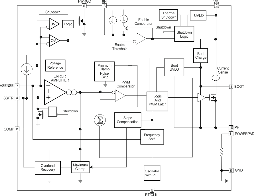
    2. 7.2 Functional Block Diagram
    3. 7.3 Feature Description
      1. 7.3.1  Fixed Frequency PWM Control
      2. 7.3.2  Slope Compensation Output Current
      3. 7.3.3  Low Dropout Operation and Bootstrap Voltage (BOOT)
      4. 7.3.4  Error Amplifier
      5. 7.3.5  Voltage Reference
      6. 7.3.6  Adjusting the Output Voltage
      7. 7.3.7  Enable and Adjusting Undervoltage Lockout (UVLO)
      8. 7.3.8  Slow Start and Tracking Pin (SS/TR)
      9. 7.3.9  Overload Recovery Circuit
      10. 7.3.10 Constant Switching Frequency and Timing Resistor (RT/CLK Pin)
      11. 7.3.11 Overcurrent Protection and Frequency Shift
      12. 7.3.12 Selecting the Switching Frequency
      13. 7.3.13 How to Interface to RT/CLK Pin
      14. 7.3.14 Power Good (PWRGD Pin)
      15. 7.3.15 Overvoltage Transient Protection
      16. 7.3.16 Thermal Shutdown
      17. 7.3.17 Small Signal Model for Loop Response
      18. 7.3.18 Simple Small-Signal Model for Peak Current-Mode Control
      19. 7.3.19 Small Signal Model for Frequency Compensation
    4. 7.4 Device Functional Modes
      1. 7.4.1 Sequencing
      2. 7.4.2 Pulse Skip Eco-Mode
  8. Application and Implementation
    1. 8.1 Application Information
    2. 8.2 Typical Application
      1. 8.2.1 Design Requirements
      2. 8.2.2 Detailed Design Procedure
        1. 8.2.2.1  Selecting the Switching Frequency
        2. 8.2.2.2  Output Inductor Selection (LO)
        3. 8.2.2.3  Output Capacitor
        4. 8.2.2.4  Catch Diode
        5. 8.2.2.5  Input Capacitor
        6. 8.2.2.6  Slow Start Capacitor
        7. 8.2.2.7  Bootstrap Capacitor Selection
        8. 8.2.2.8  Undervoltage Lockout Set Point
        9. 8.2.2.9  Output Voltage and Feedback Resistors Selection
        10. 8.2.2.10 Compensation
        11. 8.2.2.11 Discontinuous Mode and Eco Mode Boundary
      3. 8.2.3 Application Curves
  9. Power Supply Recommendations
  10. 10Layout
    1. 10.1 Layout Guidelines
    2. 10.2 Layout Example
    3. 10.3 Power Dissipation Estimate
  11. 11器件和文档支持
    1. 11.1 器件支持
      1. 11.1.1 Third-Party Products Disclaimer
      2. 11.1.2 开发支持
    2. 11.2 Documentation Support
      1. 11.2.1 Related Documentation
    3. 11.3 社区资源
    4. 11.4 商标
    5. 11.5 静电放电警告
    6. 11.6 Glossary
  12. 12机械、封装和可订购信息

封装选项

机械数据 (封装 | 引脚)
散热焊盘机械数据 (封装 | 引脚)
订购信息

Functional Block Diagram

TPS57060-Q1 fbd_lvsap2.gif